0  381708  381716  381722  381726  381732  381734  381738  381744  381746  381752  381758  381762  381764  381768  381774  381776  381782  381786  381788  381792  381794  381798  381800  381802  381803  381804  381806  381807  381808  381810  381812  381816  381818  381822  381824  381828  381834  381836  381842  381846  381848  381852  381858  381864  381866  381872  381876  381878  381884  381888  381894  381902  447090 

34. -- I don't think your team can beat theirs.

-- ____. But we could if Jim were on the team.

A. Yes, we can           B. Yes, we do     C. No, we don’t     D. No, we can't

试题详情

33. --What is the difference between big cities and small towns?

-- Well, the buildings in big cities are ______ those in small towns.

  A. as tall as             B. taller than     C. as short as     D. shorter than

试题详情

32. -- People now can know what is happening in the world quickly.      -- You’re right. With the help of computers, news can ______ every corner of the world.      A. get                  B. return           C. reach        D. arrive

试题详情

Ⅵ. 单项填空(共20小题;每小题1分,满分20分)

31. -- What else do you want?     -- ________ else. I think I have got everything ready.      A. Something                B. Nothing        C. Anything       D. Everything

试题详情

Ⅰ.关键词语选择(共5小题;每小题1分,满分5分)

你将听到五个句子。请在每小题所给的A、B、C三个选项中选出你所听到的单词或短语。每个句子读两遍。

1. A. kinds                B. kites                 C. cards

2. A. bought                  B. brought              C. caught

3. A. fourth               B. fourteenth            C. fortieth

4. A. look up             B. take up          C. put up

5. A. price              B. prize           C. police

Ⅱ.短对话理解(共10小题;每小题1分,满分10分)

你将听到十段对话,每段对话后有一个小题。请在每小题所给的A、B、C三个选项中选出最佳选项。每段对话读两遍。

6. What does Kate like?

A.           B.            C.

7. What does the boy want to be?

    A.            B.                  C.

8. What are they going to buy?

   A.                  B.              C.

9. What was the weather like last week?

   A.           B.           C.

10. What’s wrong with him? 

A.           B.           C.

11. What does Alice think of the basketball game?

A. She thinks it is exciting.     B. She thinks it is difficult to understand.

C. She thinks it is interesting.

12. What does the girl suggest?

A. Relaxing.             B. Listening to peaceful music.    C. Both A and B.

13. What time is it now?

A. 11: 30.                   B. 11:00.                       C. 10:30.

14. How is Lily’s room like?   

A. Clean.                B. Tidy.                    C. Dirty.

15. What does Mary think of the languages?

A. Both English and Japanese are difficult.     B. Chinese is the most difficult language.

C. Chinese is easier than English and Japanese.

Ⅲ.长对话理解(共5小题;每小题1分,满分5分)

你将听到两段对话,每段对话后有几个小题。请在每小题所给的A、B、C三个选项中选出最佳选项。每段对话读两遍。

听下面一段对话,回答第16-17两个小题。

16. Where did Joan go last week?

A. To the factory.                   B. To the country.         C. To the farm. 

17. How was the weather there?

A. Sunny.                       B. Windy.              C. Rainy.

听下面一段对话,回答第18至20三个小题。

18. What’s in their school hall tomorrow?

A. A concert.                B. A match.              C. A painting show. 

19. What does the man like better?

A. Painting.                  B. Music.              C. Singing.

20. Where will the woman go in the end?

A. First to the theatre then to the school hall.  B. First to the school hall, and then to the theatre.

C. To the theatre only at last.

Ⅳ.短文理解(共5小题;每小题1分,满分5分)

你将听到一篇短文,短文后有五个问题。请根据短文内容,在每小题所给的A、B、C三个选项中选出最佳选项。短文读两遍。

21. Where is the man sitting?

    A. In the store.               B. By the street.          C. Under the tree.

22. What’s the man eating?

    A. A hamburger.             B. A hot dog.             C. A sandwich.

23. What does the policeman do when the man runs down the street?

  A. He says hello to him.        B. He cheers him up.       C. He runs after him.

24. What does the man do?

    A. He is a doctor.             B. He is a cook          C. He is an actor.

25. What problem does the policeman have ?

    A. He is hungry.              B. He is heavy.            C. He can’t cook food well.

Ⅴ.信息转换(共5小题;每小题1分,满分5分)

你将听到一篇短文。请根据短文内容写出下面表格中所缺的单词,每空仅填一词。短文读两遍。

Colours
Feelings
Meanings
Black
feel  26  .
darkness
white
think of something  27   
cleanness
  28 
feel warm or even hot
happiness or anger
Blue
make you feel free
  29 
Green
feel  30  and peaceful.
importance

试题详情

23.在探究“家用电器”的综合实践活动中,小明与同学合作,在爸爸的协助下,以家里的电水壶为观察、研究对象,记录了如下表中的有关数据。

根据上表中的记录,请解答下面的问题。

(1)求通电2min壶中的水吸收的热量;[c=4.2×103J/(kg·℃)]

(2)求电水壶中发热体正常工作时的电阻值;

(3)求2min内电水壶消耗的电能和实际功率。

试题详情

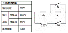
22.如图表为一台电烤箱的铭牌,其内部简化电路如图所示,R1R2均为电热丝。

求:(1)电烤箱在高温挡正常工作10min所消耗的电能;(2)电路中R1的阻值;(3)电烤箱在低温挡正常工作时,电路中的电流和R1的功率。

试题详情

21.用如图所示滑轮组提升重物.人用600N的拉力F,12s内使重为1000N的物体匀速上升了3m.不计绳重和摩擦,求:

(1)动滑轮的重;(2分) (2)人拉绳子做功的功率;(3分) (3)滑轮组的机械效率。(2分)

试题详情

20.小明同学用图甲所示的电路来验证“电流与电阻的关系”,所用器材有:电压恒为3V的电源,阻值为5Ω、10Ω、20Ω的定值电阻各一只,“15ΩlA"的滑动变阻器一只,学生用电流表、电压表各一只,开关和导线若于。

(1)根据题意,请你选择合适的电表量程,并帮助小明按电路图用笔画线代替导线完成右边实物图(图乙)的连接。

(2)实验过程中他控制定值电阻只两端的电压恒为1.5V。

   A.先将R用5Ω的电阻接入电路中进行实验,读取与该电阻对应的电流值;

   B.再将10Ω的电阻替换5Ω的电阻接人电路中进行实验,读取与该电阻对应的电流值;

   C.最后他用20Ω,的电阻替换10Ω的电阻接入电路中进行实验,发现无法读取与20Ω的电阻对应的电流值.经检查,电路连接无误,且元件完好,请你帮他找出两种可能的原因。

   原因1:               。  原因2:               

试题详情

19.小星喝牛奶时想知道牛奶的密度。于是他进行了如下操作:

(1)把天平放在水平桌面上,将游码拨到标尺左端的零刻线处,发现指针向左偏。此时他应向_______(填“左”或“右”)端调节平衡螺母,使指针指在分度盘的中线处。

(2)把空杯子放在天平左盘上,在右盘中放入10g砝码后,再用镊子向右盘夹取砝码,发现放上质量最小的砝码时,指针向右偏;取下它,指针向左偏,则他下一步的操作是_____________________。当横梁再次平衡后,如图所示,杯子的质量m=_______。

(3)他利用现有的实验器材和足够的水,完成以后的实验操作,请你写出实验步骤及所测物理量的符号:

第一步:___________________________  第二步:___________________________

(4)牛奶密度的表达式:ρ牛奶=_______g/cm3

试题详情


同步练习册答案