0  397399  397407  397413  397417  397423  397425  397429  397435  397437  397443  397449  397453  397455  397459  397465  397467  397473  397477  397479  397483  397485  397489  397491  397493  397494  397495  397497  397498  397499  397501  397503  397507  397509  397513  397515  397519  397525  397527  397533  397537  397539  397543  397549  397555  397557  397563  397567  397569  397575  397579  397585  397593  447090 

2.远距离输电。

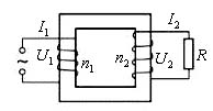
一定要画出远距离输电的示意图来,包括发电机、两台变压器、输电线等效电阻和负载电阻。并按照规范在图中标出相应的物理量符号。一般设两个变压器的初、次级线圈的匝数分别为也应该采用相应的符号来表示。

从图中应该看出功率之间的关系是:

 电压之间的关系是:

电流之间的关系是:

   可见其中电流之间的关系最简单,中只要知道一个,另两个总和它相等。因此电流往往是这类问题的突破口

   输电线上的功率损失和电压损失也是需要特别注意的。分析和计算时都必须用,而不能用

   特别重要的是要求会分析输电线上的功率损失,由此得出结论: ⑴减少输电线功率损失的途径是提高输电电压或增大输电导线的横截面积,当然选择前者。⑵若输电线功率损失已经确定,那么升高输电电压能减小输电线截面积,从而节约大量金属材料和架设电线所需的钢材和水泥,还能少占用土地。

   需要引起注意的是课本上强调:输电线上的电压损失,除了与输电线的电阻有关,还与感抗和容抗有关。当输电线路电压较高、导线截面积较大时,电抗造成的电压损失比电阻造成的还要大。

[例6]有一台内阻为lΩ的发电机,供给一个学校照明用电,如图所示.升压变压器匝数比为1∶4,降压变压器的匝数比为4∶1,输电线的总电阻R=4Ω,全校共22个班,每班有“220 V,40W”灯6盏.若保证全部电灯正常发光,则:

(l)发电机输出功率多大?

(2)发电机电动势多大?

(3)输电线上损耗的电功率多大?

(4)输电效率是多少?

(5)若使用灯数减半并正常发光发电机输出功率是否减半.

   解析:题中未加特别说明,变压器即视为理想变压器,由于发电机至升压变压器及降压变压器至学校间距离较短,不必考虑该两部分输电导线上的功率损耗.

   发电机的电动势ε,一部分降在电源内阻上.即Ilr,另一部分为发电机的路端电压U1,升压变压器副线圈电压U2的一部分降在输电线上,即I2R,其余的就是降压变压器原线圈电压U2,而U3应为灯的额定电压U,具体计算由用户向前递推即可.

   (1)对降压变压器:   U/2I2=U3I3=nP=22×6×40 W=5280w

    而U/2=4U3=880 V,所以I2=nP/U/2=5280/880=6A

    对升压变压器:    UlIl=U2I2=I22R+U/2I2=62×4+5280=5424 W,   所以  P=5424 W.

   (2)因为 U2=U/2+I2R=880+6×4=904V,   所以 U1=¼U2=¼×904=226 V

    又因为UlIl=U2I2,所以Il=U2I2/Ul=4I2=24 A,    所以  ε=U1+I1r1=226+24×1=250 V.

 ⑶输电线上损耗的电功率PR=IR2R=144W

(4)η=P有用/P×100%=×100%=97%

   (5)电灯减少一半时,n/P=2640 W,

    I/2=n/P/U2=2640/880=3 A.    所以P/=n/P十I/22R=2640+32×4=2676w

    发电机的输出功率减少一半还要多,因输电线上的电流减少一半,输电线上电功率的损失减少到原来的1/4。

说明:对变电过程较复杂的输配电问题,应按照顺序,分步推进.或按“发电一一升压--输电线--降压-一用电器”的顺序,或从“用电器”倒推到“发电”一步一步进行分析.注意升压变压器到线圈中的电流、输电线上的电流、降压变压器原线圈中的电流三者相等.

规律方法   一、解决变压器问题的常用方法

解题思路1 电压思路.变压器原、副线圈的电压之比为U1/U2=n1/n2;当变压器有多个副绕组时U1/n1=U2/n2=U3/n3=……

解题思路2 功率思路.理想变压器的输入、输出功率为P=P,即P1=P2;当变压器有多个副绕组时P1=P2+P3+……

解题思路3 电流思路.由I=P/U知,对只有一个副绕组的变压器有I1/I2=n2/n1;当变压器有多个副绕组时n1I1=n2I2+n3I3+……

解题思路4 (变压器动态问题)制约思路.

(1)电压制约:当变压器原、副线圈的匝数比(n1/n2)一定时,输出电压U2由输入电压决定,即U2=n2U1/n1,可简述为“原制约副”.

(2)电流制约:当变压器原、副线圈的匝数比(n1/n2)一定,且输入电压U1确定时,原线圈中的电流I1由副线圈中的输出电流I2决定,即I1=n2I2/n1,可简述为“副制约原”.

(3)负载制约:①变压器副线圈中的功率P2由用户负载决定,P2=P负1+P负2+…;②变压器副线圈中的电流I2由用户负载及电压U2确定,I2=P2/U2;③总功率P=P线+P2.

动态分析问题的思路程序可表示为:

U1P1

解题思路5 原理思路.变压器原线圈中磁通量发生变化,铁芯中ΔΦt相等;当遇到“”型变压器时有

ΔΦ1tΦ2tΦ3t,

此式适用于交流电或电压(电流)变化的直流电,但不适用于稳压或恒定电流的情况.

[例6]如图所示为一理想变压器,K为单刀双掷开关,P为滑动变阻器的滑动触头,U1为加在原线圈两端的电压,I1为原线圈中的电流强度,则( ABD  )

   A.保持U1及P的位置不变,K由a合到b时,I1将增大

   B.保持P的位置及U1不变,K由b合到a时,R消耗的功率减小

   C.保持U1不变,K合在a处,使P上滑,I1将增大

   D.保持P的位置不变,K合在a处,若U1增大,I1将增大

   解析:K由a合到b时,n1减小,由,可知,U2增大,P2=U22/R随之增大·而 P1=P2,P1=I1U1,从而I1增大,A正确.K由 b 合到a时,与上述情况相反,P2将减小,B正确·P上滑时,R增大,P2=U22/R减小,又P1=P2,P1=I1U1,从而I1减小,C错误.U1增大,由=,可知U2增大,I2=U2/R随之增大,由可知I1也增大,D正确。

说明:处理这类问题的关键是要分清变量和不变量,弄清理想变压器中各量间的联系和制约关系.在理想变压器中,U2由U1和匝数比决定;I2由U2和负载电阻决定;I1由I2和匝数比决定.

试题详情

1.电路中电能损失P=I2R=,切不用U2/R来算,当用此式时,U必须是降在导线上的电压,电压不能用输电电压来计算.

试题详情

4、几种常用的变压器

(1)自耦变压器

图是自耦变压器的示意图。这种变压器的特点是铁芯上只绕有一个线圈。如果把整个线圈作原线圈,副线圈只取线圈的一部分,就可以降低电压;如果把线圈的一部分作原线圈,整个线圈作副线圈,就可以升高电压。

调压变压器就是一种自耦变压器,它的构造如图所示。线圈AB绕在一个圆环形的铁芯上。AB之间加上输入电压U1 。移动滑动触头P 的位置就可以调节输出电压U2

(2)互感器

互感器也是一种变压器。交流电压表和电流表都有一定的量度范围,不能直接测量高电压和大电流。用变压器把高电压变成低电压,或者把大电流变成小电流,这个问题就可以解决了。这种变压器叫做互感器。互感器分电压互感器和电流互感器两种。

a、电压互感器

电压互感器用来把高电压变成低电压,它的原线圈并联在高压电路中,副线圈上接入交流电压表。根据电压表测得的电压U 2 和铭牌上注明的变压比(U 1 /U 2 ),可以算出高压电路中的电压。为了工作安全,电压互感器的铁壳和副线圈应该接地。

b、电流互感器

电流互感器用来把大电流变成小电流。它的原线圈串联在被测电路中,副线圈上接入交流电流表。根据电流表测得的电流I 2 和铭牌上注明的变流比(I 1/I2),可以算出被测电路中的电流。如果被测电路是高压电路,为了工作安全,同样要把电流互感器的外壳和副线圈接地。

[例4]在变电站里,经常要用交流电表去监测电网上的强电流,所用的器材叫电流互感器。如下所示的四个图中,能正确反应其工作原理的是 

   A.         B.        C.        D.

解:电流互感器要把大电流变为小电流,因此原线圈的匝数少,副线圈的匝数多。监测每相的电流必须将原线圈串联在火线中。选A。

试题详情

3、规律小结

(1)熟记两个基本公式:① ,即对同一变压器的任意两个线圈,都有电压和匝数成正比。

P=P,即无论有几个副线圈在工作,变压器的输入功率总等于所有输出功率之和。

(2)原副线圈中过每匝线圈通量的变化率相等.

(3)原副线圈中电流变化规律一样,电流的周期频率一样

(4)公式中,原线圈中U1、I1代入有效值时,副线圈对应的U2、I2也是有效值,当原线圈中U1、I1为最大值或瞬时值时,副线圈中的U2、I2也对应最大值或瞬时值.

(5)需要特别引起注意的是:

①只有当变压器只有一个副线圈工作时,才有:

②变压器的输入功率由输出功率决定,往往用到:,即在输入电压确定以后,输入功率和原线圈电压与副线圈匝数的平方成正比,与原线圈匝数的平方成反比,与副线圈电路的电阻值成反比。式中的R表示负载电阻的阻值,而不是“负载”。“负载”表示副线圈所接的用电器的实际功率。实际上,R越大,负载越小;R越小,负载越大。这一点在审题时要特别注意。

(6)当副线圈中有二个以上线圈同时工作时,U1∶U2∶U3=n1∶n2∶n3,但电流不可=,此情况必须用原副线圈功率相等来求电流.

(7)变压器可以使输出电压升高或降低,但不可能使输出功率变大.假若是理想变压器.输出功率也不可能减少.

(8)通常说的增大输出端负载,可理解为负载电阻减小;同理加大负载电阻可理解为减小负载.

[例1]一台理想变压器的输出端仅接一个标有“12V,6W”的灯泡,且正常发光,变压器输入端的电流表示数为0.2A,则变压器原、副线圈的匝数之比为( D  )

    A.7∶2;B.3∶1;C.6∶3;D.5∶2;

解析:因为,I2=P2/U2=6/12=0.5 A    I1=0.2 A

   所以  n1∶n2=I2∶I1=5∶2

[例2]如图所示,通过降压变压器将220 V交流电降为36V供两灯使用,降为24V供仪器中的加热电炉使用.如果变压器为理想变压器.求:

   (1)若n3=96匝,n2的匝数;

   (2)先合上K1、K3,再合上K2时,各电表读数的变化;

   (3)若断开K3时A1读数减少220 mA,此时加热电炉的功率;

   (4)当K1、K2、K3全部断开时,A2、V的读数.

   解析:(1)变压理的初级和两个次级线圈统在同一绕在同一铁蕊上,铁蕊中磁通量的变化对每匝线圈都是相同的.所以线圈两端的电压与匝数成正比.有

   (2)合上K1、K3后,灯L1和加热电炉正常工作.再合上K2,灯L2接通,U1、n1和n3的值不变.故V读数不变.但L2接通后,变压器的输入、输出功率增大.故A1、A2读数增大.

   (3)断开K3时,A1读数减少200mA,表明输入功率减少,减少值为ΔP=ΔIU=0.200×220=44W,这一值即为电炉的功率.

   (4)当K1、K2、K3全部断开时,输出功率为零,A2读数为零.但变压器的初级战线圈接在电源上,它仍在工作,故V读数为24V.

[例3]如图所示,接于理想变压器的四个灯泡规格相同,且全部正常发光,则这三个线圈的匝数比应为(  C   )

    A.1∶2∶3; B.2∶3∶1

    C.3∶2∶1; D.2∶1∶3

解析:由于所有灯泡规格相同.且都正常发光,则===式中,U为灯泡的额定电压,设I为灯炮的额定电流,由理想变压器的功率关系 pl= p2+p3

     UlI=U2I+U3I=2UI+UI=3UI   所以U1=3U

   则===   由此得n1∶n2∶n3=3∶2∶1

试题详情

2.理想变压器的理想化条件及其规律.

在理想变压器的原线圈两端加交变电压U1后,由于电磁感应的原因,原、副线圈中都将产生感应电动势,根据法拉第电磁感应定律有:

忽略原、副线圈内阻,有   U1E1 , U2E2

另外,考虑到铁心的导磁作用而且忽略漏磁,即认为在任意时刻穿过原、副线圈的磁感线条数都相等,于是又有   

由此便可得理想变压器的电压变化规律为

在此基础上再忽略变压器自身的能量损失(一般包括线圈内能量损失和铁芯内能量损失这两部分,分别俗称为“铜损”和“铁损”),有P1=P2    而P1=I1U1   P2=I2U2

于是又得理想变压器的电流变化规律为

由此可见:

(1)理想变压器的理想化条件一般指的是:忽略原、副线圈内阻上的分压,忽略原、副线圈磁通量的差别,忽略变压器自身的能量损耗(实际上还忽略了变压器原、副线圈电路的功率因数的差别.)

(2)理想变压器的规律实质上就是法拉第电磁感应定律和能的转化与守恒定律在上述理想条件下的新的表现形式.

试题详情

1.理想变压器的构造、作用、原理及特征

构造:两组线圈(原、副线圈)绕在同一个闭合铁芯上构成变压器.

作用:在输送电能的过程中改变电压.

原理:其工作原理是利用了电磁感应现象.

特征:正因为是利用电磁感应现象来工作的,所以变压器只能在输送交变电流的电能过程中改变交变电压.

试题详情

2、电电和电容对交流电的作用

[例8]如图所示,线圈的自感系数L和电容器的电容C都很小,此电路的重要作用是:

A.阻直流通交流,输出交流

B.阻交流通直流,输出直流

C.阻低频通高频,输出高频电流

D.阻高频通低频,输出低频和直流

解:线圈具有通直流和阻交流以及通低频和阻高频的作用,将线圈串联在电路中,如果自自系数很小,那么它的主要功能就是通直流通低频阻高频。

电容器具有通交流和阻直流以及通高频和阻低频的作用,将电容器并联在L之后的电路中。将电流中的高频成分通过C,而直流或低频成份被阻止或阻碍,这样输出端就只有直流或低频电流了,答案D

[例11] 一个灯泡通过一个粗导线的线圈与一交流电源相连接,如图所示.一块铁插进线圈之后,该灯将:

 A.变亮 B.变暗 C.对灯没影响

[分析] 这线圈和灯泡是串联的,因此加在串联电路两端的总电压一定是绕组上的电势差与灯泡上的电势差之和.由墙上插孔所提供的220伏的电压,一部分降落在线圈上,剩余的降落在灯泡上.如果一个大电压降落在线圈上,则仅有一小部分电压降落在灯泡上.灯泡上电压变小,将使它变暗.什么原因使得电压降落在线圈上呢?在线圈上产生压降的主要原因是其内部改变着的磁场.

 在线圈内由于改变磁场而产生的感应电动势,总是反抗电流变化的,正是这种反抗变化的特性(电惰性),使线圈产生了感抗.

 [答] B

 [说明] 早期人们正是用改变插入线圈中铁芯长度的方法来控制舞台灯光的亮暗的

[例12]如图所示电路中,三只电灯的亮度相同,如果交流电的频率增大,三盏电灯的亮度将如何改变?为什么?

 解析:当交变电流的频率增大时,线圈对交变电流的阻碍作用增大,通过灯泡L1的电流将因此而减小,所以灯泡L1的亮度将变暗;而电容对交变电流的阻碍作用则随交变电流频率的增大而减小,即流过灯泡L2的电流增大,所以灯泡L2的亮度将变亮.由于电阻的大小与交变电流的频率无关,流过灯泡L3的电流不变,因此其亮度也不变,

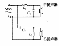
[例13]“二分频”,音箱内有两个不同口径的扬声器,它们的固有频率分别处于高音、低音频段,分别称为高音扬声器和低音扬声器.音箱要将扩音机送来的含有不同频率的混合音频电流按高、低频段分离出来,送往相应的扬声器,以便使电流所携带的音频信息按原比例还原成高、低频的机械振动.

   图为音箱的电路图,高、低频混合电流由a、b端输入,L.和级是线圈,C.和C:是电容器(BD)

   A.甲扬声器是高音扬声器

   B. C2的作用是阻碍低频电流通过乙扬声器

   C. L1的作用是阻碍低频电流通过甲扬声器

   D. L2的作用是减弱乙扬声器的低频电流

解析:线圈作用是“通直流,阻交流;通低频,阻高频”.电容的作用是“通交流、隔直流;通高频、阻低频”.高频成分将通过C2到乙扬声器,故乙是高音扬声器.低频成分通过石到甲扬声器.故甲是低音扬声器.L1的作用是阻碍高频电流通过甲扬声器.

试题展示

       变压器、电能输送

基础知识   一、变压器

试题详情

2.电容器对交变电流的阻碍作用

直流电流是不能通过电容器的,但在电容器两端加上交变电压时,通过电容器的充放电,即可实现电流“通过”电容器。这样,电容器对交变电流的阻碍作用就不是无限大了,而是有一定的大小,用容抗(XC)来表示电容器阻碍电流作用的大小,容抗的大小与交变电流的频率和电容器的电容有关,关系式为:.

此式表明电容器的电容越大,交变电流的频率越高,电容对电流的阻碍作用越小,容抗也就越小。

由于电容大的电容器对频率高的交流电流有很好的通过作用,因而可以做成高频旁路电容器,通高频、阻低频;利用电容器对直流的阻止作用,可以做成隔直电容器,通交流、阻直流。

电容的作用不仅存在于成形的电容器中,也存在于电路的导线、元件及机壳间,当交流电频率很高时,电容的影响就会很大.通常一些电器设备和电子仪器的外壳会给人以电击的感觉,甚至能使测试笔氖管发光,就是这个原因.

[例1] 如图所示为一低通滤波电路.已知电源电压包含的电流直流成分是240V,此外还含有一些低频的交流成分.为了在输出电压中尽量减小低频交流成分,试说明电路中电容器的作用.

[答] 电容器对恒定电流(直流成分)来说,相当于一个始终断开的开关,因此电源输出的直流成分全部降在电容器上,所以输出的电压中直流成分仍为240V.但交变电流却可以“通过”电容器,交流频率越高、电容越大,电容器的容抗就越小,在电容器上输出的电压中交流成分就越小.在本题的低通滤波电路中,为了要使电容器上输出的电压中,能将低频的交流成分滤掉,不输出到下一级电路中,就应取电容较大的电容器,实际应用中,取C>500μF.

[例2] 如图所示为一高通滤波电路,已知电源电压中既含有高频的交流成分,还含有直流成分.为了在输出电压中保留高频交流成分,去掉直流成分,试说明电路中电容器的作用.

[答] 电容器串联在电路中,能挡住电源中的直流成分,不使通过,相当于断路.但能让交流成分通过,交流频率越高、电容越大,容抗越小,交流成分越容易通过.因此在电阻R上只有交流成分的电压降.如果再使电阻比容抗大得多,就可在电阻上得到较大的高频电压信号输出.

规律方法  1、交流电图象的应用

[例3]一矩形线圈,绕垂直于匀强磁场并位于线圈平面的固定轴转动,线圈中的感应电动势e随时间t的变化如图,下面说法中正确的是:(CD)

  A、t1时刻通过线圈的磁通量为零;

  B、t2时刻通过线圈的磁通量的绝对值最大;

  C、t3时刻通过线圈的磁通量的绝对值最大;

D、每当e变换方向时,通过线圈的磁通量绝对值为最大。

解析:t1、t3时刻线圈中的感应电动势ε=0,即为线圈经过中性面的时刻,此时线圈的磁通量为最大,但磁通量的变化率却为零,所以选项A不正确。t2时刻ε=一Em,线圈平面转至与磁感线平行,此时通过线圈的磁通量为零,磁通量的变化率却为最大,故B也不正确.每当e的方向变化时,也就是线圈经过中性面的时刻,通过线圈的磁通量的绝对值都为最大,故D正确.

小结:①对物理图象总的掌握要点

   一看:看“轴”、看“线”看“斜率”看“点”.

   二变:掌握“图与图”、“图与式”、“图与物”之间的变通关系.

   三判:在此基础上进行正确的分析,判断.

②应用中性面特点结合右手定则与楞次定律,能快速、一些电磁感应现象问题.

[例4]一只矩形线圈匀强磁场中绕垂直于磁场的轴匀速转动穿,过线圈的磁通量随时间变化的图像如图中甲所示,则下列说法中正确的是( B )

A.t=0时刻线圈平面与中性面垂直

B.t=0.01s时刻,Φ的变化率达最大

C.t=0.02s时刻,交流电动势达到最大

D.该线圈相应的交流电动势图像如图乙所示

[例5]一长直导线通以正弦交流电i=ImsinωtA,在导线下有一断开的线圈,如图所示,那么,相对于b来说,a的电势最高时是在(C)

   A.交流电流方向向右,电流最大时

   B.交流电流方向向左,电流最大时

   C.交流电流方向向左,电流减小到0时

   D.交流电流方向向右,电流减小到0时

解析:若把i=ImsinωtA用图象来表示,可以由图象直观看出在i=0时,电流变化率最大,因此在周围产的磁场的变化率也最大,所以只能在C,D两个选项中选,再用假设法,设在a,b两点间接个负载形成回路,可判定出向左电流减小时,a点相当于电源正极,故C选项正确.

[例6]有一交流电压的变化规律为u=311sin314tV,若将一辉光电压最小值是220V的氖管接上此交流电压,则在1秒钟内氖管发光的时间是多少?

分析:根据氖管的发光条件|U|>220V,先计算在半个周期的时间内氖管发光的时间间隔△t,再算出1秒包含的半周期数n,两者相乘即是1秒钟内氖管发光的时间。

解:根据u=311sin314tV,可知周期为 

在0-T/2,即0-1/100s的时间内,将U=220V代入u=311sin314tV中,可得

氖管的发光时间为

1秒钟的时间包含的半周期数为

 

答:1秒钟内氖管的发光时间为0.5s。

解题技巧:交流电的瞬时值反映的是不同时刻交流电的大小和方向,瞬时值是时间的函数,不同时刻瞬时值是不一样的,要求熟练掌握正弦交流电瞬时值表达式。

[例7]如图所示,两块水平放置的平行金属板板长L = 1.4m,板距为d = 30cm ,两板间有B=1.5T、垂直于纸面向里的匀强磁场,在两板上加如图所示的脉动电压。在t = 0 时,质量为m = 2×10-15 Kg、电量为q = 1×10-10C的正离子,以速度v0 = 4×103m/s从两板中间水平射入,试问:

(1)粒子在板间作什么运动?画出其轨迹。

(2)粒子在场区运动的时间是多少?

解答:(1)在第一个10-4s内,电场、磁场同时存在,离子受电场力、洛仑兹力分别为F=Qe=q U/d =5×10-7N(方向向下)、f = Bqv=5×10-7(方向向上),离子作匀速直线运动。

位移为s = v0t = 0.4m

  在第二个10 - 4s内,只有磁场,离子作匀速圆周运动,r = mv0/Bq = 6.4×10-2 m<d/2,不会碰板,T = 2πm/Bq=1×10-4s,即正巧在无电场时离子转满一周。

 易知以后重复上述运动。

(2)因L/s = 1.4/0.4 = 3.5 ,离子在场区范围内转了3周,历时t1=3T=3×10-4 s ;

  另有作匀速运动的时间t2=L/vO=3.5×10-4 s 。

  总时间t = t1+t2=6.5×10-4 s 。

试题详情

电阻对交流电流和直流电流一样有阻碍作用,电流通过电阻时做功而产生热效应;电感对交流电流有阻碍作用,大小用感抗来表示,感抗的大小与电感线圈及交变电流的频率有关;电容对交流电流有阻碍作用,大小用容抗来表示,容抗的大小与电容及交变电流的频率有关。

1.电感对交变电流的阻碍作用

在交流电路中,电感线圈除本身的电阻对电流有阻碍作用以外,由于自感现象,对电流起着阻碍作用。如果线圈电阻很小,可忽略不计,那么此时电感对交变电流阻碍作用的大小,用感抗(XL)来表示。

由于交变电流大小和方向都在发生周期性变化,因而在通过电感线圈时,线圈上匀产生自感电动势,自感电动势总是阻碍交流电的变化。 又因为自感电动势的大小与自感系数(L)和电流的变化率有关,所以自感系数的大小和交变电流频率的高低决定了感抗的大小。关系式为:  XL=2πf L

此式表明线圈的自感系数越大,交变电流的频率越高,电感对交变电流的作用就越大,感抗也就越大。

自感系数很大的线圈有通直流、阻交流的作用,自感系数较小的线圈有通低频、阻高频的作用.

电感线圈又叫扼流圈,扼流圈有两种:一种是通直流、阻交流的低频扼流圈;另一种是通低频、阻高频的高频扼流圈。

试题详情

3.由于穿过线圈的磁通量与产生的感应电动势随时间变化的函数关系是互余的,因此利用这个关系也可以讨论穿过线圈的磁通量等问题.

试题详情


同步练习册答案