0  403242  403250  403256  403260  403266  403268  403272  403278  403280  403286  403292  403296  403298  403302  403308  403310  403316  403320  403322  403326  403328  403332  403334  403336  403337  403338  403340  403341  403342  403344  403346  403350  403352  403356  403358  403362  403368  403370  403376  403380  403382  403386  403392  403398  403400  403406  403410  403412  403418  403422  403428  403436  447090 

14.(09·丰台模拟)如图,闭合线圈上方有一竖直放置的条形磁铁,磁铁的N极朝下。当磁铁向下运动 时(但未插入线圈内部)                    (  B  )

A.线圈中感应电流的方向与图中箭头方向相同,磁铁与线圈相互吸引

B.线圈中感应电流的方向与图中箭头方向相同,磁铁与线圈相互排斥                 

C.线圈中感应电流的方向与图中箭头方向相反,磁铁与线圈相互吸引

D.线圈中感应电流的方向与图中箭头方向相反,磁铁与线圈相互排斥

试题详情

13.(郴州市2009届高三调研试题).如图所示,P、Q是两个等量异种点电荷,MN是它们连线的中垂线,在垂直纸面的方向上有磁场.如果某正电荷以初速度V0沿中垂线MN运动,不计重力,则                       (  B  )

A:若正电荷做匀速直线运动,则所受洛伦兹力的大小不变

B.若正电荷做匀速直线运动,则所受洛伦兹力的大小改变

C.若正电荷做变速直线运动,则所受洛伦兹力的大小不变

D.若正电荷做变速直线运动,则所受洛伦兹力的大小改变

试题详情

12.(09·海淀模拟)如图所示,一质量为m的金属杆ab,以一定的初速度v0从一光滑平行金属轨道的底端向上滑行,轨道平面与水平面成θ角,两导轨上端用一电阻相连,磁场方向垂直轨道平面向上,轨道与金属杆ab的电阻不计并接触良好。金属杆向上滑行到某一高度h后又返回到底端,在此过程中    (C  )

A.整个过程中合外力的冲量大小为2mv0

B.下滑过程中合外力所做的功等于电阻R上产生的焦耳热

C.下滑过程中电阻R上产生的焦耳热小于

D.整个过程中重力的冲量大小为零

试题详情

11.(09·石景山模拟)路上使用-种电磁装置向控制中心传输信号以确定火车的位置和速度,安放在火车首节车厢下面的磁铁能产生匀强磁场,如图(俯视图).当它经过

安放在两铁轨间的线圈时,便会产一电信号,被控制中心接收.当火车以恒定速度通过线圈时,表示线圈两端的电压Uab随时间变化关系的图像是:                 (  C  )

试题详情

10.(09·三校模拟).如图所示,在水平放置的平行板电容器之间,有一带电油滴P处于静止状态,若从某时刻起,油滴所带的电荷开始缓慢减小,为维持该油滴仍处于静止状态,可采取下列哪些措施      (  AC  )

A.其他条件不变,使电容器两极板缓慢靠近

B.其他条件不变,使电容器两极板缓慢远离

C.其他条件不变,将变阻器的滑片缓慢向左移动

D.其他条件不变,将变阻器的滑片缓慢向右移动

试题详情

9.(09· 华罗庚中学模拟)某一电学黑箱内可能有电容器、电感线圈、定值电阻等元件,在接线柱间以如图所示的“ Z ”字形连接(两接线柱间只有一个元件)。为了确定各元件种类,小华同学用电流传感器(相当于电流表)与一直流电源、滑动变阻器、开关串联后,分别将ABBCCD接入电路,闭合开关,计算机显示的电流随时间变化的图象分别如图abc。所示,则如下判断中正确的是               (  ABD  )

A.AB间是电容器              B.BC间是电感线圈

C.CD间是电容器              D.CD间是定值电阻

试题详情

8.(09·西城模拟)如图所示,理想变压器的原线圈接在u=220sin(100πt)(V)的交流电源上,副线圈接有R=55 Ω的负载电阻。原、副线圈匝数之比为2∶1。电流表、电压表均为理想电表。下列说法正确的是                       (  A  )

A.原线圈中电流表的读数为1 A

B.原线圈中的输入功率为

C.副线圈中电压表的读数为110V

 D.副线圈中输出交流电的周期为50s

试题详情

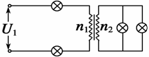
7.(芜湖一中2009届高三第一次模拟考试).如图,电路中有四个完全相同的灯泡,额定电压均为U,额定功率为P,变压器为理想变压器,现在四个灯泡都正常发光,则变压器的匝数比n1:n2为,电源电压U1为    (  C  )

A.1:2  2U              B.1:2  4 U    

C.2:1  4 U                D.2:1  2 U

试题详情

6.(2009届安徽省皖南八校高三第一次联考试卷)图甲和图乙分别表示正弦脉冲波和方波的交变电流与时间的变化关系.若使这两种电流分别通过两个完全相同的电阻,则经过1min的时间,两电阻消耗的电功之比WW为                                     (  C  )

试题详情

5.(09·海淀模拟)如图所示,一光滑平行金属轨道平面与水平面成θ角,两导轨上端用一电阻R相连,该装置处于匀强磁场中,磁场方向垂直轨道平面向上。质量为m的金属杆ab,以初速度v0从轨道底端向上滑行,滑行到某一高度h后又返回到底端。若运动过程中,金属杆保持与导轨垂直且接触良好,并不计金属杆ab的电阻及空气阻力,则                      ( C  )

A.上滑过程中安培力的冲量比下滑过程大

B.上滑过程通过电阻R的电量比下滑过程多

C.上滑过程通过电阻R产生的热量比下滑过程多

D.上滑过程的时间比下滑过程长

试题详情


同步练习册答案