0  406696  406704  406710  406714  406720  406722  406726  406732  406734  406740  406746  406750  406752  406756  406762  406764  406770  406774  406776  406780  406782  406786  406788  406790  406791  406792  406794  406795  406796  406798  406800  406804  406806  406810  406812  406816  406822  406824  406830  406834  406836  406840  406846  406852  406854  406860  406864  406866  406872  406876  406882  406890  447090 

6.我们经常可以看到,凡路边施工处总挂有红色的电灯,这除了红色光容易引起人的视觉注意以外,还有一个重要的原因,这一原因是红色光   (    )

A.比其它色光更容易发生衍射;

B.比其它可见光更容易发生衍射;

C.比其它可见光的光子能量大;

D.比其它可见光更容易发生光电效应。

试题详情

5.等腰三角形线框abc与长直导线MN绝缘,且线框被导线分成面积相等的两部分,如图所示,MN接通电源瞬间电流由N流向M,则在线框中  (   )

A.线框中无感应电流;

B.线框中有沿abca方向感应电流;

C.线框中有沿acba方向感应电流;

D.条件不足无法判断。

试题详情

4.如图所示,矩形线框abcd,与条形磁铁的中轴线位于同一平面内,线框内通有电流I,则线框受磁场力的情况(   )

A.abcd受力,其它二边不受力;

B.ab和cd受到的力大小相等方向相反;

C.adbc受到的力大小相等,方向相反;

D.以上说法都不对。

试题详情

2.在两个相同容器中,分别盛有质量相等、温度相同的氧气和氮气,则它们的(   )

A.压强相等;

B.分子运动的平均速率相等;

C.分子的平均动能相同,压强不等;

D.分子的平均动能相同,压强相等。

  3.热敏电阻是由半导体材料制成的,其中的载流子数目是随温度的升高按指数规律迅速增加的。载流子数目越多,导电能力越强,其电阻率也就越小,因此热敏电阻的电阻值随着温度的升高将按指数规律迅速减小。如图所示的电路图是一个应用“非”门构成的一个简易火警报警电路,则图中X框,Y框中应是  (   )

A.X为可变电阻,Y为热敏电阻;

B.X为热敏电阻,Y为开关;

C.X为热敏电阻,Y为可变电阻;

D.XY为热敏电阻。

试题详情

1.如图所示,甲分子固定在坐标原点O,乙分子位于x轴上,甲分子对乙分子的作用力与两分子间距离的关系如图中曲线所示。F>0表示斥力,F<0表示引力,abcdx轴上四个特定的位置。现把乙分子从a处由静止释放,则(     )

A.乙分子由ab做加速运动,由bc做减速运动;

B.乙分子由ac做加速运动,到达c时速度最大;

C.乙分子由ab的过程中,两分子间的分子势能一直增加;

D.乙分子由bd的过程中,两分子间的分子势能一直增加。

试题详情

19.(9分)如图a所示,装有位移传感器发射器的、质量为M的滑块A放在气垫导轨B上,C为位移传感器的接收器,它能将AC的距离数据实时传送到计算机上,经计算机处理后在屏幕上显示滑块A的位移-时间(s-t)图像和速率-时间(v-t)图像。整个装置置于高度可调节的斜面上,斜面的长度为L、高度为h。(取重力加速度g=10m/s2,结果保留一位有效数字)

(1)现给滑块A一沿气垫导轨向上的初速度,Av-t图像如图b所示。从图线可得滑块A下滑时的加速度a=____m/s2,从图线还可知摩擦力对滑块A运动的影响______。(填“明显,不可忽略”或“不明显,可忽略”)

(2)此装置还可用来验证牛顿第二定律。实验时,通过改变______,可以验证质量一定时,加速度与力成正比的关系;通过改变______,可以验证力一定时,加速度与质量成反比的关系(用LhM字母表示)   

(3)将气垫导轨换成滑板,给滑块A一沿滑板向上的初速度,As-t图像如图c所示。图线不对称是由于______造成的,通过图像可求得滑板的倾角θ=_____(用反三角函数表示),滑块与滑板间的动摩擦因数μ=____。

试题详情

18.(8分)如图所示为某同学实验得到的小灯泡灯丝电阻的U-I关系曲线图。

(1)在左下框中画出实验电路图(根据该电路图可得到U-I关系的完整曲线),可用的器材有:电压传感器、电流传感器、滑线变阻器(变化范围0-50Ω)、电动势为6V的电源(不计内阻)、小灯泡、电键、导线若干。

(2)如果将该小灯泡分别接入甲、乙两个不同电路,如图所示,其中甲电路的电源为一节干电池,乙电路的电源为三节干电池,每节干电池的电动势为1.5 V,内电阻为1.5 Ω,定值电阻R=18 Ω,则接入_____(选填“甲”或“乙”)电路时,小灯泡较亮些。

(3)在电路乙中,小灯泡消耗的电功率为____________W。

(4)若将电路乙中的电阻R替换为另一个完全相同的小灯泡,其他条件不变,则此时电源内部的发热功率为____________W。

试题详情

17.(4分)用DIS描绘电场等势线的实验中,在平整的木板上依次铺放白纸、复写纸和导电纸.在导电纸上平放两个圆柱形电极AB,分别与直流电源的正、负极相连,如图所示.若以AB连线为x轴,AB连线的中垂线为y轴.将一个探针固定在y轴上的某一点,沿x轴移动另一个探针,发现无论怎样移动,计算机屏幕上电压测量值始终为零,若电源及连线都是完好的,可能的故障是________.将实验故障排除后,探针从BO间某处沿x轴向电极A移动的过程中,计算机屏幕上电压测量值的变化情况是________________。

试题详情

16.(5分)以下有关高中物理实验的一些描述中那个选项是正确的(   )

(A)用多用表测闭合电路中某电阻的阻值时,选好倍率,调零后,只要把两表棒与该电阻两端直接接触即可

(B)在研究有固定转动轴物体的平衡条件时,各力矩宜取大一些

(C)在“用单摆测定重力加速度”实验中如果摆长测量无误。测得的g值偏小,其原因可能是将全振动的次数N误计为N-1

(D)在“用单分子油膜估测分子大小”的实验中油膜可以布满容器中的整个水面

试题详情

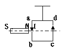
15.(4分)如图所示为卢瑟福发现质子的实验装置.M是显微镜,S是荧光屏,窗口F处装有银箔,氮气从阀门T充入,A是放射源.下列说法中正确的是……(    )

(A)该实验的核反应方程为:+N→O+

(B)充入氮气后,调整银箔厚度,使S上见不到质子引起的闪烁

(C)充入氮气前,调整银箔厚度,使S上能见到质子引起的闪烁

(D)充入氮气前,调整银箔厚度,使S上见不到a粒子引起的闪烁

试题详情


同步练习册答案