0  409988  409996  410002  410006  410012  410014  410018  410024  410026  410032  410038  410042  410044  410048  410054  410056  410062  410066  410068  410072  410074  410078  410080  410082  410083  410084  410086  410087  410088  410090  410092  410096  410098  410102  410104  410108  410114  410116  410122  410126  410128  410132  410138  410144  410146  410152  410156  410158  410164  410168  410174  410182  447090 

17.图甲为一列简谐横波在t=20s时的波形图,图乙为这列波中P点的振动图线,那么该波的传播速度和传播方向是(  B  )

 

A. v=25cm/s,向左传播        B. v=50cm/s,向左传播

C. v=25cm/s,向右传播        D. v=50cm/s,向右传播

试题详情

16.两束不同频率的单色光 a、b 以相同的入射角从空气射入水中,发生了如图所示的折射现象(α>β)。下列说法中正确的是 (C)

A.光束 b 的频率比光束a 的频率低

B.光束a在水中的传播速度比光束b 在水中的传播速度小

C.水对光束a 的折射率比水对光束 b的折射率小

D.若光束从水中射向空气,则光束b 的临界角比光束 a 的临界角大

试题详情

15.如图所示是一个点电荷电场中的等势面的一部分,下列说法中正确的是( A )

A.A点的场强一定大于B点的场强

B.A点的场强可能等于B点的场强

C.A点的电势一定高于B点的电势

  D.A点的电势一定低于B点的电势

试题详情

14.被活塞封闭在气缸中的一定质量的理想气体,在温度升高,压强保持不变的过程中,则( B )

A.气缸中每个气体分子的速率都增大

B.气缸中单位体积内气体分子数减少

C.气缸中的气体吸收的热量等于气体内能的增加量

D.气缸中的气体吸收的热量小于气体内能的增加量

试题详情

13.在核反应方程式中( D )

    A.X是质子,k=9                  B.X是质子,k=10

    C.X是中子,k=9                  D.X是中子,k=10

试题详情

23.(18分)在光滑的水平面上有一质量M=2kg的木板A,其右端挡板上固定一根轻质弹簧在靠近木板左端的P处有一大小忽略不计,质量m=2kg的滑块B。木板上Q处的左侧粗糙,右侧光滑,且PQ间距离L=2m,如图14所示。某时刻木板A以vA=1m/s的速度向左滑行,同时滑块B以vB=5m/s的速度向右滑行,当滑块B与P处相距时,二者刚好处于相对静止状态。若在二者共同运动方向的前方有一障碍物,木板A与它相碰后仍以原速率反弹(碰后立即描去该障碍物),g取10m/s2。求:

  (1)第一次二者刚好处于相对静止状态时的共同速度;

  (2)B与A的粗糙面之间的动摩擦因数

    (3)滑块B最终停在木板A上的位置。

图14
 
 

  24.(20分)如图15所示,光滑且足够长的平行金属导轨MN和PQ固定在同一水平面上,两导轨间距离L=0.2m,电阻R1=0.4,导轨上静止放置一质量m=0.1kg,电阻R2=0.1的金属杆ab,导轨电阻忽略不计,整个装置处在磁感应强度B1=0.5T的匀强磁场中,磁场的方向竖直向下,现用一外力F沿水平方向拉杆ab,使之由静止开始运动,最终以8m/s的速度做匀速直线运动。若此时闭合开关S,释放的粒子经加速电场C加速从a孔对着圆心O进入半径r=的固定圆筒中(筒壁上的小孔a只能容一个粒子通过),圆筒内有垂直水平面向下的磁感应强度为B2的匀强磁场,粒子每次与筒壁发生碰撞均无电荷迁移,也无机械能损失。(粒子质量m≈6.4×10-23kg,电荷量q=3.2×10-19C)。求:

  (1)ab杆做匀速直线运动过程中,外力F的功率;

  (2)射线源Q是钍核发生衰变生成镭核

并粒出一个粒子,完成下列钍核的

图15
 
衰变方程  

  (3)若粒子与圆筒壁碰撞5次后恰又从a孔背离

圆心射出,忽略粒子进入加速电场的初速度,求磁感应强度B2

试题详情

22.(16分)如图13所示,位于竖直平面上的光滑轨道,

半径为R,OB沿竖直方向,圆弧轨道上端A点距地面

高度为H,质量为m的小球从A点由静止释放,最后落

在地面C点处,不计空气阻力。求:

  (1)小球刚运动到B点时,轨道对小球的支持力多大?

  (2)小球落地点C与B的水平距离S为多少?

  (3)比值为多少时,小球落地点C与B水平距离S最远?该水平距离的最大值是多少?

试题详情

21.实验题(18分)

    (1)(4分)如图11是用双缝干涉测光的波长的实验设备示图,图中①②③④⑤依次是光源、滤光片、单缝、双缝、光那,调整实验装置使得像屏上可以见到清晰的干涉条纹,关于干涉条纹的情况,下列叙述哪些是正确的    

       A.若将光屏向左平移一小段距离,屏上的干涉条纹将变得不清晰

       B.若将光屏向右平移一小段距离,屏上仍有清晰的干涉条纹

       C.若将双缝间的距离d减小,光屏上的两个相邻明条纹间的距离变小

       D.若将滤光片由绿色换成红色,光屏上的两个相邻暗条纹间的距离增大

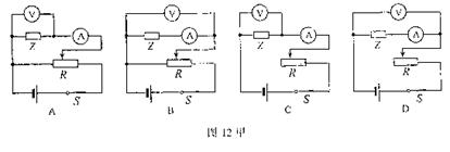
  (2)(14分)影响物质材料电阻率的因素很多,一般金属材料的电阻率随温度的升高而增大,而半导体材料的电阻率则与之相反,随温度的升高而减小。某课题研究组需要研究某种导电材料的导电规律,他们用该种导电材料制作成电阻较小的线状元件Z做实验,测量元件Z中的电源随两端电压从零逐渐增大过程中的变化规律。

       ①他们应选用下图12所示的哪个电路进行实验:答:     

        ②在答题纸上,按照正确的电路图,连接图12乙的实物图。

元件Z
 
图12乙
 
 

     ③实验测得元件Z的电压与电流的关系如下表所示。根据表中数据,判断元件Z是金属材料还是半导体材料?答:     

U/V
0
0.40
0.60
0.80
1.00
1.20
1.50
1.60
I/A
0
0.20
0.45
0.80
1.25
1.80
2.80
3.20

       ④把元件Z接入如图12丙所示的电路中,当电阻R的阻值为R1=2时,电流表的读数为1.25A;当电阻R的阻值为R2=3.6时;电流表的读数为0.80A。结合上表数据,求出电池的电动势为     V,内阻为     。(不计电流表的内阻,结果保留两位有效数字)

     ⑤用螺旋测量器测得线状元件Z的直径如图12丁所示,则元件Z的直径是   mm。

 

试题详情

20.某空间中存在一个有竖直边界的水平方向匀强磁场区域,现将

一个等腰梯形闭合导线圈,从图示位置垂直于磁场方向匀速拉

过这个区域,尺寸如右图所示,下图中能正确反映该过程线圈

中感应电流随时间变化的图象是               (   )

 

试题详情

17.近年来,人类发射的多枚火星探测器已经相继在火星上着

陆,正在进行着激动人心的科学探究,为我们将来登上火

星、开发和利用火星资源奠定了坚实的基础。如果火星探

测器环绕火星做“近地”匀速圆周运动,并测得该运动的周期为T,则火星的平均密度的表达式为(k为某个常数)                                                (   )

    A.                        B.      

    C.                      D.

  18.如图8所示,A、B、C为等腰棱镜,a、b两束不同频率的单色光垂直AB边射入棱镜,两速光在AB面上的入射点到D的距离相等,两束光通过

棱镜折射后相交于图中的P点,以下判断正确的是(   )

    A.在真空中,a光光速大于b光光速

    B.在真空中,a光波长大于b光波长

    C.a光通过棱镜的时间大于b光通过棱镜的时间

    D.a、b两束光从同一介质射入真空过程中,a光发生全

反射临 界角大于b光发生全反射临界角

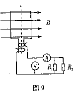
  19.如图9所示,交流发电机线圈的面积为0.05m2,共100匝。

20090411
 
该线圈在磁感应强度为的匀强磁场中,

的角度匀速转动,电阻R1和R2

阻值均为50,线圈的内阻忽略不计,若从图

示位置开始计时,则                 (   )

    A.线圈中的电动势为

    B.电流表的示数为A

      C.电压表的示数为V

    D.R2上消耗的电功率为50W

试题详情


同步练习册答案