0  419251  419259  419265  419269  419275  419277  419281  419287  419289  419295  419301  419305  419307  419311  419317  419319  419325  419329  419331  419335  419337  419341  419343  419345  419346  419347  419349  419350  419351  419353  419355  419359  419361  419365  419367  419371  419377  419379  419385  419389  419391  419395  419401  419407  419409  419415  419419  419421  419427  419431  419437  419445  447090 

14.(徐州市2008届摸底考试)某交变电流的u-t图象如图所示,将它加在一个阻值为的电阻器两端。下列说法中正确的是   (  C  )

A.电压有效值为

B.电流的周期为0.01s

C.如果在该电阻器两端并联一个交流电压表,该电压表的示数为220 V

D.如果在该电路中串联一个交流电流表,该电流表的示数为

试题详情

13.(淮安、连云港、宿迁、徐州四市2008第2次调研)矩形线框在匀强磁场内匀速转动过程中,线框输出的交流电压随时间变化的图像如图所示,下列说法中正确的是       (  BC  )

A.交流电压的有效值为36V

B.交流电压的最大值为36V,频率为0.25Hz

C.2s末线框平面垂直于磁场,通过线框的磁通量最大

D.1s末线框平面垂直于磁场,通过线框的磁通量变化最快

试题详情

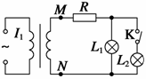
12.(济南市2008年5月质检)如图所示,理想变压器的副线圈上通过输电线接有两个相同的灯泡L1L2,输电线的等效电阻为R。开始时,开关S断开,当S接通时,以下说法中正确的是        (  B  )

   A.副线圈两端MN的输出电压减小

   B.副线圈输电线等效电阻R两端的电压降增大

C.通过灯泡L1的电流减小

D.原线圈中的电流增大

试题详情

11.(徐州市2008届第一次质检)如图甲所示,变压器原副线圈的匝数比为3:1,L1L 2L 3L 4为四只规格均为“9V,6W”的相同灯泡,各电表均为理想交流电表,输入端交变电压u的图象如图乙所示.则以下说法中正确的是                                      (BCD)

A.电压表的示数为36V         B.电流表的示数为2A

C.四只灯泡均能正常发光        D.变压器副线圈两端交变电流的频率为50Hz

 

试题详情

10.(临沂市2008年质检二)2008年1月,我国南方部分地区遭到了百年不遇的特大冰雪灾害,高压供电线路损坏严重。在维修重建过程中,除了增加铁塔的个数和铁塔的抗拉强度外,还要考虑尽量减小线路上电能损耗,既不减少输电动率,也不增加导线质量,对部分线路减少电能损耗采取的有效措施是     (  ABC  )

A.提高这部分线路的供电电压,减小导线中电流

B.在这部分线路两端换用更大匝数比的升压和降压变压器

C.在这部分线路上换用更优质的导线,减小导线的电阻率

D.多增加几根电线进行分流

试题详情

9.(青岛市2008年质检)如图所示,在一理想变压器的副线圈两端连接了定值电阻R0和滑动变阻器R,在原线圈上加一正弦交变电压,下列说法正确的是                                       (  B  )

A.保持Q位置不变,将P向上滑动,变压器的输出电压变小

B.保持Q位置不变,将P向上滑动,电流表的读数变小

C.保持P位置不变,将Q向上滑动,电流表的读数变小

D.保持P位置不变,将Q向上滑动,变压器输出功率变小

试题详情

8.(盐城市2008届第一次调研)一根电阻丝接入100V的恒定电流电路中,在1min内产生的热量为Q,同样的电阻丝接入正弦交变电流的电路中,在2min内产生的热量也为Q,则该交流电压的峰值是      (  A  )

A.141.4V   B.100V    C.70.7V   D.50V

试题详情

7.(扬州市2008届第二次调研)如图所示,理想变压器原、副线圈的匝数比为是原线圈的中心抽头,电压表和电流表均为理想电表,从某时刻开始在原线圈两端加上交变电压,其瞬时值表达式为,则      (  A  )

A.当单刀双掷开关与连接时,电压表的示数为

B.当时,间的电压瞬时值为

C.单刀双掷开关与连接,在滑动变阻器触头向上移动的过程中,电压表和电流表的示数均变小;

D.当单刀双掷开关由扳向时,电压表和电流表的示数均变小;

试题详情

6.(山东省滨州市2008年第1次质检)矩形线圈的面积为S,匝数为n,在磁感应强度为B的匀强磁场中,绕垂直于磁场的轴以角速度ω匀速转动,当转到线圈平面与磁场垂直的图示位置时       (  D  )

  A.线圈中的电动势为BSω

B.线圈中的电动势为nBSω

C.穿过线圈的磁通量为零

D.穿过线圈的磁通量为BS

试题详情

5.(山东省临沂市3月质检)利用如图4所示的电流互感器可以测量被测电路中的大电流,若互感器原副线圈的匝数比,交流电流表A的示数是50mA则                 (  C  )

A.被测电路的电流有效值为

B.被测电路的电流平均值为

C.被测电路的电流最大值为 

D.原副线圈中的电流同时达到最大值

试题详情


同步练习册答案