0  419370  419378  419384  419388  419394  419396  419400  419406  419408  419414  419420  419424  419426  419430  419436  419438  419444  419448  419450  419454  419456  419460  419462  419464  419465  419466  419468  419469  419470  419472  419474  419478  419480  419484  419486  419490  419496  419498  419504  419508  419510  419514  419520  419526  419528  419534  419538  419540  419546  419550  419556  419564  447090 

20.压敏电阻的阻值会随所受压力的增大而减小,某位同学利用压敏电阻设计了判断电梯运动状态的装置,其装置示意图如图所示,将压敏电阻平放在电梯内,受压面朝上,在上面放一物体m,电梯静止时电流表示数为I0,电梯在不同的运动过程中,电流表的示数分别如图甲、乙、丙、丁所示,下列判断中正确的是

A甲图表示电梯可能做匀速直线运动

B乙图表示电梯可能做匀加速上升运动 

C丙图表示电梯可能做匀加速上升运动

D丁图表示电梯可能做变减速下降运动

非选择题部分(共180分)

试题详情

19.我国第一颗月球探测卫星“嫦娥一号”在西昌卫星发射中心发射成功.在卫星绕月球做匀速圆周运动的过程中,下列说法中正确的是

A如果知道探测卫星的轨道半径和周期,再利用万有引力常量,就可以估算出月球的质量

B如果有两颗这样的探测卫星,只要它们的绕行速率相等,不管它们的质量、形状差别多大,它们绕行半径与周期都一定是相同的

C如果两颗探测卫星在同一轨道上一前一后沿同一方向绕行,只要后一卫星向后喷出气体,则两卫星一定会发生碰撞

D如果一绕月球飞行的宇宙飞船,宇航员从舱中缓慢地走出,并离开飞船,飞船因质量减小,所受万有引力减小,则飞船速率减小

试题详情

18.如图所示为一理想变压器,在原线圈输入电压不变的条件下,要提高变压器的输入功率,可采用的方法是                    

A只增加原线圈的匝数 

B只增加副线圈的匝数

C只减小用电器R1的电阻 

D断开开关S

试题详情

17.如图所示,一导线弯成半径为a的半圆形闭合回路。虚线MN右侧有磁感应强度为B的匀强磁场。方向垂直于回路所在的平面。回路以速度v向右匀速进入磁场,直径CD始终与MN垂直。从D点到达边界开始到C点进入磁场为止,下列结论不正确的是

   A感应电流方向不变

   B CD段直线始终不受安培力

   C感应电动势最大值E=Bav

   D感应电动势平均值

试题详情

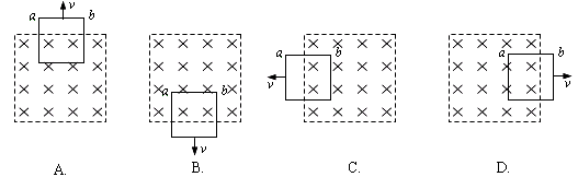
16.粗细均匀的电阻丝围成的正方形线框置于有界匀强磁场中,磁场方向垂直于线框平面,其边界与正方形线框的边平行。现使线框以同样大小的速度沿四个不同方向平移出磁场,如图所示,则在移出过程中线框一边a、b两点间的电势差绝对值最大的是 

试题详情

15.如图所示为汽车蓄电池与车灯(电阻不变)、启动电动机组成的电路,蓄电池内阻为0.05Ω,电流表和电压表均为理想电表.只接通S1时,电流表示数为10A,电压表示数为12V,再接通S2,启动电动机工作时,电流表示数变为8A,则此时通过启动电动机的电流是   

A 2A     

B 8A     

C 50A    

D 58A

试题详情

14.用如图所示的方法可以研究不同人的反应时间,设直尺从静止开始自由下落到直尺被受测者抓住,直尺下落的竖直距离为h,受测者的反应时间为t,则下列关于th的关系正确的是

A  t h            

B  t

C  t           

D  t h2

试题详情

13.下列溶液中有关微粒的物质的量浓度关系正确的是

A.0.20mol·L-1Na2CO3溶液和0.20mol·L-1NaHCO3溶液等体积混合后:

   c(Na+)+C(H+)=C(OH-)+c(HCO3-)+c(CO32-)

B.常温下将醋酸钠、盐酸两溶液混合后,溶液呈中性,则混合后溶液中:

c(Na+)>c(Cl-)>c(CH3COOH)

C.常温下三种溶液①(NH4)2CO3、②(NH4)2SO4、③(NH4)2Fe(SO4)2中含有NH4+的物质的量浓度相等,则三种溶液中溶质的物质的量浓度大小关系为:①<③<②

D.向0.10mol·L-1硝酸钠溶液中滴加稀盐酸得到的pH=5的混合溶液:c(Na+)=c(NO3-)

试题详情

12.某密闭容器中充入等物质的量的气体A和B,一定温度下发生反应A(g)+xB(g)2C(g),达到平衡后,只改变反应的一个条件,测得容器中物质的浓度、反应速率随时间变化如下图所示。下列说法中正确的是

A.30min时降低温度,40min时充入生成物C 

B.0-8min内A的平均反应速率为0.08mol/(L·min)

C.反应方程式中的x=1,正反应为吸热反应 

D.20min-40min间该反应的平衡常数均为8

试题详情

11. 已知:①向KMnO4晶体滴加浓盐酸,产生黄绿色气体;②向FeCl2溶液中通入少量实验①产生的气体,溶液变黄色;③取实验②生成的溶液滴在淀粉KI试纸上,试纸变蓝色。下列判断正确的是

A.上述实验证明氧化性:MnO4>Cl2>Fe3+>I2   

B.上述实验中,共有两个氧化还原反应

C.实验①生成的大量气体能使湿润的淀粉KI试纸最终变蓝

D.实验②证明Fe2+既有氧化性又有还原性

试题详情


同步练习册答案