0  423607  423615  423621  423625  423631  423633  423637  423643  423645  423651  423657  423661  423663  423667  423673  423675  423681  423685  423687  423691  423693  423697  423699  423701  423702  423703  423705  423706  423707  423709  423711  423715  423717  423721  423723  423727  423733  423735  423741  423745  423747  423751  423757  423763  423765  423771  423775  423777  423783  423787  423793  423801  447090 

2、在温度一定时,压强分别为P1,P2的条件下,A(g)+2B(g)    nC(g)的反应

体系中,C的分数与时间t,压强P1,P2的关系如图所示,则下列结论正确的是           

A、P1>P2,n<3     B、P1<P2,n=3

C、P1<P2,n>3     D、P1>P2,n>3

试题详情

1、(2007年高考江苏卷)一定温度下可逆反应:A(s)+2B(g)2C(g)+D(g);DH<0。现将1 mol A和2 mol B加入甲容器中,将4 mol C和2 mol D加入乙容器中,此时控制活塞P,使乙的容积为甲的2倍,t1时两容器内均达到平衡状态(如图1所示,隔板K不能移动)。下列说法正确的是

    图1          图2          图3

(A)保持温度和活塞位置不变,在甲中再加入1 mol A和2 mol B,达到新的平衡后,甲中C的浓度是乙中C的浓度的2倍

(B)保持活塞位置不变,升高温度,达到新的平衡后,甲、乙中B的体积分数均增大

(C)保持温度不变,移动活塞P,使乙的容积和甲相等,达到新的平衡后,乙中C的体积分数是甲中C的体积分数的2倍

(D)保持温度和乙中的压强不变,t2时分别向甲、乙中加入等质量的氦气后,甲、乙中反应速率变化情况分别如图2和图3所示(t1前的反应速率变化已省略)

试题详情

5、(1)发电机输出功率为P=U1I1=5424W

(2)发电机的电动势E=U1+I1r=250V

(3)输电线上损耗的电功率PR=IR2R=144W

试题详情

5、(08届高三第三次全国大联考)学校有一台应急备用发电机,内阻为r=1Ω,升压变压器匝数比为1∶4,降压变压器的匝数比为4∶1,输电线的总电阻为R=4Ω,全校22个教室,每个教室用“220V,40W”的灯6盏,要求所有灯都正常发光,则:

(1)发电机的输出功率多大?

(2)发电机的电动势多大?

(3)输电线上损耗的电功率多大?

答案:1、B   2、A   3、C   4、2005

试题详情

4、(2007年上海卷3B.)如图所示,自耦变压器输入端A、B接交流稳压电源,其电压有效值UAB=100V,R0=40W,当滑动片处于线圈中点位置时,C、D两端电压的有效值UCD为_____V,通过电阻R0的电流有效值为______A。

试题详情

3.(07年江苏省扬州市一模5.)如图所示,一个有两个不同副线圈的理想变压器,原线圈匝数为nl=1100匝,两副线圈的匝 数分别为n2=20匝和n3=70匝。原线圈接入220V交变电压,今将一额定电压为10V的用电器接入变压器的副线圈输出端后能正常工作,则两个副线圈连接方式应是(  )

A.只用一个副线圈,l、2作为输出端

B.只用一个副线圈,3、4作为输出端

C.将2、4连接,1、3作为输出端

D.将2、3连接,1、4作为输出端

试题详情

2.(扬州市07-08学年度第一学期高三期末调研卷)如图所示,理想变压器原、副线圈的匝数比为10:1,b是原线圈的中心抽头,电压表和电流表均为理想电表,从某时刻开始在原线圈cd两端加上交变电压,其瞬时值表达式为u1=220sin100πt(V),则(    )

A.当单刀双掷开关与a连接时,电压表的示数为22V

B.当t=s时,cd间的电压瞬时值为110V

C.单刀双掷开关与a连接,在滑动变阻器触头P向上移动的过程中,电压表和电流表的示数均变小

D.当单刀双掷开关由a扳向b时,电压表和电流表的示数均变小

试题详情

1.(南京市2007-2008学年度第一学期期末调研测试卷)某理想变压器原、副线圈的匝数比为55:9,原线圈所接电源电压按图示规律变化。副线圈接有一灯泡,此时灯泡消耗的功率为40W。则下列判断正确的是(    )

A、副线圈两端电压为V

B、原线圈中电流表的示数约为0.18A

C、变压器的输入、输出功率之比为55:9

D、原线圈两端电压的瞬时表达式为u=220sin100πt(V)

试题详情

2、几个常用关系式:

若发电站输出电功率为P,输出电压为U,用户得到的电功率为P’,用户得到的电压为U’,输电导线的总电阻为R。(如图)

①导线损失的电压△U=U-U’=IR。

②输电电流I=P/U=(U-U’)/R。

③输电导线上损失的电功率P= P-P’=I2R=P2R/U2

由以上公式可知,当输送的电功率一定时,输电电压增大到原来的n倍,输电导线上损耗的功率就减少到原来的1/n2

[应用2](07年佛山市教学质量检测.14)水利发电具有防洪、防旱、减少污染多项功能,是功在当代,利在千秋的大事,现在水力发电已经成为我国的重要能源之一。某小河水流量为40m3/s,现在欲在此河段上筑坝安装一台发电功率为1000千瓦的发电机发电。

(1)设发电机输出电压为500V,在输送途中允许的电阻为5Ω,许可损耗总功率的5%,则所用升压变压器原、副线圈匝数比应是多大?

(2)若所用发电机总效率为50%,要使发电机能发挥它的最佳效能,则拦河坝至少要建多高?g取10m/s2

导示:(1)设送电电流为I,损耗的功率为P、导线R线,由P=I2R得:

   

设送电电压为U,由P=IU得:

 

则升压变压器原副线圈匝数比:

   

(2)发电时水的重力势能转化为电能

故:mgh×50%=Pt ,其中

 

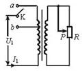
类型一理想变压器动态问题分析

[例1]如图,为一理想变压器,K为单刀双掷开关,P为滑动变阻器的滑动触头,U1为加在原线圈两端的电压,I1为原线圈中的电流强度,则(   )

A.保持U1P的位置不变,K由a合到b时,I1将增大

B.保持U1P的位置不变,K由b合到a时,R消耗的功率减小

C.保持U1不变,K合在a处,使P上滑,I1将增大

D.保持P的位置不变,K合在a处,若U1增大,I1将增大

导示:K由a合到b时,n1减小,由U1/U2=n1/n2,可知U2增大,P2=U22/R随之增大,而P1=P2,又P1=I1U1,从而I1增大,A正确;K由b合到a时,与上述情况相反,P2将减小,B正确;P上滑时,R增大,P2=U22/R减小,又P1=P2P1=I1U1,从而I1减小,C错误;U1增大,由U1/U2=n1/n2可知,U2增大,I2=U2/R随之增大,由I1/I2=n2/n1可知I1也增大,D正确。故选项A、B、D正确。

处理这类问题的关键是分清变量和不变量,弄清理想变压器中“谁决定谁”的问题。注意因果关系,对电压而言,输入决定输出;而对于电流、功率,输出决定输入。

类型二变压器原理的拓展应用

[例2]在绕制变压器时,某人误将两个线圈绕在如图所示变压器铁心的左右两个臂上,当通以交变电流时,每个线圈产生的磁通量都只有一半通过另一个线圈,另一半通过中间的臂,已知线圈1、2的匝数之比n1:n2=2:1,在不接负载的情况下(   )

A、当线圈1输入电压220V时,线圈2输出电压为110V

B、当线圈1输入电压220V时,线圈2输出电压为55V

C、当线圈2输入电压110V时,线圈1输出电压为220V

D、当线圈2输入电压110V时,线圈1输出电压为110V

导示:该题考查的是变压器的原理,若不去深入研究变压器的变压原理,只死记公式,很容易错选。

该题给出的变压器的铁心为日字形,与考生熟知的口字形变压器不同,且通过交变电流时,每个线圈产生的磁通量只有一半通过另一线圈,故电压比不再成立。所以只能利用电磁感应定律,从变压器的原理入手,才能解出该题。

当线圈1作为输入端时,

  

因为U1=220V,所以U2=55V,所以选项B对。

当线圈2作为输入端时,

因为U2′=110V,所以U1′=110V,所以选项D对。

试题详情

1、远距离输电示意图

试题详情


同步练习册答案