题目列表(包括答案和解析)

 0  122148  122156  122162  122166  122172  122174  122178  122184  122186  122192  122198  122202  122204  122208  122214  122216  122222  122226  122228  122232  122234  122238  122240  122242  122243  122244  122246  122247  122248  122250  122252  122256  122258  122262  122264  122268  122274  122276  122282  122286  122288  122292  122298  122304  122306  122312  122316  122318  122324  122328  122334  122342  447348 

12.马拉着自重600 N的雪橇在水平冰面上做匀速直线运动,马需用水平拉力18 N.若在雪橇上载货500 kg,马要用多大的水平力可使雪橇仍做匀速直线运动?雪橇和冰面间的滑动摩擦因数为多大:(取g=10 N/kg)

A.150 N  0.3   B. 150 N  0.03   C. 168 N  0. 3   D. 168 N  0.03

试题详情

11.要使一粗糙的木块在水平木桌的表面上滑动时受到的滑动摩擦力尽可能小些,下列措施中有效的是:①将木块和木桌的接触面刨光滑些  ②在木桌表面上垫一张平整光滑的铁皮③使木块的滑动速度增大 ④取木块表面积最小的那个面向下放在桌面上,减小与桌面的接触面积

A.①②     B.①③    C.②③    D.③④

试题详情

10.一个点电荷产生的电场,两个等量同种点电荷产生的电场,两个等量异种点电荷产生的电场,两块带等量异种电荷的平行金属板间产生的匀强电场.这是几种典型的静电场.带电粒子(不计重力)在这些静电场中的运动:

A.不可能做匀速直线运动       B.不可能做匀变速运动

C.不可能做匀速率圆周运动      D.不可能做往复运动

试题详情

9.如图所示,直线A为电源的U-I图线,曲线B为灯泡电阻的U-I图线,用该电源和小灯泡组成闭合电路时,电源的输出功率和电路的总功率分别是:

 A.4W、8W   B.2W、4W   C.4W、6W   D.2W、3W

试题详情

8.从同一高度以相同的速率分别抛出质量相等的三个小球,一个竖直上抛,一个竖直下抛,另一个平抛,则它们从抛出到落地,以下说法正确的是:

  A.运行的时间相等         B.加速度相同

  C.落地时的速度相同        D.落地时的动能相等

试题详情

7.下列说法中正确的是:

  A.力对物体做功多,说明物体的位移一定大

  B.静摩擦力总是做正功,滑动摩擦力总是做负功

  C.作用力做功,反作用力也一定做功

  D一对平衡力所做的功的代数和总为零

试题详情

6.关于物体的机械能是否守恒,以下说法中正确的是:

  A.一个物体所受合外力为零,它的机械能一定守恒

  B一个物体做匀速直线运动,它的机械能一定守恒

  C.一个物体所受的合外力不为零,它的机械能可能守恒

  D一个物体所受的合外力对它不做功,它的机械能一定守恒

试题详情

5.我国北京正负电子对撞机的储存环是周长为240m的近似圆形轨道,当环中的电流是10mA时(设电子的速度是3×107m/s).则在整个环中运行的电子数目为(电子电量e=1.6×10-19C):                           

  A.5×1011     B.5×1010     C.1×102     D.1×104

试题详情

4.在图中所示的电路中,当滑动变阻器的滑动触片向 b端移动时:

  A.伏特表 V和安培表A的读数都减小

  B.伏特表V和安培表A的读数都增大

  C.伏特表V的读数增大,安培表A的读数减小

  D.伏特表V的读数减小,安培表A的读数增大

试题详情

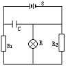
3.如图所示的电路中,电源的电动势恒定,要想使灯泡变暗,可以:

A.增大R1.   

B.减小R1

C.增大R2     

D.减小C

试题详情


同步练习册答案