题目列表(包括答案和解析)

 0  124155  124163  124169  124173  124179  124181  124185  124191  124193  124199  124205  124209  124211  124215  124221  124223  124229  124233  124235  124239  124241  124245  124247  124249  124250  124251  124253  124254  124255  124257  124259  124263  124265  124269  124271  124275  124281  124283  124289  124293  124295  124299  124305  124311  124313  124319  124323  124325  124331  124335  124341  124349  447348 

1.下列数据表示某人运动前后血糖浓度的变化情况,对该实验数据分析正确的是[   ]

项目
血糖浓度(mg/dL)
运动前
运动后
100米蛙泳
800米跑
3000-5000米跑
马拉松
133.0
122.3
117.4
111.2
146.0
142.3
138.0
63.8

A.100米蛙泳、800米、3000-5000米跑后,血糖浓度升高,说明血糖没被利用

B.100米蛙泳、800米、3000-5000米跑后,血糖浓度升高,只与激素调节有关

C.马拉松运动时间长,运动员有氧呼吸较为充分,运动后血糖下降明显

D.马拉松运动后,脂肪有可能大量转化,促进该过程的激素是胰岛素

试题详情

(二)选考题:共45分。请考生从给出的3道物理题、3道化学题、2道生物题中每科任选一题做答,并用2B铅笔在答题卡上把所选题目的题号涂黑。注意所做题目的题号必须与所涂题目的题号一致,在答题卡选答区域指定位置答题。如果多做,则每学科按所做的第一题计分。

33.[物理--选修3-3](15分)

(1)(5分)带有活塞的气缸内封闭一定量的理想气体,气体开始处于

状态a,然后经过过程ab到达状态b或经过过程ac到达状态c,

b、c状态温度相同,如V-T图所示,设气体在状态b和状态c的

压强分别为,在过程ab和ac中吸收的热量分别为

,则    (填入选项前的字母,有填错的不得分)

A.   B. 

C.    D.

(2)(10分)图中系统由左右两个侧壁绝热、底部导热、截面均为的容器组成。左容器足够高,上端敞开,右容器上端由导热材料封闭。两容器的下端由可忽略容积的细管连通。

容器内两个绝热的活塞下方封有氮气,B上方封

有氢气,大气的压强为,温度为,两活塞因自

身重量对下方气体产生的附加压强均为。系统平衡时,

各气柱的高度如图所示。现将系统底部浸入恒温热水槽中,

再次平衡时A上升了一定高度。用外力将A缓慢推回第一次

平衡时的位置并固定,第三次达到平衡后,氢气柱高度为

。氮气和氢气均可视为理想气体。求:(i)第二次平衡时

氮气的体积;  (ii)水的温度。

34.[物理--选修3-4](15分)

(1)(5分)其振动系统的固有频率为,在周期性驱动力的作用下做受迫振动,驱动力的频率为。若驱动力的振幅保持不变,下列说法正确的是   (填入选项前的字母,有填错的不得分)

A.当时,该振动系统的振幅随增大而减小

B.当时,该振动系统的振幅随减小而增大

C.该振动系统的振动稳定后,振动的频率等于

D.该振动系统的振动稳定后,振动的频率等于

(2)(10分)一棱镜的截面为直角三角形

斜边。棱镜材料的折射率为。在此截面所

在的平面内,一条光线以的入射角从边的中点

射入棱镜。画出光路图,并求光线从棱镜射出的点的位置

(不考虑光线沿原路返回的情况)。

35.[物理--选修3-5](15分)

(1)(4分)如图所示,为钨板,为金属网,它们分别与电池的两极相连,各电池的电动势和极性分别在图中标出,已知金属钨的逸出功为。现分别用不同能量的光子照射钨板(各光子的能量已在图中标出),那么下列图中,光电子可能达到金属网的是       (填入选项前的字母,有填错的不得分)

 

(2)(11分)如图所示,在粗糙水平桌面上沿一条直线放两个完全相同的小物块A和B(可看做质点),质量均为,相距到桌边缘的距离是。对A施以瞬间水平冲量,使A沿A、B连线以初速度向B运动。设两物体碰撞时间很短,碰后不再分离。为使两物体能发生碰撞,且碰撞后又不会离开桌面,求:物体A、B与水平面间的动摩擦因数应满足的条件。

 

36.[化学--选修化学与技术](15分)

海水是一种丰富的资源,工业上

从海水中可提取许多种物质,广泛应

用于生活、生产、科技等方面。下图

是某工厂对海水资源进行综合利用的

示意图。

回答下列问题:

(1)流程图中操作a的名称为      

(2)工业上从海水中提取的,可用来制取纯缄,其简要过程如下:向饱和食盐水中先通入气体A,后通入气体B,充分反应后过滤得到晶体C和滤液D,将晶体C灼烧即可制得纯碱。

①则气体A应是       (填化学式),其过程反应方程式为       

②滤液D中主要含有等物质,工业上是向滤液D中通入,并加入细小食盐颗粒,冷却析出不含有的副产品晶体,则通入的作用是       

37.[化学--选修物质结构与性质](15分)

原子序数依次增大A、B、C、D、E、F(A、B、C、D、E、F分别代表元素符号)六种短周期元素。元素A的原子半径在短周期中最小,元素C的单质在空气中含量最多,少一个电子层,E所在周期的各元素单质沸点变化如下图(元素按原子序数递增顺序连续排列),B、C两种元素分别能与A形成等电子的

甲、乙两种分子,且两种

分子中各原子的个数见下表:

化合物


原子个数比
B:A=1:4
C:A=1:3

(1)元素F的基态原子的电子排布式为      

(2)分子甲的空间构型为      ,该分子中B的

原子轨道发生的是    杂化。

(3)E单质属于    晶体,E与A元素形成    分子(填“极性”或“非极性”)

(4)D在F中燃烧的产物属于   晶体,其晶体中与最近且等距离的   个。

(5)C元素的第一电离能()   氧元素的第一电离能()(填“<”或“>”或“=”)。

38.[化学--选修有机化学基础](15分)

如下图所示,A、B、C、D、E、F、G均为有机物,它们之间有如下转化关系(部分产物和反应条件已略去)。已知B分子中含有苯环,其蒸气密度是同温同压下密度的59倍,B最多可以和发生加成反应,B的苯环上的一个氢原子被硝基取代所得的产物有三种。E和G都能够发生银镜反应。F分子中含有羟基和羧基,在一定条件下可以聚合生成高分子化合物。

 

请回答下列问题:

(1)(各2分)A、B、C的结构简式:A为   ;B为    ;C为     。

(2)(各1分)反应①的反应类型是    ;反应②的反应类型是     ;反应③的反应类型是     

(3)(2分)G与银氨溶液反应的化学方程式为       

(4)(2分)等物质的量的A与F发生酯化反应,所生成有机物的结构简式为       。

(5)(2分)A的一种同分异构体与浓共热,也生成B和水,该同分异构体的结构简式为    

39.[生物--选修1生物技术实践专题](15分)

科学家运用植物组织培养的方法,已经把许多植物离体的组织或细胞,培养成了完整的植物体。操作流程如下:

 

(1)该项生物技术利用的原理是     ;过程②表示    

(2)植物激素中生长素和细胞分裂是启动细胞生命活动的关键性激素,两者的用量比例会影响细胞的发育方向,生长素与细胞分裂素用量比值适中时,促进       ;生长素与细胞分裂素用量比值低时,有利于     、抑制     

(3)在植物组织培养的过程中,为什么要对外植体等进行一系列的消毒、灭菌,并且要求无菌操作?                 

(4)通过花药培养可以得到单倍体植株,其过程一般有两种途径:一种是花粉通过  阶段发育为植株,另一种是在诱导培养基上先形成     再将其诱导分化成植株。

(5)用PCR技术扩增产生抗癌药物的关键基因时,应向扩增仪中加入模板DNA、引物,此外还应加入         。DNA体外扩增过程包括了三个连续的步骤分别是变性、        。需要设计两种引物,引物的作用是    

40.[生物--选修3现代生物科技专题](15分)

胚胎移植的基本程序如右图,据图回答下列问题:

(1)对供体母牛、受体母牛进行的①处理是   

处理的方法是    

(2)在哺乳动物的受精过程中,有哪些机制可以防止

多个精子入卵受精  

(3)在输卵管内,次级卵母细胞的减数第二次分裂是

     过程中完成的。判断卵子是否受精的重

要标志是   

(4)冲卵之后要进行质量检查,这时的胚胎应发育到     阶段。

(5)哺乳动物发情排卵后,不管是否妊娠,在一段时间内,同种动物的供、受体   是相同的,这就为供体的胚胎移入受体提供了相同的生理环境。供体胚胎移入受体后可与受体子宫建立  ,但移入受体的供体胚胎的遗传特性,在孕育过程中     。

(6)②处理是       。

(7)在胚胎工程中通过任何一项技术,如   等技术获得的胚胎,都必须移植给受体才能获得后代。

试题详情

(一)必考题(11题,共129分)

22.(4分)某同学测量重力加速度,所用交流电频率为。在所选纸带上取某点为0号计数点,然后每3个点取一个计数点,所得测量数据及其标记符号如图所示。

 

该同学用两种方法处理数据(为相邻两计数点的时间间隔):

方法A:由,…,,取平均值

方法B:由,…,,取平均值

从数据处理方法看,在中,对实验结果起作用的,方法A中有     ;方法B中有     ,因此选择方法      (填A或B)更合理,这样可以减少实验的     (系统或偶然)误差。

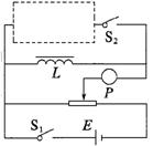
23.(11分)某实验小组想较精确地测定一个自感系数很大的线圈的直流电阻。实验室可提供下列器材:

A.待测线圈 (阻值约为)

B.电流表(量程为-,内阻约为)

C.电流表 (量程为-,内阻约为)

D.灵敏电流计 (量程为,内阻为)

E.电压表(量程为-,内阻约为)

F.变阻器(阻值变化范围为-)   G.定值电阻 (阻值为)

H.电池 (电动势约,内阻不计)    I.电键两个,导线若干

某位同学设计了如图所示的电路。

(1)为使实验测量结果准确,处应该选用电流表    (从B、C、D三个选项中选用一个,填入相应的序号字母即可)。

 

(2)请在图中虚线框内补画好完整的电路图,要求标明选用的电路元件符号。

(3)某同学正确选用实验器材,测出数据画出的图线如图所示,根据图线可求出该线圈的电阻为   (结果要求保留两位有效数字)。

(4)某同学实验时,其操作步骤如下:

①按电路图和实验器材,连接好实验电路;

②合上电键,移动滑动变阻器的触头到适当位置,稳定后读出各电表的读数并记录;

③移动滑动变阻器触头到适当位置,每次稳定后再读各电表的读数并记录;

④先断开电键,再断开电键,然后拆除实验装置。整理好实验器材,使其复原。

上述实验操作过程中有一步不妥,请指出并改正:              

24.(14分)

如图所示,质量为、电荷量为的带电小球拴在一不可伸长的绝缘轻细绳一端,绳的另一端固定于点,绳长为点固定一电荷量为的点电荷。现加一个水平向右的匀强电场,小球静止于与竖直方向成角的A点。已知重力加速度为,静电力常量为

(1)求A点处绳对小球的拉力大小;

(2)将小球拉起至与点等高的B点后无初速释放,则

小球经过最低点C时,求绳对小球拉力的大小。

25.(18分)

如图甲所示,是位于竖直平面内的正方形闭合金属线框,金属线框的质量,电阻。在金属线框的下方有一匀强磁场区域,是匀强磁场区域的水平边界,并与线框的边平行,磁场方向与线框平面垂直。时,金属线框由距某一高度处从静止开始下落,到完全穿过匀强磁场区域过程中的图象如图乙所示。设线框下落过程中所受空气阻力恒定,取,求:

(1)金属线框由静止开始下落到完全穿过匀强磁场

区域的位移大小;

(2)磁感应强度的大小;

(3)金属线框在进入匀强磁场区域过程中通过线

框横截面的电荷量;

(4)金属线框在整个下落过程中产生的焦耳热。

26.(15分)某研究性学习小组将一定浓度溶液滴入溶液中得到蓝色沉淀。

甲同学认为两者反应生成只有一种沉淀;

乙同学认为这两者相互促进水解反应,生成一种沉淀;

丙同学认为生成两种沉淀。

(查阅资料知:均不带结晶水)

I.按照乙同学的理解溶液和溶液反应的化学反应方程式为     ;

在探究沉淀物成分前,须将沉淀从溶液中分离并净化。具体操作为①过滤 ②洗涤 ③干燥。

Ⅱ.请用下图所示装置,选择必要的试剂,定性探究生成物的成分。

 

(1)各装置连接顺序为           

(2)装置C中装有试剂的名称是     

(3)能证明生成物中有的实验现象是     

Ⅲ.若两者都有,可通过下列所示装置的连接,进行定量分析来测定其组成。

 

(1)装置C中碱石灰的作用是    ,实验开始时和实验结束时都要通入过量的空气其作用分别是   

(2)若沉淀样品的质量为m克,装置B质量增加了n克,则沉淀中的质量分数为:    

27.(14分)

Ⅰ.A、B、C、D、E均为可溶于水的固体,组成它们的离子有:。分别取它们的水溶液进行实验,结果如下:

①A溶液与B溶液反应生成白色沉淀,沉淀可溶于E溶液;

②A溶液与C溶液反应生成白色沉淀,沉淀可溶于E溶液;

③A溶液与D溶液反应生成白色沉淀,沉淀可溶于盐酸;

④B溶液与适量D溶液反应生成白色沉淀,加入过量D溶液,沉淀量减少,但不消失。

据此推断它们是:A    ;B   ;C   ;D   ;E  

Ⅱ.有一瓶澄清的溶液,其中可能含有中的几种。取该溶液进行以下实验:

(1)用pH试纸检验,表明溶液呈强酸性。

(2)取出部分溶液,加入少量及数滴新制氯水,经振荡层呈紫红色。

(3)另取部分溶液,逐渐向其中加入溶液,使溶液从酸性逐渐变为碱性,在滴加过程中和滴加完毕后,均无沉淀产生。取部分碱性溶液加热,有气体放出,该气体能使湿润的红色石蕊试纸变蓝。

(4)另取部分上述碱性溶液,向其中加入溶液,有白色沉淀生成。

(5)根据上述实验事实确定:①该溶液中肯定存在的离子是   ;②还不能确定是否存在的离子是    

28.(14分)常温下,将某一元酸溶液等体积混合,混合前两种溶液的浓度和混合后所得溶液的如下表(设混合后溶液体积变化忽略不计):

实验编号
物质的量浓度
()
物质的量浓度
()
混合溶液的
















请回答;

(1)仅依据甲组数据分析,的取值范围为      。

(2)从乙组情况分析,是否一定等于     (选填“是”或“否”)。若 为弱酸,计算出该混合溶液达平衡时电离常数的近似值是   (用含代数式表示)。

(3)丙组混合溶液的原因是   ,该组混合溶液中离子浓度的大小关系是  

(4)若把某离子水解的物质的量占某离子总物质的量的百分数叫做“水解度”,依据丁组数据,推知在该条件下的水解度是   ,该溶液中,水电离出的  

29.(12分)植物的光合作用受多种因素的影响。下图甲是在20℃、大气浓度条件下测得的A、B两种植物光合速率随光照强度变化的关系曲线,图乙是A植物在图甲b点的光照强度条件下测得的相关曲线。请据图回答问题:

 

(1)图甲表明,A植株适宜在     的环境中生存,B植株适宜在     的环境中生存。在光照强度小于a时,两株植物中光合速率较高的是    。上述差异是由植物本身的    决定的。

(2)图甲中光照强度为0时,两植株释放的来自于    ,在细胞中参与该生理活动的场所是    。若其他条件不变适当增加浓度,a点的位置将会向   方向移动;若适当增加温度a点的位置将会向   方向移动。由此可以看出影响a点位置变化的主要环境因素是   

(3)图乙中两曲线后段呈下降趋势的原因是    

(4)比较图乙中两曲线可知,饱和浓度下获得最高产量的最适温度比大气浓度下的高,造成这一差异的主要原因是在一定的温度范围内,随浓度和温度的升高,呼吸作用增加的幅度      (“大于”或“小于”)光合作用增加的幅度。

30.(9分)下图为甲种遗传病(基因为A、a)和乙种遗传病(基因为B、b)的家系图。其中乙病为伴性遗传病。请回答以下问题(概率用分数表示)。

 

(1)甲种遗传病的遗传方式为      。

(2)乙种遗传病的遗传方式为     

(3)Ⅰ-2的基因型为    。Ⅱ-4的基因型为    。Ⅲ-14为杂合体的概率是   

(4)如果Ⅲ-11与Ⅲ-13结婚,生男孩表现甲、乙两种遗传病的概率分别是    。如果生女孩表现同时患甲乙两种遗传病的概率是    

31.(7分)在某昆虫种群中,决定翅色为绿色的基因为,决定翅色为褐色的基因为。在某一年初,  该昆虫种群的基因型频率如下:10%,20%,70%,基因的频率为20%。由于绿化使得种群中翅色为绿色的个体每年增加10%,翅色为褐色的个体每年减少10%。请回答下列问题:

(1)在一年后,该昆虫种群中,基因型的频率应该   (增加、减少、不变),基因型的频率应该     (增加、减少、不变),基因的频率为    

(2)能够引起种群基因频率发生改变的因素除了种群内个体的迁入和迁出之外,还有哪些因素?    

32.(11分)下图是生态农业的两种模式,据图回答:

 

(1)农田和果园等人工生态系统食物链单一、自身稳定性差,易受病虫害破坏。增加或延长食物链可以     ,同时还可以生产更多农副产品。

(2)我国古代就已发展出桑基鱼塘生产方式:利用桑叶喂蚕,蚕沙(蚕粪)养鱼,鱼塘泥肥桑、肥田,在桑、稻、蚕、鱼之间形成良性循环。从生态系统的能量流动角度分析,桑基鱼塘能通过       ,提高生产效益。在桑基鱼塘生态系统中生产者除了水稻、桑树之外还有       。

(3)沼气农田立体养殖模式的优点是:实现物质的    和能量的   ,充分利用了流向    的能量。减少    ,减少    ,降低了农业投入,增大了产出。

(4)假设生态农场将生产玉米的1/3作为饲料养鸡,2/3供人食用,生产出的鸡供人食用。现调整为2/3的玉米养鸡,1/3供人食用,生产出的鸡仍供人食用。理论上,该农场供养的人数将会     ,理由是       

试题详情

21.某空间存在着如图甲所示的足够大的、沿水平方向的匀强磁场。在磁场中两个物块叠放在一起(接触面水平),置于光滑水平面上,物块带正电,物块不带电且表面绝缘。在时刻,水平恒力F作用在物块上由静止开始做匀加速运动。在一起向左运动的过程中,以下说法中正确的是(   )

A.图乙可以反映所受洛伦兹力大小随时间

化的关系,图中表示洛伦兹力大小

B.图乙可以反映的摩擦力大小随时间

化的关系,图中表示摩擦力大小

C.图乙可以反映的压力大小随时间变化

的关系,图中表示压力的大小

D.图乙可以反映对地面压力大小随时间变化的关系,图中表示压力的大小

第Ⅱ卷

试题详情

20.如图所示,一轻质弹簧竖直放置,下端固定在水平面上,上端处于位置,当一重球放在弹簧上端静止时,弹簧上端被压缩到位置。现将重球(视为质点)从高于位置的位置沿弹簧中轴线从静止释放,弹簧被重球压缩到最低位置。不计空气阻力,以下关于重球运动过程的不正确说法是(   )

A.重球从运动到过程,弹力和位移大小成正比 

B.重球从运动到过程,加速度先增大后减小至零

C.重球由位置,克服弹簧弹力做的功等于重球

下落至处时重力势能减少量

D.重球在位置处具有的动能小于重球由下落到

减少的重力势能

试题详情

19.如图所示,电阻值,质量的金属棒CD垂直放在光滑水平长直导轨上,导轨间距,且导轨电阻不计,金属棒与导轨接触良好。量程为-的理想电流表串联接在一条导轨上,在导轨左端接有阻值的电阻,量程为-的理想电压表接在电阻R两端,垂直于导轨平面的匀强磁场竖直向下穿过导轨平面。现以水平向右的恒定外力使金属棒向右运动,当金属棒以最大速度在导轨平面上匀速滑动时,观察到电路中的一个电表正好满偏,而另一个电表未满偏,则(   )

A.满偏的电表是电流表    

B.满偏的电表是电压表

C.金属棒的最大速度是 

D.金属棒的最大速度是

试题详情

18.如图所示,传送带与水平地面夹角,以的速度逆时针转动。在传送带上端轻轻地放一个质量的物体(可视为质点),它与传送带间的动摩擦因数,已知传送带AB的长度,设最大静摩擦力与滑动摩擦力相等,则物体从A到B需要的时间为()(   )

A.    B.

C.   D.

试题详情

17.研究表明,月球的密度和地球的密度差不多,当卫星贴近月球表面做匀速圆周运动时,下列哪些物理量的大小跟卫星贴近地球表面做匀速圆周运动时差不多(   )

A.角速度      B.线速度

C.向心加速度   D.向心力

试题详情

16.如图所示,在垂直纸面向里的匀强磁场的边界上,有两个质量和电荷量都相同的正、负离子(不计重力及电荷间相互作用),从点以相同的速度先后射入磁场中,入射方向与边界成角(),则正、负离子在磁场中(   )

A.运动的时间相同        

B.运动轨迹的半径相同

C.重新回到边界时的速度相同 

D.重新回到边界的位置与点的距离相等

试题详情

15.如图所示的空间存在一匀强磁场,其方向为垂直于纸面向里,磁场的右边界为MN。在MN右侧有一位于纸面上的矩形闭合金属线圈边与MN重合。现使线圈以边为轴按图示方向匀速转动(边垂直纸面向外),规定电流方向从为正方向,则正确反映线圈中电流随时间变化规律的是(   )

 

试题详情


同步练习册答案