题目列表(包括答案和解析)

 0  133894  133902  133908  133912  133918  133920  133924  133930  133932  133938  133944  133948  133950  133954  133960  133962  133968  133972  133974  133978  133980  133984  133986  133988  133989  133990  133992  133993  133994  133996  133998  134002  134004  134008  134010  134014  134020  134022  134028  134032  134034  134038  134044  134050  134052  134058  134062  134064  134070  134074  134080  134088  447348 

20.(5分)画出如图所示实物图的电路图.

试题详情

19.(5分)根据图中所示的电路图连接右图中的实物图,要求导线不允许交叉,元件要与电路图对应.

试题详情

18.(5分)把螺口灯泡、开关和保险丝正确地接入家庭电路中去.

试题详情

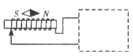
17.(5分)将电磁铁连入你设计的电路中(在方框内完成),要求:使小磁针静止时如图所示.

试题详情

16.(5分)图中小磁针静止在通电螺线管旁,请你在图上标明:

 (1)电源的正负极;

 (2)通电螺线管的N、S极;

 (3)磁感线的方向.

试题详情

15.(5分)已知通电螺线管中的电流方向,标出小磁针的N极.

试题详情

14.(5分)请在图中标出条形磁体的两极.

试题详情

13.(5分)在杠杆上的A点挂一重物,在C点对杠杆施加一个最小的力,使杠杆平衡在图中所示的位置.试画出这个力的示意图和力臂.

试题详情

12.(5分)要想用一个最小的力,推着一个圆筒越过障碍物,试在图上画出此力的作用点和方向.

试题详情

11.(5分)小强想把一货物吊到楼上去,已知货物重1000 N,小强最大的拉力为300 N,如果使用滑轮组,至少需要几个滑轮?如何装配?

试题详情


同步练习册答案