题目列表(包括答案和解析)

 0  136047  136055  136061  136065  136071  136073  136077  136083  136085  136091  136097  136101  136103  136107  136113  136115  136121  136125  136127  136131  136133  136137  136139  136141  136142  136143  136145  136146  136147  136149  136151  136155  136157  136161  136163  136167  136173  136175  136181  136185  136187  136191  136197  136203  136205  136211  136215  136217  136223  136227  136233  136241  447348 

15.(12分)某实验小组利用如图甲所示的实验装置来探究当合外力一定时,物体运动的加速度与其质量之间的关系.

 

(1)由图甲中刻度尺读出两个光电门中心之间的距离s=24cm,由图乙中游标卡尺测得遮光条的宽度d=    cm.该实验小组在做实验时,将滑块从图甲所示位置由静止释放,由数字计时器可以读出遮光条通过光电门1的时间Δt1,遮光条通过光电门2的时间Δt2,则滑块经过光电门1时的瞬时速度的表达式v1=      ,滑块经过光电门2时的瞬时速度的表达式v2 =      ,则滑块的加速度的表达式a=       .(以上表达式均用字母表示)

 

(2)在本次实验中,实验小组通过改变滑块质量总共做了6组实验,得到如下表所示的实验数据.通过分析表中数据后,你得出的结论是            

 

    m(g)
    a( m/s2 )
    250
   2.02
    300
   1.65
    350
   1.33
    400
    1.25
    500
   1.00
    800
   0.63

(3)现需通过图像进一步验证你的结论,请利用表格数据,在坐标系中描点作出相应图像.

试题详情

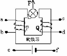
12. 如图所示,软铁芯上绕着两个匝数相同的线圈P和Q,为了使图中通电导线L(其电流方向已在图中标明)受到向下的磁场力F的作用,线圈P、Q的端点a、b和c、d与电源正、负极e、f连接的顺序应是

A. e接a,b接c,d接f

B. e接a,b接d,c接f

C. e接b,a接c,d接f

D.e接b,a接d,c接f

第Ⅱ卷 非选择题(共102分)

试题详情

11.如图所示,垂直纸面的正方形匀强磁场区域内,有一位于纸面的、电阻均匀的正方形导体框abcd,现将导体框分别朝两个方向以v、3v速度匀速拉出磁场,则导体框从两个方向移出磁场的两过程中CD  )

 A.导体框中产生的感应电流方向相同

B.导体框中产生的焦耳热相同

C.导体框ad边两端电势差相同

D.通过导体框截面的电量相同 CD  )

试题详情

10.机车在平直轨道上做匀加速运动,假设运动中所受的阻力始终不变,下列说法正确的是

   A.机车输出功率不变

   B.机车输出功率逐渐减少

   C.在任意两相等时间内,机车动能变化相等

   D.在任意两相等时间内,机车动量变化相等

试题详情

9.如图所示,MN是一负点电荷产生的电场中的一条电场线.一个带正电的粒子(不计重力)从a到b穿越这条电场线的轨迹如图中虚线所示.下列结论正确的是

A.带电粒子从ab过程中动能逐渐减小            

B.负点电荷一定位于M点左侧

C.带电粒子在a点时具有的电势能大于在b点时具有的电势能

D.带电粒子在a点的加速度小于在b点的加速度

试题详情

8.氢原子的核外电子由离原子核较远的轨道跃迁到离核较近的轨道上时,下列说法中正确的是

   A.氢原子的能量增加         B.氢原子的能量减少

   C.氢原子要吸收一定频率的光子    D.氢原子要放出一定频率的光子

试题详情

7.农民在精选谷种时,常用一种叫“风车”的农具进行分选.在同一风力作用下,谷种和瘪谷(空壳)谷粒都从洞口水平飞出,结果谷种和瘪谷落地点不同,自然分开,如图所示.若不计空气阻力,对这一现象,下列分析正确的是

A.谷种飞出洞口时的速度比瘪谷飞出洞口时的速度大些

B.谷种和瘪谷飞出洞口后都做匀变速曲线运动

C.谷种和瘪谷从飞出洞口到落地的时间不相同

D.M处是谷种,N处为瘪谷

试题详情

6. 如图所示电路中,电源电动势为E,线圈L的电阻不计.以下判断正确的是

A.闭合S稳定后,电容器两端电压为E

B.闭合S稳定后,电容器的a极带正电

C.断开S的瞬间,电容器的a极板将带正电

D.断开S的瞬间,电容器的a极板将带负电

试题详情

5.我国未来将建立月球基地,并在绕月轨道上建造空间站.如图所示,关闭动力的航天飞机在月球引力作用下经椭圆轨道向月球靠近,并将与空间站在B处对接.已知空间站绕月轨道半径为r,周期为T,万有引力常量为G,下列说法中正确的是

A.图中航天飞机在飞向B处的过程中,月球引力做正功

B.航天飞机在B处由椭圆轨道可直接进入空间站轨道

C.根据题中条件可以算出月球质量

D.根据题中条件可以算出空间站受到月球引力的大小

试题详情

4.一理想变压器原、副线圈匝数比n1n2=11:5,原线圈

与正弦交变电源连接,输入电压u随时间t的变化规律如图

所示,副线圈仅接入一个10Ω的电阻。则

A.流过电阻的最大电流是20A

B.与电阻并联的电压表的示数是141V

C.变压器的输入功率是1×103W

D.在交流电变化的一个周期内,电阻产生的焦耳热是2×103J

试题详情


同步练习册答案