题目列表(包括答案和解析)

 0  157339  157347  157353  157357  157363  157365  157369  157375  157377  157383  157389  157393  157395  157399  157405  157407  157413  157417  157419  157423  157425  157429  157431  157433  157434  157435  157437  157438  157439  157441  157443  157447  157449  157453  157455  157459  157465  157467  157473  157477  157479  157483  157489  157495  157497  157503  157507  157509  157515  157519  157525  157533  447348 

2.电场强度E

试题详情

1.BA两点的电势差UBA

试题详情

14、如图所示,用长为l的绝缘细线拴一个质量为m带电量为 +q的小球(可视为质点)后悬挂于O点,整个装置处于水平向右的匀强电场E中。将小球拉至使悬线呈水平的位置A后,由静止开始将小球释放,小球从A点开始向下摆动,当悬线转过60°角到达位置B时,速度恰好为零。求:

试题详情

3.根据技术资料可知,如果传感器的电阻变化超过1Ω,则该传感器就失去了作用.实际检测时,将一个电压恒定的电源加在图中a、b之间(该电源电压小于上述所求电压的最大值),闭合开关S,通过调节R0。来改变电路中的电流和R0两端的电压.检测记录如下;

 
电压表示数U/V
电流表示数I/A
第一次
1.48
0.16
第二次
0.91
0.22

若不计检测电路对传感器电阻的影响,通过计算分析,你认为这个传感器是否仍可使用?此时a、b间所加的电压是多少?

试题详情

2.若电路各元件均完好,检测时,为了确保电路各部分的安全,在a、b之间所加的电源电压最大值是多少?

试题详情

1.根据传感器上的标注,计算该传感器的电阻和额定电流.

试题详情

13、10、如图所示为检测某传感器的电路图.传感器上标有“3 V、0.9 W”的字样(传感器可看做一个纯电阻),滑动变阻器上标有“l0Ω、1 A”的字样,电流表的量程为0.6 A,电压表的量程为3 V.

试题详情

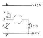
12、图是一个火警报警装置的逻辑电路图。Rt是一个热敏电阻,w*w^w.k&s#5@低温时电阻值很大,高温时电阻值很小,R是一个阻值较小的分压电阻。要做到低温时电铃不响,火警时产生高温,电铃响起。在图中虚线处应接入    门? 为了提高该电路的灵敏度,即报警温度调得稍低些,R的值应      一些(填增大或者减小)?

试题详情

11、如图所示为多用电表的指针在正确测量时的示数,若选择开关旋在直流25V挡,被测电压为_____V;若选择开关旋在500mA挡,被测电流为_______A;若选择开关旋在×100Ω挡,被测电阻为__________。

试题详情

10、多用电表是实验室和生产实验中常用的仪器之一,它具有测量电压、电流及电阻等多种测量功能.如图所示是多用电表的内部电路图,在进行电阻测量时,应将开关S拨到________或________两个位置;若测量电压时只有10V到50V两个量程,在测量时选择50V量程,应将开关S拨到___________位置;若测量电流时只有两个量程,在测量时选择量程,应将开关S拨到__________位置.

试题详情


同步练习册答案