题目列表(包括答案和解析)

 0  163266  163274  163280  163284  163290  163292  163296  163302  163304  163310  163316  163320  163322  163326  163332  163334  163340  163344  163346  163350  163352  163356  163358  163360  163361  163362  163364  163365  163366  163368  163370  163374  163376  163380  163382  163386  163392  163394  163400  163404  163406  163410  163416  163422  163424  163430  163434  163436  163442  163446  163452  163460  447348 

13、如图,沿波的传播方向上有间距均为1米的六个质点,均静止在各自的平衡位置,一列横波以1米/秒的速度水平向右传播,时到达质点开始由平衡位置向上运动,秒时,质点第一次到达最高点,则在4秒<<5秒这段时间内( ).

(A)质点的加速度逐渐增大        (B)质点的速度逐渐增大

(C)质点向下运动            (D)质点f保持静止   

试题详情

12、对于下述四个核反应方程说法中正确的有( ).

能量

(A)①是发现中子的核反应方程   (B)②是链式反应方程

(C)③是核裂变方程,其中x=10    (D)④是α衰变方程,其中Y是质子

试题详情

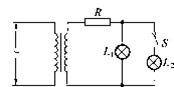
11、如图所示,理想变压器副线圈通过输电线接两个相同的灯泡L1和L2.输电线的等效电阻为R.开始时,电键S断开,当S闭合时,下列说法中正确的是( ).

(A)副线圈两端的输出电压减小 (B)通过灯泡L1的电流减小

(C)原线圈中的电流增大    (D)变压器的输入功率增大

试题详情

10、玻璃杯从同一高度落下,掉在石头上比掉在草地上容易碎,这是由于玻璃杯在与石头的撞击过程中( ).

(A)玻璃杯的动量较大     (B)玻璃杯受到的冲量较大

(C)玻璃杯的动量变化较大   (D)玻璃杯的动量变化较快

试题详情

9、如图所示,在张紧的绳上挂了a、b、c、d四个单摆,四个单摆的摆长关系为lclb=ldla,先让d摆摆动起来(摆角小超过5°),则下列说法中正确的是(   ).

(A)b摆发生振动,其余摆均不动

(B)所有摆均以相同频率振动

(C)所有摆均以相同摆角振动

(D)以上说法均不正确

试题详情

8、如图所示是一双缝干涉实验装置的示意图,其中S为单缝,S1、S2为双缝,P为光屏.实验时用白光从左边照射单缝S,可在光屏P上观察到彩色的下涉条纹.现在S1、S2的左边分别加上红色和蓝色滤光片,则在光屏P上可观察到(     ).

(A)红光和蓝光两套干涉条纹

(B)红、蓝相间的条纹

(C)两种色光相叠加,但不出现干涉条纹

(D)屏的上部为红光,下部为蓝光,不发生叠加

试题详情

7、两列波叠加,在空间出现稳定的干涉图样,下列说法中正确的是(   ).

(A)振动加强的区域内各质点都在波峰上

(B)振动加强区域内各质点都有位移为零的时刻

(C)振动加强是指合振动的振幅变大,振动质点的能量变大

(D)振动加强和减弱区域的质点随波前进

试题详情

6、关于狭义相对论的两个假设,正确的是(   )

(A)在不同的惯性参考系中,物理规律是不同的

(B)在不同的惯性参考系中,力学规律都一样,电磁规律不一样

(C)真空中的光速在不同的惯性参考系中都是相同的

(D)真空中的光速在不同的惯性参考系中是有差别的

试题详情

5、下列说法中不正确的是(   ).

(A)“原子由电子和带正电的物质组成”是通过卢瑟福α粒子散射实验判定的

(B)玻尔理论认为原子只能处在能量不连续的一系列状态

(C)放射性元素的半衰期与温度、压强无关

(D)同一元素的两种同位素,其原子核内的质子数相同而中子数不同

试题详情

4、如图所示为某时刻LC振荡电路中电容器中电场的方向和电流的方向,则下列说法中正确的是(   ).

(A)电容器正在放电

(B)电感线圈的磁场能正在减少

(C)电感线圈中的自感电动势正在阻碍电流的减小

(D)电容器的电场能正在增加

试题详情


同步练习册答案