题目列表(包括答案和解析)

 0  163304  163312  163318  163322  163328  163330  163334  163340  163342  163348  163354  163358  163360  163364  163370  163372  163378  163382  163384  163388  163390  163394  163396  163398  163399  163400  163402  163403  163404  163406  163408  163412  163414  163418  163420  163424  163430  163432  163438  163442  163444  163448  163454  163460  163462  163468  163472  163474  163480  163484  163490  163498  447348 

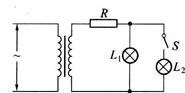
10.如图所示,理想变压器副线圈接两个相同的灯泡L1和L2 。输电线的等效电阻为R 。开始时,电键S断开,当S闭合时,下列说法中错误的是(   )

A.副线圈两端的输出电压减小  

B.通过灯泡L1的电流减小

C.原线圈中的电流增大     

D.变压器的输入功率减小

试题详情

9.理想变压器原、副线圈的匝数比为4:1,原线圈接在u=311sin100πt V的交流电源上,副线圈所接的负载电阻是11Ω,则副线圈中电流大小是(  )

A.5A    B.11A    C.20A    D.55A

试题详情

8.在收音机线路中,经天线接收下来的电信号既有高频成份,又有低频成份,经放大后送到下一级,需要把低频成份和高频成份分开,只让低频成份输送到再下一级,可以采用如图所示电路,其中a、b应选择的元件是(   )

A.a是电容较大的电容器,b是低频扼流圈

B.a是电容较大的电容器,b是高频扼流圈

C.a是电容较小的电容器,b是低频扼流圈

D.a是电容较小的电容器,b是高频扼流圈

试题详情

7. 如图所示为两个互感器,在图中圆圈内a、b

表示电表,已知电压比为100,电流比为10,电压

表的示数为220V,电流表的示数为10A,则(   )

A.   a为电流表,b为电压表  

B.   a为电压表,b为电流表

C.   输送电功率是2200W 

D.   线路输送电功率是2.2×106W

试题详情

6.右图表示一交流电的电流随时间而变化的图像,此交流电流的有效值是(   )

A.A   B.5A    C.A    D.3.5A

试题详情

5.交流发电机在工作时的电动势,如果将其电枢的转速提高一倍,同时将电枢所围面积减小一半,其它条件不变,则其电动势变为(   )

A.          B.

C.          D.

试题详情

4.一交流电流的图象如图所示,由图可知 (   ) 

A.用电流表测该电流其示数为10A 

B.该交流电流的频率为100Hz

C.该交流电流通过10Ω电阻时,电阻消耗的电功率为2000 W

D.该交流电流瞬时值表达式为i=10sin628t A

试题详情

3.如下图所示,属于交流电的是(   )

 

 

试题详情

2.矩形线圈在匀强磁场中匀速转动产生的电动势如图示,则(   )

A.t1时刻线圈通过中性面     

B.t2时刻线圈中磁通量最大

C.t3时刻线圈中磁通量变化率最大 

D.t4时刻线圈中磁通量变化率最大

试题详情

1.关于线圈在匀强磁场中转动产生的交变电流,下列说法中正确的是(   )

A.线圈每经过中性面一次,感应电流方向改变一次,感应电动势方向不变

B.线圈每转动一周,感应电流方向就改变一次

C.线圈平面每经过中性面一次,感应电流和感应电动势方向都要改变一次

D.线圈转动一周,感应电流和感应电动势方向都要改变一次

试题详情


同步练习册答案