题目列表(包括答案和解析)

 0  164667  164675  164681  164685  164691  164693  164697  164703  164705  164711  164717  164721  164723  164727  164733  164735  164741  164745  164747  164751  164753  164757  164759  164761  164762  164763  164765  164766  164767  164769  164771  164775  164777  164781  164783  164787  164793  164795  164801  164805  164807  164811  164817  164823  164825  164831  164835  164837  164843  164847  164853  164861  447348 

15、 (1)如图所示,在“用双缝干涉

     测光的波长”实验中,光具座上放

     置的光学元件依次为①光源、   

     ②______、③______、④______、

     ⑤遮光筒、⑥光屏。

   (2)如果将灯泡换成激光光源,该实验照样可以完成,并测出光波波长,这时可以去掉的部件是      (填数字代号) ;

   (3)转动测量头的手轮,使分划板中心刻线对准第1条亮纹,读下手轮的读数(如下左图所示)。继续转动手轮,使分划板中心刻线对准第10条亮纹,读下手轮的读数(如下右图所示)。则:条纹的间距是      mm ;

      (4)如果已经量得双缝的间距是0.30mm 、双缝和光屏之间的距离是1m ,则待测光的波长是     m (取三位有效数字)。

试题详情

14、 关于双缝干涉实验,若用白光作光源照射双缝,以下说法正确的是(  )     

  A.屏上会出现彩色干涉条纹,因为白光是由波长不同的各种颜色的光组成的

  B.当把双缝中的一条缝用不透光的板遮住时,屏上将出现宽度不同、中间是白色条纹的彩色衍射条纹

  C.将两个缝分别用黄色滤光片和蓝色滤光片遮住时,屏上有亮光,但一定不是干涉条纹

  D.将两个缝分别用黄色滤光片和蓝色滤光片遮住时,屏上无亮光

 二、填空题:

试题详情

13、在双缝干涉实验中,图甲是用绿光进行实验时,屏上观察到的条纹情况,a处为中央亮条纹,图乙是换用另一种颜色的单色光进行实验时,屏上观察到的条纹情况,a处仍为中央亮条纹,则以下说法中正确的是:  (     )

 A.图乙可能是用红光实验产生的条纹,表明红光波长较长

 B.图乙可能是用紫光实验产生的条纹,表明紫光波长较长

 C.图乙可能是用紫光实验产生的条纹,表明紫光波长较短

 D.图乙可能是用红光实验产生的条纹,表明红光波长较短

试题详情

12、 某同学使用激光器作光源,在不透光的挡板上开一条缝宽为0.05mm的窄缝,进行光的衍射实验,如图甲所示.则他在光屏上看到的条纹是下面图乙中的(   )  

 

试题详情

11、 已知光由折射率为的玻璃射向真空,如下图所示的四个图中,其光路图正确的是(    ) 

 

试题详情

10、一束单色光从空气射入玻璃中,则其           (     )

    A.频率不变,波长变长    B.频率变大,波长不变

    C。频率不变,波长变短    D.频率变小,波长不变

试题详情

9、关于对光现象的解释,下列说法中正确的是  (    )

   A.光的偏振现象说明光波是纵波

   B.水面上的油膜呈现彩色是光的衍射现象

   C.光纤导光利用了光的全反射规律

   D.玻璃中的气泡看起来特别明亮是光的干涉现象

试题详情

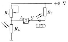
8、 如下图所示的光控电路用发光二极管LED模仿路灯,RG为光敏电阻.

  “”是具有特殊功能的非门,当加在它的输入端 A的电压逐渐上

  升到某个值时,输出端Y会突然从高电平跳到低电平,而当输入端A的电压下降到另一个值

  时,Y会从低电平跳到高电平.在天暗时路灯(发光二极管)会点亮,下列说法中正确的是 

  A.天暗时Y处于高电平                          (    )            

  B.天暗时Y处于低电平

  C.当R1调大时A端的电压降低,灯(发光二极管)点亮

  D.当R1调大时A端的电压降低,灯(发光二极管)熄灭

试题详情

7、  如图所示是霍尔元件的工作原理示意图,如果用d表示薄片的厚度,k为霍尔系数,对于一

  个霍尔元件d、k为定值,如果保持电流I恒定,则可以验证随B的变化情况.以下

  说法中正确的是                                (    )

   A.将永磁体的一个磁极逐渐靠近霍尔元件的工作面时,  将变大

   B.在测定地球两极的磁场强弱时,霍尔元件的工作面应保持水平

   C.在测定地球赤道上的磁场强弱时,霍尔元件的工作面应保持水平

   D.改变磁感线与霍尔元件工作面的夹角,将发生变化

试题详情

5、如图所示,R 1为定值电阻,R 2为负温度系数的热敏电阻(负温 度系数热敏电阻是指阻值随温度的升高而减小的热敏电阻),L

     小灯泡,当温度降低时        (     )      

     A.R 1两端的电压增大     

      B.电流表的示数增大

     C.小灯泡的亮度变强      

     D.小灯泡的亮度变弱

   6、 如图所示是利用硫化镉制成的光敏电阻自动计数的示意图,

     其中A是发光仪器,B是光敏电阻(光照时电阻会变小),

   下列说法中正确的是         (    )

A.当传送带上没有物品挡住由 A射向 B的光信号时,光敏电阻的阻值变小,电压表读数变小

 B.当传送带上没有物品挡住由 A射向 B的光信号时,光敏电阻的阻值变大,电压表读数变大 

 C.当传送带上有物品挡住由A射向B的光信号时,光敏电阻的阻值变小,电压表读数变小

 D.当传送带上有物品挡住由A射向B的光信号时,光敏电阻的阻值变大,电压表读数变大

试题详情


同步练习册答案