题目列表(包括答案和解析)

 0  164774  164782  164788  164792  164798  164800  164804  164810  164812  164818  164824  164828  164830  164834  164840  164842  164848  164852  164854  164858  164860  164864  164866  164868  164869  164870  164872  164873  164874  164876  164878  164882  164884  164888  164890  164894  164900  164902  164908  164912  164914  164918  164924  164930  164932  164938  164942  164944  164950  164954  164960  164968  447348 

15.               

试题详情

13.(1)    (2)          14.                   

试题详情

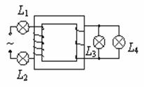
14.如图所示,理想变压器的副线圈上接有两个灯泡L3 、L4,原线圈与两个灯泡L1 、L2串联接在交流电源上.若四个灯泡完全相同,且都正常发光,则变压器原、副线圈的匝数比n1:n2=       , 交流电源两端的电压与灯泡两端的电压之比为        。

惠安四中2009-2010学年第二学期高二物理期中考答题卷

试题详情

13.如图所示,一质量m=0.1kg的金属棒ab可沿接有电阻R=1Ω的足够长的竖直导体框架无摩擦地滑动,框架间距L=50cm,匀强磁场的磁感应强度B=0.4T,方向如图示,其余电阻均不计。若棒ab由静止开始沿框架下落 ,且与框保持良好接触,那么在下落的前一阶段,棒ab将做            运动,当棒ab运动达到稳定状态时的速度v     。(g=10m/s2)

试题详情

12.在“探究变压器线圈两端电压与匝数的关系”的实验中,实验室中备有下列可供选择的器材:

A.可拆变压器(铁芯、两个已知匝数的线圈)   B.条形磁铁  

C.直流电源      D.多用电表       E.开关、导线若干

(1)上述器材在本实验中不必用到的是__________(填器材前的序号);

(2)本实验中还需用到的器材有_______________。

试题详情

12.如图所示,竖直放置的螺线管与导线abcd构成回路,导线所围区域内有一垂直纸面向里的变化的匀强磁场,螺线管下方水平桌面上有一导体圆环。导线abcd所围区域内磁场的磁感强度按图中哪一图线所表示的方式随时间变化时,导体圆环将受到向上的磁场作用力  (   ) 

试题详情

11.电站向远方送电,输送的电功率恒定,若将送电电压提高到原来的K倍,则  (   )

A.输电电流也为原来的K

B.输电导线上损失的电压为原来的1/K

C.输电导线上损失的电功率为原来的K2

D.输电导线上损失的电功率为原来的1/K

试题详情

10.长为a、宽为b的矩形线框有n匝,每匝线圈电阻为R,如图所示,对称轴MN的左侧处在磁感应强度为B的匀强磁场中,第一次将线框从磁场中以速度v匀速拉出;第二次让线框以=2v/b的角速度转过900角。那么  (   ) 

①通过导线横截面的电量q1:q2=1:n ②通过导线横截面的电量q1:q2=1:1

③线框发热功率P1:P2=2n:1   ④ 线框发热功率P1:P2=2:1

A.① ③     B.① ④     C.② ③     D.② ④

试题详情

9.如图两电路中,当a、b两端与e、f两端分别加上110V的交流电压时,测得c、d间与g、h间的电压均为55V。若分别在c、d两端与g、h两端加上55V的交流电压,则a、b间与e、f间的电压分别为  (   ) 

A.110V,110V     B.110V,55V 

C.55V,55V     D.110V,0

试题详情

8.如图所示电路中的变压器为理想变压器,S为单刀双掷开关。P是滑动变阻器R的滑动触头,U1为加在原线圈两端的交变电压,I1、I2分别为原线圈和副线圈中的电流。下列说法错误的是  (   ) 

A.保持P的位置及U1不变,S由b切换到a,则R上消耗的 功率减小

b
 
B.保持P的位置及U1不变,S由a切换到b,则I2减小

C.保持P的位置及U1不变,S由b切换到a,则I1增大

D.保持U1不变,S接在b端,将P向上滑动,则I1增大

试题详情


同步练习册答案