题目列表(包括答案和解析)

 0  166480  166488  166494  166498  166504  166506  166510  166516  166518  166524  166530  166534  166536  166540  166546  166548  166554  166558  166560  166564  166566  166570  166572  166574  166575  166576  166578  166579  166580  166582  166584  166588  166590  166594  166596  166600  166606  166608  166614  166618  166620  166624  166630  166636  166638  166644  166648  166650  166656  166660  166666  166674  447348 

2、如图1所示,带支架的平板小车沿水平面向左做直线运动,小球A用细线悬挂于支架前端,质量为m的物块B始终相对于小车静止地摆放在右端(B与小车平板间的动摩擦因数为)。若经过一段时间稳定后观察到细线偏离竖直方向角,则此时小车对物块B产生的作用力的大小和方向为(    )

A. ,竖直向上;     B. ,斜向左下方;

C. ,水平向右;   D. ,斜向右上方。

试题详情

1、下列叙述中不正确的是(    )

A.英国物理学家牛顿首先发现通电导线周围存在着磁场;

B.英国物理学家法拉第经过多年的实验探索终于发现了电磁感应现象。

C.英国物理学家麦克斯韦从理论研究中发现真空中电磁波的传播速度跟真空中的光速相等。

D.德国物理学家赫兹利用莱顿瓶所做的实验发现了电磁波,证实了麦克斯韦的电磁理论。

试题详情

17、(12分) 如图14所示,一质量为M的平板车B放在光滑水平面上,在其右端放一质量为m的小木块A,m<M,A、B间动摩擦因数为μ,现给A和B以大小相等、方向相反的初速度v0,使A开始向左运动,B开始向右运动,最后A不会滑离B,求:

(1)A、B最后的速度大小和方向.

(2)从地面上看,小木块向左运动到离出发点最远处时,平板车向右运动的位移大小.

江西省高安中学2010--2011学年下学期期中考试

试题详情

16、(12分).如图13所示,相距为d的两平行金属板A、B足够大,板间电压恒为U,有一波长为的细激光束照射到B板中央,使B板发生光电效应,已知普朗克常量为h,金属板B的逸出功为W,电子质量为m,电荷量e,求:

(1)从B板运动到A板所需时间最短的光电子,到达A板时的动能;

(2)光电子从B板运动到A板时所需的最长时间是多少.

(提示:以最短时间到达A板的光电子,是初动能最大且垂直于板面离开B板的光电子,以最长时间到达A板的光电子,是离开B板时的初速度为零或运动方向平行于B板的光电子)

  www.k@s@5@               高#考#资#源#网

图13
 
         

试题详情

15、(10分)如图12所示,AOB是1/4圆柱玻璃砖的截面图,玻璃的折射率为.今有一束平行光线以450的入射角入射到玻璃砖的AO面,这些光线只有一部分能从面射出,并假设凡是射到OB面上的光线全部被吸收,也不考虑OA面的反射作用.试求圆柱AB面上能射出光线的面积占AB表面积的几分之几?

试题详情

14、(8分)在远距离输电时,如果输送一定的功率,当输电电压为220 V时,在输电线上损失的功率为75 kW;若输电电压提高到11000 V时,在输电线上损耗的功率又是多少? 

试题详情

13、(6分)如图11所示是用来验证动量守恒的实验装置,弹性球1用细线悬挂于O点,O点下方桌子的边缘有一竖直立柱.实验时,将球1拉到A点,并使之静止,同时把球2放在立柱上.释放球1,当它摆到悬点正下方时与球2发生对心碰撞.碰后球1向左最高可摆到B点,球2落到水平地面上的C点.测出有关数据即可验证1、2两球碰撞时动量守恒.现已测出A点离水平桌面的高度为aB点离水平桌面的高度为bC点与桌子边缘间的水平距离为c.此外,还需要测量的量是_________、________________、         和_____________________.根据测量的数据,该实验中动量守恒的表达式为_________________________          (2分) .

试题详情

12、(9分)如图10所示,某同学用插针法测定一半圆形玻璃砖的折射率,在平铺的白纸上垂直纸面插大头针P1P2确定入射光线,并让入射光线过圆心O,在玻璃砖(图中实线部分)另一侧垂直纸面插大头针P3,使P3挡住P1P2的像,连接OP3.图中MN为分界面,虚线半圆与玻璃砖对称,BC分别是入射光线、折射光线与圆的交点,ABCD均垂直于法线并分别交法线于AD点.

(1)设AB的长度为l1AO的长度为l2CD的长度为l3DO的长度为l4,为较方便地表示出玻璃砖的折射率,需用刻度尺测量______,则玻璃砖的折射率可表示为______.

(2)该同学在插大头针P3前不小心将玻璃砖以O为圆心顺时针转过一小角度,由此测得玻璃砖的折射率将________(填“偏大”、“偏小”或“不变”).

试题详情

11、(3分)一交变电流随时间变化的图像如图9所示,该交流电的有效值是_______A

试题详情

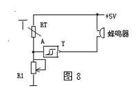
10、如图8所示是温度报警器电路示意图,RT是热敏电阻,R1是滑动变阻器,下列关于对此电路的分析正确的是(    )   

A. 当RT的温度升高时,RT减小,A端电势降低,Y端电势升高,蜂鸣器会发出报警声

B. 当RT的温度升高时,RT减小,A端电势升高,Y端电势降低,蜂鸣器会发出报警声

C. 当增大R1时,A端电势升高,Y端电势降低,蜂鸣器会发出报警声

D. 当增大R1时,A端电势降低,Y端电势升高,蜂鸣器会发出报警声

第二卷(非选择题  共60分)

试题详情


同步练习册答案