题目列表(包括答案和解析)

 0  167231  167239  167245  167249  167255  167257  167261  167267  167269  167275  167281  167285  167287  167291  167297  167299  167305  167309  167311  167315  167317  167321  167323  167325  167326  167327  167329  167330  167331  167333  167335  167339  167341  167345  167347  167351  167357  167359  167365  167369  167371  167375  167381  167387  167389  167395  167399  167401  167407  167411  167417  167425  447348 

7.如图甲所示,abcd为导体做成的框架,其平面与水平面成θ角。质量为m的导体棒PQ与ad、bc接触良好,回路的总电阻为R。整个装置放在垂直于框架平面的变化磁场中,磁场的磁感应强度B随时间t变化情况如图乙所示(设图甲中B的方向为正方向)。若PQ始终静止,关于PQ与框架间的摩擦力在 0-t1时间内的变化情况,有如下判断

甲            乙

(A)一直增大        (B)一直减小

(C)先减小后增大      (D)先增大后减小

试题详情

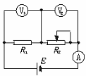
6.如图所示,R1为定值电阻,R2为滑动变电阻器,电源E内阻不计。现有如下判断

(A)当R2为定值时,电压表V1的示数与电流表A的示数之比为R1

(b)当R2为定值时,电压表V2的示数与电流表A的示数之比为 R1

(C)当R2的阻值发生变化时,电压表V2示数变化的数值与电流表A示数变化的数值之比为R1

(D)当R2的阻值发生变化时,电压表V1示数变化的数值与电流表A示数变化的数值之比为R1

试题详情

5.如图所示,输入电压UAB=200 V,变阻器R1标有“150 Ω、3 A”字样,负载电阻R2标有“50 Ω、2 A”字样,在电路允许的情况下,则输出电压Uab

(A)最大值为200 V,最小值为0

(B)最大值为100 V,最小值为0

(C)最大值为200 V,最小值为75 V

(D)最大值为100 V,最小值为75 V

试题详情

4.如图所示,实线表示在竖直平面内匀强电场的电场线,电场线与水平方向成α角,水平方向的匀强磁场与电场正交,有一带电液滴沿斜向上的虚线l做直线运动,l与水平方向成β角,且α>β,则下列说法中错误的是

(A)液滴一定做匀速直线运动

(B)液滴一定带正电

(C)电场线方向一定斜向上

(D)液滴有可能做匀变速直线运动

试题详情

3.下列说法中正确的是

(A)光导纤维是利用光的全反射现象

(B)雨后天空的彩虹是光的色散现象

(C)根据经典电磁理论可知,原子十分稳定,原子光谱是线状光谱

(D)光电效应表明光具有粒子性,从而否定了光的波动性

试题详情

2.我国是世界上能够发射地球同步卫星的少数国家之一,关于同步卫星正确的说法是

(A)可以定点在南京上空

(B)运动周期与地球自转周期相同的卫星肯定是同步卫星

(C)同步卫星内的仪器处于超重状态

(D)同步卫星轨道平面与赤道平面重合

试题详情

1.光子的能量为hν动量的大小为,如果一个静止的放射性元素的原子核在发生γ衰变时只发出一个γ光子,则衰变后的原子核

(A)仍然静止

(B)沿着与光子运动方向相同的方向运动

(C)沿着与光子运动方向相反的方向运动

(D)可能向任何方向运动

试题详情

9.给你下列器材:待测直流电源1个(电动势未知,内电阻约为几欧);电阻箱1个;开关1个;电流表和电压表各1个,两个电表的表盘均有刻度但无刻度值,且两电表量程均符合要求;另有导线若干条。

(1)(4分)请从上述器材中选出你认为必需的器材,设计一个电路测定待测电源的内电阻,画出电路图。

(2)(6分)简要写出完成接线后的实验操作方案。

(3)(4分)推导出用你所测出的物理量计算电源内电阻的表达式。

(4)(6分)根据你设计的电路,为了提高电源内电阻的测量精确度,你对电流表、电压表的内电阻有何要求?对从电阻箱中选用的测量电阻值有何要求?(只要求写出结论,不要求写出分析过程)

试题详情

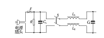
8.在彩色电视机的电源输入端装有电源滤波器,其电路图如下图所示。主要元件是两个电感线圈L1、L2,它们的自感系数很大,F是保险丝,R是灵敏电阻(正常情况下阻值很大,但电压超过设定值时,阻值会迅速变小,可以保护与其并联的元件),C1、C2是电容器,S为电视机开关。某一次用户没有先关电视(即没断开S)就拔掉电源插头,结果烧坏了图中电路元件,可能被烧坏的元件是:

(A)C2      (B)C1     (C)L1或L2     (D)F

试题详情

7.如图所示,S1S2是两个相干波源,它们振动同步且振

幅相同。实线和虚线分别表示在某一时刻它们所发出的波的

波峰和波谷。关于图中所标的abcd四点,下列说法

中正确的有

A.该时刻a质点振动最弱,bc质点振动最强,d质点振

动既不是最强也不是最弱

B.该时刻a质点振动最弱,bcd质点振动都最强

C.a质点的振动始终是最弱的, bcd质点的振动始终是最强的

D.再过T/4后的时刻abc三个质点都将处于各自的平衡位置,因此振动最弱

试题详情


同步练习册答案