题目列表(包括答案和解析)

 0  167760  167768  167774  167778  167784  167786  167790  167796  167798  167804  167810  167814  167816  167820  167826  167828  167834  167838  167840  167844  167846  167850  167852  167854  167855  167856  167858  167859  167860  167862  167864  167868  167870  167874  167876  167880  167886  167888  167894  167898  167900  167904  167910  167916  167918  167924  167928  167930  167936  167940  167946  167954  447348 

13.(6分)在某次双缝干涉实验中,如图10-8所示,Q处是中央亮纹P往上数的第二条暗纹,已知发来的两束相干光到Q处的路程差是,则实验所用的单色光的频率是___________Hz,第二条亮纹到两缝的路程差为___________m。

试题详情

12.(7分)一艘宇宙飞船飞近某一新发现的行星并进入靠近该行星表面的圆形轨道绕行数圈后,着陆在该行星上,飞船上备有以下实验器材,

 A.精确秒表一只

 B.已知质量为m的物体

 C.弹簧秤一个

 D.天平一台(附砝码)

 已知宇航员在绕行时及着陆后各作了一次测量,依据测量数据,可求出该星球的半径R及星球的质量M(已知万有引力常量为G)

 (1)两次测量所选用的器材分别为___________(用字母表示);

 (2)两次测量的物理量分别是:___________、___________;

 (3)用该数据写出半径R、质量M的表达式,R=_____________M=____________。

试题详情

11.(6分)如图10-7所示是磁流量计示意图。在非磁性材料做成的圆管道外加一匀强磁场时,小灯光就会发光。如果导电液体流过磁场区域能使额定电压为U=3.0V的小灯泡正常发光。已知磁感应强度B=0.20T,圆管的直径d=0.10m,导电液体的电阻忽略不计,导电液体充满圆管流过,则管中液体的流量的表达式Q=___________,其数值为

试题详情

10.如图10-6所示,带正电q、质量为m的滑块,沿固定绝缘斜面匀速下滑,现加一竖直向上的匀强电场,电场强度为E,且qE≤mg,以下判断中正确的是(   )

 A.物体将沿斜面减速下滑

 B.物体将沿斜面加速下滑

 C.物体仍保持匀速下滑

 D.仅当qE=mg时,物体继续保持匀速下滑

第Ⅱ卷(非选择题  共110分)

试题详情

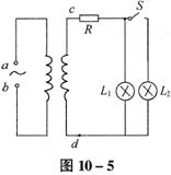
9.如图10-5所示,理想变压器原线圈a、b两端接正弦式电压,副线圈c、d两端通过输电线接两只相同的灯泡,输电线的等效电阻为R,在图示状态,开关S是闭合的,当开关S断开时,下列各量中减小的是(   )

 A.副线圈c、d两端的输出电压

 B.通过灯泡的电流

 C.副线圈输电线等效电阻R上的电压

 D.原线圈a、b两端的电压

试题详情

8.如图10-4,真空中有一个半径为R,质量分布均匀的玻璃球,频率为v的细激光束在真空中沿直线BC传播,并于玻璃球表面的C点经折射进入玻璃球,并在玻璃球表面的D点又经折射进入真空中,已知∠COD=120°。玻璃球对该激光的折射率为,则下列说法中正确的是(   )

 A.一个光子在穿过玻璃球的过程中能量逐渐变小

 B.此激光束在玻璃球中穿越的时间为(其中C为真空中的光速)

 C.改变入射角α的大小,细激光束可能在玻璃球的内表面发生全反射

 D.激光束的入射角α=45°

试题详情

7.如图10-3所示的正方形线框abcd,边长为L(L<d),质量为m,电阻为R,将线框在磁场上方高为h处由静止释放,当ab边刚进入磁场时速度为,ab边刚出磁场时速度也为,在线框穿过磁场的过程中,有(   )

 A.感应电流做的功为mgd

 B.感应电流做的功为2mgd

 C.线框最小速度为

 D.线框最小速度为

试题详情

6.关电磁波谱,下列说法中正确的是(   )

 A.电磁波谱中最容易表现出干涉、衍射现象的是无线电波

 B.红外线、可见光、紫外线是原子外层电子受激发后产生的

 C.伦琴射线和γ射线是原子外层电子受激发后产生的

 D.红外线的显著作用是热作用,温度较低的物体不能辐射红外线

试题详情

5.一只钢球在足够深的油槽中由静止开始下沉,若油对钢球的运动阻力与速度成正比,则钢球的(   )

 A.动能先增加,后不变     B.动能一直增加

 C.机械能先增加后不变     D.机械能一直减小

试题详情

4.如图10-2所示是一列简谐横波沿x轴传播时某时刻的波形图象,质点P在该时刻的速度为v,经0.1s该质点的速度仍为v,再经0.1s该质点的速度大小等于v的大小而方向与v的方向相反,关于波的传播方向与波速,下述正确的是(   )

 A.波沿x轴方向传播,波速为20m/s

 B.波沿x轴方向传播,波速为30m/s

 C.波沿-x轴方向传播,波速为10m/s

 D.波沿-x轴方向传播,波速为20m/s

试题详情


同步练习册答案