题目列表(包括答案和解析)

 0  167827  167835  167841  167845  167851  167853  167857  167863  167865  167871  167877  167881  167883  167887  167893  167895  167901  167905  167907  167911  167913  167917  167919  167921  167922  167923  167925  167926  167927  167929  167931  167935  167937  167941  167943  167947  167953  167955  167961  167965  167967  167971  167977  167983  167985  167991  167995  167997  168003  168007  168013  168021  447348 

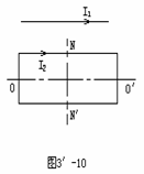
3.如图所示,一根通有电流I1的长直导线在通有电流

I2的矩形线圈的平面内,导线固定,线圈将会出现下

列哪种运动?

A.向着导线转动;  B.向着导线平动;

C.绕轴OO′转动;  D.绕轴NN′转动

试题详情

2.如图12-15所示,一金属直杆MN两端接有导线,悬挂于线圈上方,MN与线圈轴线均处于竖直平面内,为使MN垂直纸面向外运动,可以  [   ]

A.将a、c端接在电源正极,b、d端接在电源负极

B.将b、d端接在电源正极,a、c端接在电源负极

C.将a、d端接在电源正极,b、c端接在电源负极

D.将a、c端接在交流电源的一端,b、d接在交流电源的另一端

试题详情

1.一根通有电流I的直铜棒用软导线挂在如图12-14所示匀强磁场中,此时悬线中的张力大于零而小于铜棒的重力.欲使悬线中张力为零,可采用的方法有  [   ]

A.适当增大电流,方向不变

B.适当减小电流,并使它反向

C.电流大小、方向不变,适当增强磁场

D.使原电流反向,并适当减弱磁场

试题详情

8.如图11所示,一段铜导线弯成∏型,其质量为m,上面一段长为L,处在匀强磁场B中。导线下面两端分别插在两只水银杯中,两杯与一带开关的内阻很小的电源相连。当S接通时,导线便从水银杯中跃起,上升高度为h,求通过导体的电量。

 

课外练习

试题详情

7.如图10所示,宽为L的框架和水平面的夹角为α,处于磁感应强度为B的匀强磁场中,磁场的方向垂直于框架平面。导体棒ab的质量为m,置于金属框架上时向下匀加速滑动,导体棒与框架间的最大静摩擦力为f。为使导体棒静止在框架上,将电动势为E的电源接入电路中,框架与导体棒的电阻不计,求需要接入的滑动变阻器的阻值范围。

 

试题详情

6.如图9所示,质量为m、长度为L的导体棒MN静止

在水平轨道上,通过MN的电流为I,匀强磁场的磁感应

强度为B,其方向与轨道平面成θ角斜向上,则MN受到的

支持力的大小为_____________,摩擦力的大小为___________。

试题详情

5.如图8所示,铁棒ab的质量为m=2×10-2Kg,

长L=0.1m,在B=0.11T的匀强磁场中能在水平轨

道上无摩擦地滑动。当通过他的电流I=10A时,

铁棒运动的加速度大小为____,方向是_____。

试题详情

4.如图4所示,长60cm、质量60g的粗细均匀的金属棒,两端用相同的轻弹簧挂起,处于一方向垂直于纸面向里的匀强磁场中,磁感应强度为0.4T。求:

(1)要使弹簧恢复原长,金属棒中应通入怎样大小和方向的电流?

(2)若在金属棒中应通入大小为0.2A自左向右的电流时,弹簧伸长1mm,若在金属棒中应通入大小为0.2A自右向左的电流时,弹簧伸长是多少?

 

试题详情

3.如图2所示,两根直导线互相垂直,但相隔一小段距离,期中一条MN是固定的,另一条PQ能自由转动当通以如图所示的电流时,导线PQ将如何转动:

A、顺时针方向转动,同时靠近导线MN;

B、顺时针方向转动,同时离开导线MN;

C、逆时针方向转动,同时靠近导线MN;

D、逆时针方向转动,同时离开导线MN。

试题详情

2.如图7所示,在倾角为α的绝缘光滑斜面上,放一根通电

直导线。当加上下述磁场后,可能使导线静止在斜面上的是(  )

A、竖直向下的匀强磁场;

B、垂直斜面向下的匀强磁场;

C、水平向左的匀强磁场;

D、沿斜面向下的匀强磁场。

试题详情


同步练习册答案