题目列表(包括答案和解析)

 0  168048  168056  168062  168066  168072  168074  168078  168084  168086  168092  168098  168102  168104  168108  168114  168116  168122  168126  168128  168132  168134  168138  168140  168142  168143  168144  168146  168147  168148  168150  168152  168156  168158  168162  168164  168168  168174  168176  168182  168186  168188  168192  168198  168204  168206  168212  168216  168218  168224  168228  168234  168242  447348 

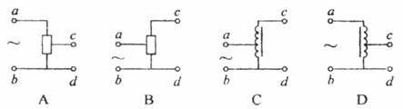
21. 如下图所示,ab 为交流电源的输入端,cd 为输出端,则输出电压大于输入电压的电路是                                   

试题详情

20. 甲、乙两种单色光分别垂直于界面由空气射入厚玻璃砖中,已知它们在玻璃砖中通过的时间 ,那么两种单色光的光子的能量关系是

A.     B.     C.     D. 无法确定

试题详情

19. 在地球赤道地区,宇宙射线中一颗带负电的粒子竖直射向地面,它受到地球的磁场力方向为

A. 向东    B. 向西    C. 向南    D. 向北

试题详情

18. 如右图所示,将悬线拉至水平位置无初速释放,当小球到达最低点时, 细线被一与悬点在同一竖直线上的光滑小钉子 B 挡住,对悬线被钉子挡住的前后瞬间进行比较(不计空气阻力,且细线未断),则

A. 小球的机械能不变   B. 小球的动能减小

C. 悬线的张力变小    D. 小球的向心加速度变小

试题详情

17. 用显微镜观察放在水中的花粉微粒的布朗运动,并追踪花粉微粒,每隔 30s 记下花粉微粒的位置,然后用线段依次连接这些位置点,如右图所示,则

A. 图中花粉微粒位置点的连线就是花粉微粒无规则运动的径迹

B. 图中花粉微粒位置点的连线就是水分子无规则运动的径迹

C. 此图说明了花粉分子的无规则运动

D. 花粉微粒的布朗运动是水分子无规则运动对花粉微粒碰撞造成的

试题详情

16. 1956年,李政道和杨振宁提出在弱相互作用中宇称不守恒,并由吴健雄用放射源进行了实验验证。次年李、杨两人为此获得诺贝尔物理学奖。的衰变方程是:其中是反中微子,它的电荷为零,静止质量可认为是零,则衰变产物的质量数和核电荷数分别为

A. 60,28    B. 60,26    C. 59,26    D. 59,28

试题详情

20.(15分)如图16(a)所示,两平行金属板M、N间距离为d,板上有两个正对的小孔A和B.在两板间加如图16(b)所示的交变电压,t=0时,N板电势高于M板电势.这时,有一质量为m、带电量为q的正离子(重力不计),经U=U0/3的电压加速后从A孔射入两板间,经过两个周期恰从B孔射出.求交变电压周期的可能值并画出不同周期下离子在两板间运动的v-t图线.

试题详情

19.(14分)一组太空人乘坐穿梭机,前往修理位于离地球表面6.0×105m的圆形轨道上的哈勃太空望远镜H。机组人员使穿梭机S进入与H相同的轨道并关闭推动火箭,而望远镜H则在穿梭机前方数公里处,如图15所示。设F为引力常数,而M为地球质量。已知:地球半径=6.4×106m。

(1)在穿梭机内,一质量为70kg的太空人的视重是多少?           图15

(2)计算穿梭机在轨道上的速率。

(3)证明穿梭机总机械能跟-1/r成正比,r为它的轨道半径.(注:若力F与位移r之间有如下的关系:F=K/r2,K为常数,则当r由∞处变为零,F做功的大小可用以下规律进行计算:W=K/r,设∞处的势能为零。)

(4)穿梭机须首先螺旋进入半径较小的轨道,才有较大的角速率以超前望远镜H。用上面的结果判断穿梭机要进入较低轨道时应增加还是减少其原有速率,解释你的答案。

试题详情

18.(13分)如图14所示,在xoy平面内有垂直坐标平面的范围足够大的匀强磁场,磁感强度为B,一带正电荷量Q的粒子,质量为m,从O点以某一初速度垂直射入磁场,其轨迹与xy轴的交点ABO点的距离分别为ab,试求:

(1)初速度方向与x轴夹角θ

(2)初速度的大小.

图14

试题详情

16.(12分)如图12所示,MN是水与空气的界面,一点光源S在水面以下深1.0m处,现有两条光线SA与SB射向水面,水面以上为空气.已知∠OSA=37°,∠OSB=53°.水的折射率为n=4/3.(sin37°=0.60,sin53°=0.80,arcsin(3/4)=48°36′)

图12

(1)用作图法画出光线SA和SB的反射光线及其反向延长线与SO连线上的交点位置.   (2)求反射光线的反向延长线与SO连线上交点S1与O点的距离S1O.   (3)求折射光线的反向延长线与SO连线上交点S2与O点的距离S2O.  17.(13分)某种喷雾器贮液筒的总容积为7.5L,如图13所示,现打开密封盖,装入6L的药液,与贮液筒相连的活塞式打气筒,每次能压入300cm3、1atm的空气,若以上过程温度都保持不变,则

 (1)要使贮气筒中空气压强达到4atm,打气筒应该拉压几次?  (2)在贮气筒内气体压强达4atm,才打开喷嘴使其喷雾,直至内外气体压强相等,这时筒内还剩多少药液?

图13

试题详情


同步练习册答案