题目列表(包括答案和解析)

 0  168134  168142  168148  168152  168158  168160  168164  168170  168172  168178  168184  168188  168190  168194  168200  168202  168208  168212  168214  168218  168220  168224  168226  168228  168229  168230  168232  168233  168234  168236  168238  168242  168244  168248  168250  168254  168260  168262  168268  168272  168274  168278  168284  168290  168292  168298  168302  168304  168310  168314  168320  168328  447348 

13.一个标有“4V,0.7A“的小电珠,现要测定其伏安特性曲线,可供选择的器材有(   )

    A.电源E1=6V          B.电源E2=3V              

    C.电源E3=0.9V         D.变阻器R1(0~50Ω)       

    E.变阻器R2(0~200Ω) F.变阻器R3(0~500Ω)

实验中,电源应选       ;变阻器应选       ,画出实验电路图。

试题详情

12.多用表在测量时的指针位置如图所示,当转换开关

分别置于a、b、c、d档时,多用表的读数分别是

a档时读数是        

b档时读数是        

c档时读数是        

d档时读数是        

试题详情

11.如图所示,是测定液面高低的传感器示意图,A为固定的

导体芯,B为导体芯外面的一层绝缘物体,C为导电液体,

把传感器接到图示电路中。已知灵敏电流计指针偏转方向

与电流方向相同。如果发现指针正向左偏转,则导电液体

  的深度h的变化是             

试题详情

9.如图所示,厚壁容器一端通过胶塞插进一支灵敏温度计和一根气针;另一端有可移动的

  胶塞(用卡子卡住),用打气筒慢慢向容器内打气,增大容器内的压强。当容器内压强增

  到一定程度时,打开卡子,在气体把胶塞推出的过程中                   (   )

      A.温度计示数升高

    B.气体内能增加

    C.气体内能不变

    D.气体内能减小

  10.如图所示,闭合小金属环从高h的光滑曲面上端无

初速滚下,又沿曲面的另一侧上升(   )

    A.若是匀强磁场,环在左侧滚上的高度小于h

    B.若是匀强磁场,环在左侧滚上的高度等于h

    C.若是非匀强磁场,环在左侧滚上的高度等于h

    D.若是非匀强磁场,环在左侧滚上的高度小于h

第Ⅱ卷(非选择题  共60分)

  二、本题共3小题,其中11、12题各4分,13题7分,共15分。

试题详情

8.如图AB是某电场中的一条电场线,若将正点电荷从A点自由释放,沿电场线从A到B

  运动过程中的速度图线如下图所示,则A、B两点场强大小和电势高低关系是  (   )

      A.

    B.

    C.

    D.

试题详情

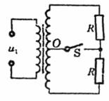
7.一理想变压器,如图所示,O为副线圈中心抽出的线头,电路中两个电阻的阻值相同,

  开关S闭合前后,原线圈通过的电流分别是

    I1和I2,则I1:I2为       (   )

    A.1:1

    B.2:1

    C.1:2

    D.4:1

试题详情

6.氢原子发出a、b两种频率的光,经三棱镜折射后的光路如图所示,若a光是由能级n=4

    向n=1跃迁时发出的,则b光可能是                                 (   )

    A.从能级n=5向n=2跃迁时发出的

    B.从能级n=3向n=1跃迁时发出的

    C.从能级n=5向n=1跃迁时发出的

    D.从能级n=3向n=2跃迁时发出的

试题详情

5.如图所示,一带电小球从两竖直的带等量异种电荷的平行板上方h处自由落下,两板间

    还存在匀强磁场,方向垂直纸面向里,

 带电小球通过正交的电磁场时(   )

    A.可能做匀速直线运动

    B.可能做匀加速直线运动

    C.可能做曲线运动

    D.一定做曲线运动

试题详情

4.穿过一个电阻为1Ω的单匝闭合金属框的磁通量,每秒钟均匀减少2Wb,则线圈中(   )

    A.感应电动势每秒增加2V

    B.感应电动势和感应电流均不变

    C.感应电流每秒减少2A

    D.感应电动势每秒减少2V

试题详情

3.用单色光做杨氏双缝干涉实验时,若把其中一缝遮住,则屏上              (   )

    A.呈现跟原来完全相同的条纹

    B.呈现明暗相间的条纹,中央亮条纹较宽较亮

    C.呈现跟原来相同的条纹,但亮度减半

    D.没有条纹

试题详情


同步练习册答案