题目列表(包括答案和解析)

 0  168187  168195  168201  168205  168211  168213  168217  168223  168225  168231  168237  168241  168243  168247  168253  168255  168261  168265  168267  168271  168273  168277  168279  168281  168282  168283  168285  168286  168287  168289  168291  168295  168297  168301  168303  168307  168313  168315  168321  168325  168327  168331  168337  168343  168345  168351  168355  168357  168363  168367  168373  168381  447348 

13.(12分)离地面高度为1470 m处一架飞机以360 km/h的速度水平飞行,已知投下的物体在离开飞机10 s后降落伞张开,即做匀速运动,为了将物体投到地面某处,求应该在离开该地水平距离多远处开始投下.(假设水平方向的运动不受降落伞的影响,g=10 m/s2)

试题详情

12.如图1-4-5所示,将一小球以10 m/s的速度水平抛出,落地时的速度方向与水平方向的夹角恰为45 °,不计空气阻力,则小球抛出点离地面的高度为_______,飞行的水平距离是_______.(g取10 m/s2) 

图1-4-5

试题详情

11.在一次“飞车过黄河”的表演中,汽车在空中飞经最高点后在对岸着地.已知汽车从最高点至着地点经历时间约为0.8 s,两点间水平距离为30 m,忽略空气阻力,则汽车在最高点时速度约为_______ m/s. 

试题详情

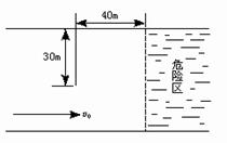
10.有一小船正在渡河,如图1-4-4所示,在离对岸30 m时,其下游40 m处有一危险水域.假若水流速度为5 m/s,为了使小船在危险水域之前到达对岸,那么,小船从现在起相对于静水的最小速度应是_______. 

图1-4-4

试题详情

9.以20 m/s的初速度将一物体由足够高的某处水平抛出,当它的竖直速度跟水平速度相等时经历的时间为_______;这时物体的速度方向与水平方向的夹角θ为_______;这段时间内物体的位移大小为_______.(g取10 m/s2)

试题详情

8.如图1-4-3所示,从倾角为θ的斜面上的M点水平抛出一个小球,小球的初速度为v0,最后小球落在斜面上的N点,则 

图1-4-3

A.可求M、N之间的距离 

B.可求小球落到N点时速度的大小和方向 

C.可求小球到达N点时的动能 

D.可以断定,当小球速度方向与斜面平行时,小球与斜面间的距离最大

试题详情

7.(2000年全国高考试题)图1-4-2为一空间探测器的示意图,P1P2P3P4是四个喷气发动机,P1P3的连线与空间一固定坐标系的x轴平行,P2P4的连线与y轴平行,每台发动机开动时,都能向探测器提供推力,但不会使探测器转动.开始时,探测器以恒定的速率v0向正x方向平动.要使探测器改为向正x偏负y 60 °的方向以原来的速率v0平动,则可

图1-4-2

A.先开动P1适当时间,再开动P4适当时间 

B.先开动P3适当时间,再开动P2适当时间 

C.开动P4适当时间 

D.先开动P3适当时间,再开动P4适当时间

试题详情

6.一条船沿垂直河岸的方向航行,它在静水中航行速度大小一定,当船行驶到河中心时,河水流速突然增大,这使得该船

A.渡河时间增大                             B.到达对岸时的速度增大 

C.渡河通过的路程增大                     D.渡河通过的路程比位移大

试题详情

5.对平抛运动的物体,若g已知,再给出下列哪组条件,可确定其初速度大小

A.水平位移                                 B.下落高度 

C.落地时速度的大小和方向                 D.落地时位移的大小和方向

试题详情

4.如图1-4-1所示,小球ab的质量分别是m和2ma从倾角为30°的光滑固定斜面的顶端无初速下滑,b从斜面等高处以初速度v0平抛,比较ab落地的运动过程有 

A.所用的时间相同 

B.ab都做匀变速运动 

C.落地前的速度相同 

D.重力对ab做的功相同

试题详情


同步练习册答案