题目列表(包括答案和解析)

 0  168475  168483  168489  168493  168499  168501  168505  168511  168513  168519  168525  168529  168531  168535  168541  168543  168549  168553  168555  168559  168561  168565  168567  168569  168570  168571  168573  168574  168575  168577  168579  168583  168585  168589  168591  168595  168601  168603  168609  168613  168615  168619  168625  168631  168633  168639  168643  168645  168651  168655  168661  168669  447348 

22.(12分)间距为l的水平平行金属导轨间存在竖直向下的匀强磁场,磁感应强度为B0,导轨足够长且电阻不计。完全相同的两根金属杆abcd质量均为m、电阻均为R,静止放在导轨上,间距也为lt=0时刻起,cd杆的外力作用下开始向右匀加速直线运动,加速度大小保持at1时刻,ab杆开始运动。求:

1)认为导轨与金属杆之间最大静摩擦力约等于滑动摩擦力,则最大静摩擦力多大?

2)t1时刻外力的功率多大?

3)若在t=0时刻起,BB0开始随时间变化,可保持金属杆中没有感应电流,求出B随时间变化关系。

试题详情

21.(12分)当物体从高空下落时,所受阻力会随物体的速度增大而增大,因此经过下落一段距离后将匀速下落,这个速度称为此物体下落的收尾速度。研究发现,在相同环境条件下,球形物体的收尾速度仅与球的半径和质量有关.下表是某次研究的实验数据

小球编号
A
B
C
D
E
小球的半径(×103m)
0.5
0.5
1.5
2
2.5
小球的质量(×106kg)
2
5
45
40
100
小球的收尾速度(m/s)
16
40
40
20
32

(1)根据表中的数据,求出B球与C球在达到终极速度时所受阻力之比.

(2)根据表中的数据,归纳出球型物体所受阻力f与球的速度大小及球的半径的关系(写出有关表达式、并求出比例系数).

(3)现将C号和D号小球用轻质细线连接,若它们在下落时所受阻力与单独下落时的规律相同.让它们同时从足够高的同一高度下落,试求出它们的收尾速度;并判断它们落地的顺序(不需要写出判断理由).

试题详情

20.(12分)一足够高的直立气缸上端开口,用一个厚度不计的活塞封闭了一段高为80cm的气柱,活塞的横截面积为0.01m2,活塞与气缸间的摩擦不计,气缸侧壁通过一个支口与U形管相连,支口离气缸底部的高度为70cm,支口内及U形管内的气体体积忽略不计。已知图示状态时气体的温度为7℃,U形管内水银面的高度差h1为5cm,大气压强p0=1.0×105Pa保持不变,水银的密度ρ=13.6×103kg/m3。求:

(1)活塞的重力

(2)现在活塞上添加沙粒,同时对气缸内的气体加热,始终保持活塞的高度不变,此过程缓慢进行,当气体的温度升高到37℃时,U形管内水银面的高度差变为多少?

(3)保持上题中的沙粒质量不变,让气缸内的气体逐渐冷却,那么当气体的温度至少降为多少时,U形管内的水银面变为一样高?

试题详情

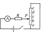
19.(6分)两实验小组使用相同规格的元件,按右图电路进行测量.他们将滑动变阻器的滑片P分别置于a、b、c、d、e五个间距相同的位置(a、e为滑动变阻器的两个端点),把相应的电流表示数记录在表一、表二中.对比两组数据,发现电流表示数的变化趋势不同.经检查,发现其中一个实验组使用的滑动变阻器发生断路.

(1)滑动变阻器发生断路的是第___实验组;断路发生在滑动变阻器__段.

表一(第一实验组)
P的位置
a
b
c
d
e
 
A的示数(A)
0.84
0.48
0.42
0.48
0.84
 
表二(第二实验组)
P的位置
a
b
c
d
X
e
A的示数(A)
0.84
0.42
0.28
0.21
 
0.84

(2)表二中,对应滑片P在X(d、e之间的某一点) 处的电流表示数的可能值为:

(A)0.16A                 (B)0.26A

(C)0.36A                 (D)0.46A

五:(60分)计算题

试题详情

18.(6分)一根长为1m的均匀电阻丝需与一“10V,5W”的灯同时工作,电源电压恒为100V,电阻丝阻值R=100Ω(其阻值不随温度变化).现利用分压电路从电阻丝上获取电能,使灯正常工作.(1)在右面方框中完成所需电路;(2)电路中电流表的量程应选择       (选填:“0-0.6A”或“0-3A”);(3)灯正常工作时,与其并联的电阻丝长度为       m(计算时保留小数点后二位).

试题详情

17.(8分)电吉他是利用电磁感应原理工作的一种乐器。如图a所示为电吉他的拾音器的原理图,在金属弦的下方置有一个连接到放大器的螺线管。一条形磁铁固定在管内,当拨动金属弦后,螺线管内就会产生感应电流,经一系列转化后可将电信号转为声音信号。

1)金属弦的作用类似“研究电磁感应现象”实验中铁芯的作用,则被拨动后靠近螺线管的过程中,通过放大器的电流方向为      (以图象为准,填“向上”或“向下”)。

2)下列说法正确的是:   [      ]

A.金属弦上下振动的周期越大,螺线管内感应电流的方向变化也越快

B.金属弦上下振动过程中,经过相同位置时速度越大,螺线管中感应电动势也越大

C.若电吉他通过扩音器发出的声音随感应电流强度增大而变响,则增减螺线管匝数会起到调节音量的作用

D.电吉他通过扩音器发出的声音频率和金属弦振动频率相同,则金属弦振动越快,发出的声波越容易发生明显衍射现象

3)若由于金属弦的振动,螺线管内的磁通量随时间的变化如图b所示,则对应感应电流的变化为:    [      ]

 

试题详情

16.(6分)如图a是研究小球在斜面上平抛运动的实验装置,每次将小球从弧型轨道同一位置静止释放,并逐渐改变斜面与水平地面之间的夹角θ,获得不同的射程x,最后作出了如图b所示的x-tanθ图象,则:

 

1)由图b可知,小球在斜面顶端水平抛出时的初速度v0=      。实验中发现θ超过60°后,小球将不会掉落在斜面上,则斜面的长度为      m。

试题详情

15.(4分)在使用多用表测量电阻的过程中,若测量电阻时双手捏住了表笔的金属部分,则测量结果偏    (填“大”或“小”);若测量事发现指针偏转太大,则应    (填“增大”或“减小”)倍率后重新调零再测量。

试题详情

14.如图所示,一个半径R质量m的均匀薄圆盘处在竖直方向上,可绕过其圆心O的水平转动轴无摩擦转动,现在其右侧挖去圆心与转轴O等高、直径为R的一个圆,然后从图示位置将其静止释放,则剩余部分       (填“能”或“不能”)绕O点作360°转动,在转动过程中具有的最大动能为      

四:(30分)实验题。

试题详情

13. 如图所示,物体a与物体b用跨过定滑轮的绝缘细绳相连,ac带有异种电荷,b不带电。ma=200g,mb=mc=500g。ab处于一水平方向的有界匀强电场中,c物体处于电场外置于台秤的绝缘托盘上。现abc三物体均处于静止状态。则c物带    电荷;台秤的读数为     N。(取g=10m/s2)

试题详情


同步练习册答案