题目列表(包括答案和解析)

 0  168468  168476  168482  168486  168492  168494  168498  168504  168506  168512  168518  168522  168524  168528  168534  168536  168542  168546  168548  168552  168554  168558  168560  168562  168563  168564  168566  168567  168568  168570  168572  168576  168578  168582  168584  168588  168594  168596  168602  168606  168608  168612  168618  168624  168626  168632  168636  168638  168644  168648  168654  168662  447348 

12.本题有Ⅰ、Ⅱ二组题.

Ⅰ.(12分)(选修3-4试题)

①(4分)在地面附近有一高速飞过的火箭,关于地面上的人和火箭中的人观察到的现象,以下说法正确的是                          (    )

  A.地面上的人观察到火箭变短了,火箭上的时间进程变快了

  B.地面上的人观察到火箭变短了,火箭上的时间进程变慢了

  C.火箭上的人观察到火箭的长度和时间进程均无变化

  D.火箭上的人看到地面上的物体长度变小,时间进程变慢了

②(8分)在某介质中形成一列简谐波,t=0时刻的波形如图中的实线所示.若波向右传播,t=0时刻刚好传到A点,且再经过0.6s,P点开始振动.

求:(1)该列波的周期T=     s;

(2)从t=0时起到P点第一次达到波  峰时止,O点对平衡位置的位移y0=

      cm,所经过的路程s0=

      cm.

Ⅱ.(12分) (选修3-5试题)

①(4分)以下说法正确的是                      (   )

A.当氢原子从n=4的状态跃迁到n=2的状态时,发射出光子

  B.光电效应和康普顿效应都揭示了光具有波动性

  C.原子核的半衰期由核内部自身因素决定,与原子所处的化学状态和外部条件无关

  D.比结合能越大,原子核中核子结合得越牢固,原子越稳定

②(8分)一炮弹质量为m,以一定的倾角斜向上发射,到达最高点时速度为v,炮弹在最高点爆炸成两块,其中一块沿原轨道返回,质量为.求:

(1)另一块爆炸后瞬时的速度大小;

(2)爆炸过程系统增加的机械能.

试题详情

11.(10分)小灯泡灯丝的电阻会随温度的升高而增大,某同学为研究这一现象,利用下列实验器材:电压表、电流表、滑动变阻器(变化范围0一10Ω)、电源、小灯泡、开关、导线若干来设计实验,并通过实验得到如下数据(IU分别表示小灯泡上的电流和电压).

I/A
0
0.12
0.21
0.29
0.34
0.38
0.42
0.45
0.47
0.49
0.50
U/V
0
0.20
0.40
0.60
0.80
1.00
1.20
1.40
1.60
1.80
2.00

(1)请在上面的方框中画出实验电路图;

(2)在上图中画出小灯泡的IU曲线;

(3)把本题中的小灯泡接到图示电路中,若电源电动势E=2.0V,内阻不计,定值电阻R=5Ω,则此时小灯泡的功率是_______W.

试题详情

10.(10分)某同学设计了一个探究加速度与物体所受合力F及质量m间关系的实验.图(a)为实验装置简图,A为小车,B为打点计时器,C为装有砂的砂桶,D为一端带有定滑轮的长方形木板,实验中认为细绳对小车拉力F等于砂和砂桶总重力,小车运动加速度a可由纸带上点求得.

次  数
1
2
3
4
5
6
7
8
小车加速度a/ms-2
1.90
1.72
1.49
1.25
1.00
0.75
0.50
0.30
小车质量m/kg
0.25
0.29
0.33
0.40
0.50
0.71
1.00
1.67

4.00
3.50
3.00
2.5
2.00
1.40
1.00
0.60

(1)图(b)为某次实验得到的纸带(交流电的频率为50Hz),由图中数据求出小车加速度值为      m/s2

(2)保持砂和砂桶质量不变,改变小车质量m,分别得到小车加速度a与质量m及对应的数据如表中所示,根据表中数据,为直观反映F不变时am的关系,请在方格坐标纸中选择恰当物理量建立坐标系,并作出图线;

从图线中得到F不变时小车加速度a与质量m间定量关系是_____________;

(3)保持小车质量不变,改变砂和砂桶质  量,该同学根据实验数据作出了加速度a与合力F图线如图(d),该图线不通过原点,明显超出偶然误差范围,其主要原因是

                   .

试题详情

9.如图所示,光滑的水平桌面放在方向竖直向下的匀强磁场中,桌面上平放着一根一端开口、内壁光滑的试管,试管底部有一带电小球.在水平拉力F作用下,试管向右匀速运动,带电小球能从试管口处飞出,关于带电小球及其在离开试管前的运动,下列说法中正确的是      (    )

A.小球带正电

B.小球运动的轨迹是抛物线

C.洛伦兹力对小球做正功

D.维持试管匀速运动的拉力F应逐渐增大

第ІІ卷(非选择题  共89分)

试题详情

8.如图所示,一质量为m、带电量为q的物体处于场强按E=E0kt(E0k均为大于零的常数,取水平向左为正方向)变化的电场中,物体与竖直墙壁间动摩擦因数为μ,当t=0时刻物体刚好处于静止状态.若物体所受的最大静摩擦力等于滑动摩擦力,且电场空间和墙面均足够大,下列说法正确的是           (   )

A.物体开始运动后加速度先增加、后保持不变

B.物体开始运动后加速度不断增加

C.经过时间t=E0/k,物体在竖直墙壁上的位移达最大值

D.经过时间t=(μE0q-mg)/μkq,物体运动速度达最大值

试题详情

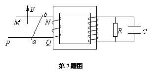
7.如图所示,MNPQ为两根足够长的水平光滑金属导轨,导轨电阻不计,变压器为理想变压器,现在水平导轨部分加一竖直向上的匀强磁场,金属棒ab与导轨电接触良好,则以下说法正确的是                         (   )

A.若ab棒匀速运动,则IR≠0,IC≠0

B.若ab棒匀速运动,则IR≠0,IC=0

C.若ab棒在某一中心位置两侧做简谐运动,则IR≠0,IC≠0

D.若ab棒做匀加速运动,IR≠0,IC=0

 

试题详情

6.中央电视台《今日说法》栏目最近报道了一起发生在湖南长沙某区湘府路上的离奇交通事故.家住公路拐弯处的张先生和李先生家在三个月内连续遭遇了七次大卡车侧翻在自家门口的场面,第八次有辆卡车冲撞进李先生家,造成三死一伤和房屋严重损毁的血腥惨案.经公安部门和交通部门协力调查,画出的现场示意图如图所示.交警根据图示作出以下判断,你认为正确的是                    (   )

A.由图可知汽车在拐弯时发生侧翻是因为车作离心运动

B.由图可知汽车在拐弯时发生侧翻是因为车作向心运动 

C.公路在设计上可能内(东)高外(西)低

D.公路在设计上可能外(西)高内(东)低

试题详情

5.星球上的物体脱离星球引力所需的最小速度称为第二宇宙速度.星球的第二宇宙速度v2与第一宇宙速度v1的关系是v2=v1.已知某星球的半径为r,表面的重力加速度为地球表面重力加速度g的1/6,不计其它星球的影响,则该星球的第二宇宙速度为(   )

A.      B.     C.     D.

试题详情

4.自动充电式电动车的前轮装有发电机,发电机与蓄电池连接.骑车者用力蹬车或电动车自动滑行时,发电机向蓄电池充电,将其他形式的能转化成电能储存起来.现使车以500J的初动能在粗糙的水平路面上自由滑行,第一次关闭自充电装置,其动能随位移变化关系如图线①所示;第二次启动自充电装置,其动能随位移变化关系如图线②所示,则第二次向蓄电池所充的电能是     (   )

A.200J      B.250J       C.300J      D.500J

试题详情

3.在如图所示电路中,闭合电键S,当滑动变阻器的滑动触头P向下滑动时,四个理想电表的示数都发生变化,电表的示数分别用IU1U2U3表示,电表示数变化量的大小分别用∆I、∆U1、∆U2和∆U3表示,下列比值错误的是                (   ) 

A.U1/I不变,∆U1/∆I不变

B.U2/I变大,∆U2/∆I变大

C.U2/I变大,∆U2/∆I不变

D.U3/I变大,∆U3/∆I不变

试题详情


同步练习册答案