题目列表(包括答案和解析)

 0  169013  169021  169027  169031  169037  169039  169043  169049  169051  169057  169063  169067  169069  169073  169079  169081  169087  169091  169093  169097  169099  169103  169105  169107  169108  169109  169111  169112  169113  169115  169117  169121  169123  169127  169129  169133  169139  169141  169147  169151  169153  169157  169163  169169  169171  169177  169181  169183  169189  169193  169199  169207  447348 

9.如图8,质量为M、长度为l的小车静止在光滑的水平面上.质量为m的小物块(可视为质点)放在小车的最左端.现用一水平恒力F作用在小物块上,使物块从静止开始做匀加速直线运动.物块和小车之间的摩擦力为Ff.物块滑到小车的最右端时,小车运动的距离为s.在这个过程中,以下结论正确的是            (     )

A.物块到达小车最右端时具有的动能为F(l+s)

B.物块到达小车最右端时,小车具有的动能为Ff s

C.物块克服摩擦力所做的功为Ff (l+s)

D.物块和小车增加的机械能为Ff s                  图8

 

 

 

            

试题详情

8.2007年11月5日,“嫦娥一号”探月卫星沿地月转移轨道到达月球,在距月球表面200km的P点进行第一次“刹车制动”后被月球捕获,进入椭圆轨道Ⅰ绕月飞行,如图7所示。之后,卫星在P点又经过两次“刹车制动”,最终在距月球表面200km的圆形轨道Ⅲ上绕月球做匀速圆周运动。则下面说法正确的是                            (     )

A.由于“刹车制动”,卫星在轨道Ⅲ上运动的周期将比沿轨道Ⅰ运动的周期长

B.虽然“刹车制动”,但卫星在轨道Ⅲ上运动的周期还是比沿轨道Ⅰ运动的周期短

C.卫星在轨道Ⅲ上运动的速度比沿轨道Ⅰ运动到P点(尚未制动)时的速度更接近月球的第一宇宙速度

D.卫星在轨道Ⅲ上运动的加速度小于沿轨道Ⅰ运动到P点(尚未制动)时的加速度

试题详情

7、小灯泡通电后其电流I随所加电压U变化的图线如图6所示,P为图线上一点,PN为图线的切线,PQU轴的垂线,PMI轴的垂线。则下列说法中正确的是 (     )

A.随着所加电压的增大,小灯泡的电阻增大

B.对应P点,小灯泡的电阻为R

C.对应P点,小灯泡的电阻为R

D.对应P点,小灯泡的功率为图中矩形PQOM所围的面积  

 图7

试题详情

6、如图5甲所示,一个弹簧一端固定在传感器上,传感器与电脑相连. 当对弹簧施加

                 图5              图6

变化的作用力(拉力或压力),在电脑上得到了弹簧长度的形变量与弹簧的弹力大小的关系图象(如图5乙), 则下列判断正确的是              (     )

A.弹簧的弹力和弹簧的长度成正比 B.弹簧长度的增加量与对应的弹力增加量成正比

C.该弹簧的劲度系数是200N/m    D.该弹簧受到反向压力时,劲度系数不变

试题详情

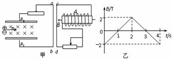
5.等离子气流由左方连续以v0射入PlP2两板

间的匀强磁场中,ab直导线与PlP2相连接,线圈

A与直导线cd连接.线圈A内有随图4乙所示的变

化磁场.且磁场B的正方向规定为向左,如图4甲

所示,则下列叙述正确的是 (     )

                                      图4

①.O-ls内abcd导线互相排斥    ②.1-2s内abcd导线互相吸引

③.2-3s内abcd导线互相吸引    ④.3-4s内abcd导线互相排斥

A.①③        B.①②       C.②④       D.③④

试题详情

4.如图3所示,把一个带电小球A固定在光滑的水平绝缘桌面上,在桌面的另一处放置带电小球B。现给B一个沿垂直AB方向的速度v0,下列说法中正确的是  (     )

A.若A、B为异性电荷,B球一定做圆周运动

B.若A、B为异性电荷,B球可能做远离A的变加速曲线运动

C.若A、B为同性电荷,B球一定做远离A的匀变速曲线运动

D.若A、B为同性电荷,B球的动能一定会减小                图3

试题详情

3.在“探究弹性势能的表达式”的活动中.为计算弹簧弹力所做功,把拉伸弹簧的过程分为很多小段,拉力在每小段可以认为是恒力,用各小段做功的代数和代表弹力在整个过程所做的功,物理学中把这种研究方法叫做“微元法”.下面几个实例中应用到这一思想方法的是                            (     )

A.根据加速度的定义,当△t非常小,就可以表示物体在t时刻的瞬时加速度

B.在探究加速度、力和质量三者之间关系时,先保持质量不变研究加速度与力的关系,再保持力不变研究加速度与质量的关系

C.在推导匀变速运动位移公式时,把整个运动过程划分成很多小段,每一小段近似看作匀速直线运动,然后把各小段的位移相加

D.在不需要考虑物体本身的大小和形状时,用点来代替物体,即质点

试题详情

2.图2为包含某逻辑电路的一个简单电路图,L为小灯泡.光照射电阻时,其阻值将变得远小于R.则下列说法正确的是                  (     )

A.该逻辑电路是非门电路;当电阻受到光照时,小灯泡L不发光

B.该逻辑电路是非门电路;当电阻受到光照时,小灯泡L发光

C.该逻辑电路是与门电路;当电阻受到光照时,小灯泡L不发光

D.该逻辑电路是或门电路;当电阻受到光照时,小灯泡L发光

                                     图2 

试题详情

1.用计算机辅助实验系统(DIS)做验证牛顿第三定律的实验,如图1所示是把两个测力探头的挂钩钩在一起,向相反方向拉动,观察显示器屏幕上出现的结果.观察分析两个力传感器的相互作用随着时间变化的曲线,以下结论的不正确的是   (     )

A.作用力与反作用力大小相等     B.作用力与反作用力方向相反

C.作用力与反作用力作用在同一物体上D.作用力与反作用力同时存在,同时消失

图1                       

试题详情

40、如图,在光滑水平面上,放着两块长度相同,质量分别为M1和M2的木板,在两木板的左端各放一个大小、形状、质量完全相同的物块,开始时,各物均静止,今在两物体上各作用一水平恒力F1、F2,当物块和木板分离时,两木板的速度分别为v1和v2,,物体和木板间的动摩擦因数相同,下列说法

①若F1=F2,M1>M2,则v1 >v2,;

②若F1=F2,M1<M2,则v1 >v2,;

③若F1>F2,M1=M2,则v1 >v2,;

④若F1<F2,M1=M2,则v1 >v2,;

其中正确的是    ( )

A.①③  B.②③  C.①②  D.②④

试题详情


同步练习册答案