题目列表(包括答案和解析)

 0  168970  168978  168984  168988  168994  168996  169000  169006  169008  169014  169020  169024  169026  169030  169036  169038  169044  169048  169050  169054  169056  169060  169062  169064  169065  169066  169068  169069  169070  169072  169074  169078  169080  169084  169086  169090  169096  169098  169104  169108  169110  169114  169120  169126  169128  169134  169138  169140  169146  169150  169156  169164  447348 

1.落体的运动是司空见惯的,但人类对它的认识却经历了近两千年的时间。是什么因素决定物体下落的快慢呢?亚里士多德的论断是:物体下落的快慢由它们的重量决定。他的这一论断一直被人们奉为经典,后来是哪位物理学家推翻了他的论断

A.牛顿         B.伽利略          C.爱因斯坦       D.哥白尼

试题详情

9.如图10所示,长为L、倾角为θ的光滑绝缘斜面处于电场中,一带电荷量为+q、质量为m的小球,以初速度v0由斜面底端的A点开始沿斜面上滑,到达斜面顶端C时的速度仍为v0,则

A.A点电势比C点电势低

B.小球在C点的电势能大于在A点的电势能

C.AC两点的电势差为

D.若电场为匀强电场,则该场强的最小值是

学号    
 
姓名     
 
高三物理第一学期模拟测试(二)

试题详情

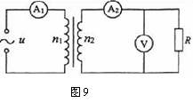
8.如图9所示,一理想变压器原线圈匝数n1=1100匝,副线圈匝数n2=220匝,交流电源的电压uV,电阻R=44Ω,电压表、电流表均为理想电表.则下列说法正确的是

A.交流电的频率为50Hz

B.电流表A1的示数为0.2A

C.电流表A2的示数约为1.4A

D.电压表的示数为44V

试题详情

7.如图8所示,竖直面内的水平虚线上方是一匀强磁场B,从虚线下方竖直上抛一正方形线圈,线圈越过虚线进入磁场,最后又落回到原处,运动过程中线圈平面始终垂直于磁场,且上下两边保持水平,不计空气阻力,则

A.上升过程中克服磁场力做的功大于下降过程中克服磁场力做的功

B.上升过程中克服磁场力做的功等于下降过程中克服磁场力做的功

C.上升过程中克服重力做功的平均功率大于下降过程中重力的平均功率

D.上升过程中克服重力做功的平均功率等于下降过程中重力的平均功率

试题详情

6.某滑沙场有两个坡度不同的滑道ABAB'(均可看作斜面),甲、乙两名旅游者分别乘两个完全相同的滑沙撬从A点由静止开始分别沿ABAB滑下,最后都停在水平沙面BC上,如图7-4所示.设滑沙撬和沙面间的动摩擦因数处处相同,斜面与水平面连接处均可认为是圆滑的,滑沙者保持一定姿势坐在滑沙撬上不动.则下列说法中正确的是

A.甲滑行的总路程一定大于乙滑行的总路程 

B.甲在B点的动能一定大于乙在B' 点的动能

C.甲在B点的速率一定大于乙在B' 点的速率

D.甲全部滑行的水平位移一定大于乙全部滑行的水平位移

试题详情

5.如图5所示,D是一只二极管,它的作用是只允许电流从a流向b,不允许电流从b流向a.平行板电容器AB内部原有电荷P处于静止状态,当两极板AB的间距稍增大一些的瞬间(两极板仍平行),P的运动情况将是

A.仍静止不动   B.向下运动     C.向上运动     D.无法判断

试题详情

4.我国第一颗绕月探测卫星“嫦娥一号”于2007年10月24日成功发射,在距离月球高为h处绕月球做匀速圆周运动.已知月球半径为R,月球表面重力加速度为g,“嫦娥一号”环绕月球运行的周期为                                                   (   )

A.       B.       C.      D.

试题详情

3.如图4所示是测量运动员体能的一种装置,运动员的质量为m1,绳拴在腰间沿水平方向跨过定滑轮(不计绳与定滑轮的摩擦),绳的另一端悬吊着的重物质量为m2,人在水平传送带上用力向身后蹬传送带,而人的重心不动,使传送带以速度v匀速向右运动.人的脚与传送带间的动摩擦因数为μ,则   

A.人对传送带不做功

B.传送带给人的摩擦力方向与传送带的速度v方向相同

C.由题意可知传送带对人的摩擦力为m2g

D.人对传送带做功的功率为m1gv

试题详情

2.图2为某用电器的电路图,此用电器接在(V)的电源上,由于元件P的作用使输入的正弦交流电被整流如为图3所示波形,此时交流电压表的示数是

A.156V       B.110V       C.78V            D.55V

试题详情

1.用计算机辅助实验系统(DIS)做验证牛顿第三定律的实验,如图1所示是把两个测力探头的挂钩钩在一起,向相反方向拉动,观察显示器屏幕上出现的结果.观察分析两个力传感器的相互作用随着时间变化的曲线,下列结论错误的是

A.作用力与反作用力作用时刻相等

B.作用力与反作用力作用在同一物体上

C.作用力与反作用力大小相等

D.作用力与反作用力方向相反

试题详情


同步练习册答案