题目列表(包括答案和解析)

 0  170943  170951  170957  170961  170967  170969  170973  170979  170981  170987  170993  170997  170999  171003  171009  171011  171017  171021  171023  171027  171029  171033  171035  171037  171038  171039  171041  171042  171043  171045  171047  171051  171053  171057  171059  171063  171069  171071  171077  171081  171083  171087  171093  171099  171101  171107  171111  171113  171119  171123  171129  171137  447348 

5、如右图所示,位于竖直平面内的固定光滑圆环轨道与水平面相切于M点,与竖直墙相切于A点,竖直墙上另一点B与M的连线和水平面的夹角为600,C是圆环轨道的圆心,D是圆环上与M靠得很近的一点(DM远小于CM)。已知在同一时刻,a、b两球分别由A、B两点从静止开始沿光滑倾斜直轨道运动到M点;c球由C点自由下落到M点;d球从D点静止出发沿圆环运动到M点。则:(   )

A、a球最先到达M点   B、b球最先到达M点

C、c球最先到达M点   D、d球最先到达M

试题详情

4、下列实例属于超重现象的是

A.汽车驶过拱形桥顶端             B.荡秋千的小孩通过最低点

C.跳水运动员被跳板弹起,离开跳板向上运动。  D.“神州7号”宇宙飞船返回地球。

试题详情

3、将某材料制成的长方体锯成A、B两块放在水平面上,A、B紧靠在一起,物体A的角度如图所示.现用水平方向的力F推物体B, 使物体A、B保持原来形状整体沿力F的方向匀速运动,则(  )

A.物体A在水平方向受两个力的作用,合力为零

B.物体A只受一个摩擦力

C.物体B对A的压力小于桌面对物体A的摩擦力

D.物体B在水平方向受三个力的作用

试题详情

2、如图所示,两个等大的水平力F分别作用在物体B、C上.物体A、B、C都处于静止状态.各接触面与水平地面平行.物体A、C间的摩擦力大小为f1,物体B、C间的摩擦力大小为f2,物体C与地面间的摩擦力大小为f3,则( )

A.  B.

C.  D.

试题详情

1、甲乙两质点从同一地点同时开始在同一直线上运动,取开始运动的时刻t=0,它们的v-t图象如图所示,则(   )

A、甲在t1时刻改变运动方向   B、在t2时刻,甲乙相距最远

C、在t3时刻,甲乙位移相同   D、在t3时刻,甲乙相距最远

试题详情

46.(16分)

解:(1)电子在电场中运动做类平抛运动,运动时间均为

设电键S断开时,电子飞出匀强电场区域时垂直金属板方向的速度为vy1,则有

  解得 vy1 = v0

设电键S闭合时,电子飞出匀强电场区域时垂直金属板方向的速度为vy2,则有

  解得

设在电键S断开和闭合时电子在电场中运动的加速度分别为ay1ay2,则有

vy1 = ay1t,  vy2 = ay2t

由以上式子可求得

(2)用E表示电源的电动势,用d表示两金属板间的距离,me表示电子质量和电量

电键S断开时,两金属板间的电压 U1 = E

电子在电场中运动的加速度为ay1 =

电键S闭合时,两金属板间的电压 U2 = E

电子在电场中运动的加速度为ay2 =

联立以上各式,结合(1)的结果,解得 R = 5Ω

(3)由(1)可知

电子沿板长方向的位移为时,经历的时间为,此过程电子的偏转量为

此时电子在垂直金属板方向的分速度为

电子在后面的时间里的偏转量为

电子在穿过整个匀强电场区域时的偏转量是

试题详情

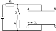
46. (18分)如图所示,电源内阻r = 1Ω,定值电阻R0 = 4Ω,ABCD是两块正对的平行金属板,板长为l,当电路接通时,两板正对的区域存在着匀强电场.现有电子以平行于两板方向的初速度v0射入两板间并能飞出.当电键S断开时,电子飞出匀强电场区域时的速度大小为v0;当S闭合时,电子飞出匀强电场区域时的速度大小为v0,求:

(1)上述两种情况下,电子在电场中运动时加速度的比值是多大?

(2)电路中R的阻值是多大?

(3)若有一电子飞入两板间时,电键S处于断开状态,当电子沿板长方向的位移为时,电键S突然闭合,则电子在穿过整个匀强电场区域时的偏转量是多大?

试题详情

45、(1)由题意,在图1电路中:

电路的总电流 IIL1+ IL2+ IL3=0.9 A

=E- Ir=2.55 V

UR2= U路程- UL3=0.05 V

IR2= I=0.9 A

电阻R2消耗功率 PR2= IR2 UR2=0.045 W

(2)图1电源提供的电功率

P= IE=0.9×3 W=2.7 W

图2电源提供的电功率

P= I E=0.3×6W=1.8 W

由于灯泡都正常发光,两电路有用功率相等,而P< P

所以,图2电路比图1电路节能。

试题详情

45. (18分)三只灯泡L1L2L3的额定电压分别为1.5 V、1.5 V和2.5 V,它们的额定电流都为0.3 A.若将它们连接成图1、图2所示电路,且灯泡都正常发光,

(1)   试求图1电路的总电流和电阻R2消耗的电功率;

(2)   分别计算两电路电源提供的电功率,并说明哪个电路更节能。

试题详情

44.解:

mgsin37°=0.06N  Eq=0.2N  f+ mgsin37°<Eq

故最后应停在紧靠上边弹性板处,由动能定理得:

解得:S=40m

试题详情


同步练习册答案