题目列表(包括答案和解析)

 0  172637  172645  172651  172655  172661  172663  172667  172673  172675  172681  172687  172691  172693  172697  172703  172705  172711  172715  172717  172721  172723  172727  172729  172731  172732  172733  172735  172736  172737  172739  172741  172745  172747  172751  172753  172757  172763  172765  172771  172775  172777  172781  172787  172793  172795  172801  172805  172807  172813  172817  172823  172831  447348 

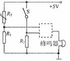
11.如图为监控汽车安全带使用情况的报警电路,S为汽车启动开关,汽车启动时S闭合。RT为安全带使用情况检测传感器,驾驶员系好安全带时RT阻值变大。要求当驾驶员启动汽车但未系安全带时蜂鸣器报警,则在图中虚线框内应接入的元件是

A.“与”门      B.“或”门       C.“非”门     D.“与非”门

试题详情

10.如图所示,滑块A在斜向下的推力F的作用下向右做匀速直线运动,那么A受到的滑动摩擦力Ff与推力F的合力方向是

A.水平向右    B.向下偏右    C.向下偏左   D.竖直向下

试题详情

9.在力学理论建立的过程中,有许多伟大的科学家做出了贡献。关于科学家和他们的贡献,下列说法正确的是

A.伽利略发现了行星运动的规律   B.笛卡尔对牛顿第一定律的建立做出了贡献

C.库仑通过实验测出了引力常量    D.牛顿最早指出力不是维持物体运动的原因

试题详情

8.已知两个分子之间的距离为r0(约为10-10)时,分子间的作用力恰为零,那么,两个分子从远大于r0处逐渐靠近到小于r0的过程中,下列说法中正确的是

A.分子间的相互作用力在逐渐增大;分子势能在逐渐增大

B.分子间的相互作用力先减小,后增大;分子势能先减小后增大

C.分子间的相互作用力先增大,后减小;分子势能先减小后增大

D.分子间的相互作用力先增大,后减小,再增大;分子势能先减小后增大

试题详情

7.关于宇宙,下列说法中正确的是

A.地球是宇宙中唯一有卫星的行星     B.太阳是银河系中唯一发光的恒星

C.太阳系是银河系的一个组成部分     D.所谓恒星就是永恒不变的星球

试题详情

6.封闭在气缸内的一定质量的气体,如果保持气体体积不变,当温度升高时,以下说法正确的是

A.气体的密度增大                        B.每个气体分子的动能都增加

C.气体分子的平均动能减小               D.每秒撞击单位面积的器壁的分子数增多

试题详情

5.把一条形磁铁从图示位置由静止释放,穿过采用双线绕法的通电线圈,此过程中条形磁铁做(不计空气阻力)

A.减速直线运动             B.匀速直线运动

C.自由落体运动             D.变加速直线运动

试题详情

4.一个放射性原子核,发生一次β衰变,则它的

A.质子数减少一个,中子数不变        B.质子数增加一个,中子数不变

C.质子数增加一个,中子数减少一个      D.质子数减少一个,中子数增加一个

试题详情

3.在演示光电效应的实验中,原来不带电的一块锌板与灵敏验电器相连,用弧光灯照射锌板时,验电器的指针就张开一个角度,如图所示,这时

A.锌板带正电,指针带负电

B.锌板带正电,指针带正电

C.锌板带负电,指针带正电

D.锌板带负电,指针带负电

试题详情

2.物体在做以下各种运动的过程中,运动状态保持不变的是

A.匀速直线运动    B.自由落体运动     C.平抛运动    D.匀速圆周运动

试题详情


同步练习册答案