题目列表(包括答案和解析)

 0  26462  26470  26476  26480  26486  26488  26492  26498  26500  26506  26512  26516  26518  26522  26528  26530  26536  26540  26542  26546  26548  26552  26554  26556  26557  26558  26560  26561  26562  26564  26566  26570  26572  26576  26578  26582  26588  26590  26596  26600  26602  26606  26612  26618  26620  26626  26630  26632  26638  26642  26648  26656  447348 

4.下列物质间反应, 其中水既不是氧化剂, 又不是还原剂的氧化还原反应是(   )

①F2和H2O ②Na和H2O  ③Na2O2和H2O  ④P2O5和H2O  ⑤Na2O和H2O  ⑥Cl2和H2O  ⑦NO2和H2O

A.③④⑤⑥⑦  B.①⑤⑦  C.②③⑤  D.③⑥⑦

试题详情

3.制取Fe(OH )2并使之能久存,可采取的操作有:①加入一些植物油,②溶解FeSO4配成溶液,③把蒸馏水加热煮沸并密封冷却,④加入少量铁屑,⑤加入少量CCl4,⑥向FeSO4溶液中滴入足量氨水,⑦把盛有氨水的滴管伸入FeSO4溶液中后再挤出氨水。其中必须进行的操作及其正确顺序是(   )

A.②④①⑦⑤      B.⑨②⑤⑥④      C.③②④⑤⑦      D.③②④①⑦

试题详情

2.有a、b、c、d四种金属,将a与b用导线连接起来,浸入电解质溶液中,b不易腐蚀;将a、d分别投入等浓度盐酸中,d比a反应激烈;将铜浸入b的盐溶液中,无明显变化;若将铜浸入c的盐溶液中,有金属c析出,据此判断它们的活动性由强到弱的顺序(   )

A.dcab      B.dabc     C.dbac       D.badc

试题详情

1.下列有关叙述中与甲烷无关的是:  (   )

A.据报道,2005年7月11日,新疆某煤矿发生“瓦斯”爆炸,22人死亡。

B.国家“西部大开发”的重点工程--“西气东输”工程。

C.2004年夏,某女士在做饭使用液化气时不慎发生爆炸。

D.农村用秸秆、稻草等通过发酵制取的某种新能源--沼气。

试题详情

24.(12分)将一块生锈铁片置于200mL稀HNO3中,反应结束后收集到1.12 L NO(标准状况),溶液中还剩下3 g单质铁。取出铁后,向溶液中通入10.65 g Cl2,恰好使溶液中Fe2+全部氧化(假设Cl2只与Fe2+ 反应)。求(1)原来这块生锈铁片中未被氧化的铁的质量。(2)原硝酸的物质的量浓度?  (铁锈的成分为Fe2O3•H2O)

试题详情

23.(8分)写出下列烷烃的结构简式:

A.2-甲基戊烷            B.2-甲基-4-乙基庚烷

C.2,3,4,5-四甲基己烷      D.3,3-二乙基戊烷

试题详情

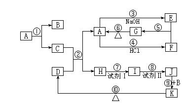
22.(18分)下列物质均为中学化学常见物质,转化关系如右图所示,已知D为红棕色粉末(反应条件及部分反应物、产物未全部标出)。

(1)写出下列物质的化学式:

A:_______;B:________; E:________; K:_________。

(2)C与D的混合物通常叫做________________ (填名称)。

(3)写出下列反应的化学方程式(注明反应条件,若是离子反应的与离子方程式):

②:__________________________________________________________________:

③:__________________________________________________________________:

⑤:__________________________________________________________________:

⑧:__________________________________________________________________:

试题详情

21.(12分)实验是化学的最高法庭。以镁条、铝片为电极,以稀NaOH溶液为电解质溶液构成的原电池,人们普遍认为铝是负极。某研究性学习小组为探究该原电池究竟谁是负极,发生怎样的电极反应,进行了如下实验:

如图,剪取约8cm的镁条及大小相近的铝片,用砂纸去膜,使镁条与铝片分别与量程为500μA的教学演示电表的“-”、“+”端相连接,迅速将两电极插入盛有1mol/LNaOH溶液的烧杯中。开始,电表指针向右偏移约500μA,铝片表面有许多气泡,很快电流逐渐减小至0;随后,指针向左偏移,且电流逐渐增大至约400μA,此时,铝片表面气泡有所减少,但镁条表面只有极少量的气泡产生。根据以上实验现象,回答下列问题:

  (1)开始阶段,原电池的正极是_______(填“Mg”或“Al”)片;铝片表面产生的气泡是__________;负极发生的反应是                  

(2)随后阶段,铝片发生的电极反应式是______________________________;镁条表面只有极少量的气泡产生,其原因之一是:2H++2e=H2↑+2OH(极少),试判断此电极发生的主要反应是:____________________  _____;铝片表面气泡有所减少,但未消失,产生这一现象的可能原因是                          

试题详情

20.取0.2mol·L1HX溶液与0.2mol·L1NaOH溶液等体积混合(忽略混合后溶液体积的变化),测得混合溶液的pH = 8,则下列说法(或关系式)正确的是:(   )    

A.混合溶液中由水电离出的c(OH¯)<0.2mol·L1HX溶液中由水电离出的c(H+)

B.c(Na+) = c(X¯) + c(HX) = 0.2mol·L1

C.c(Na+)-c(X¯) = 9.9×107mol·L1

D.c(OH¯)+c(HX) = c(H+) = 1×108mol·L1

第Ⅱ卷(非选择题)

试题详情

19.某链状有机物分子中含有m个 -CH3 ,n个 -CH2- ,a个 ,其余为 -Cl,则-Cl的数目可能是:                 (   )

A.2n+3a-m      B.a+2-m      C.n+m+a     D.a+2n+2-m

试题详情


同步练习册答案