题目列表(包括答案和解析)

 0  26464  26472  26478  26482  26488  26490  26494  26500  26502  26508  26514  26518  26520  26524  26530  26532  26538  26542  26544  26548  26550  26554  26556  26558  26559  26560  26562  26563  26564  26566  26568  26572  26574  26578  26580  26584  26590  26592  26598  26602  26604  26608  26614  26620  26622  26628  26632  26634  26640  26644  26650  26658  447348 

24.(12分)将一块生锈铁片置于200mL稀HNO3中,反应结束后收集到1.12 L NO(标准状况),溶液中还剩下3 g单质铁。取出铁后,向溶液中通入10.65 g Cl2,恰好使溶液中Fe2+全部氧化(假设Cl2只与Fe2+ 反应)。求(1)原来这块生锈铁片中未被氧化的铁的质量。(2)原硝酸的物质的量浓度?  (铁锈的成分为Fe2O3•H2O)

高二化学12月月考试题

答题卷  成绩        

选择题答题处:(60分)

非选择题

试题详情

23.(8分)写出下列烷烃的结构简式:

A.2-甲基戊烷            B.2-甲基-4-乙基庚烷

C.2,3,4,5-四甲基己烷      D.3,3-二乙基戊烷

试题详情

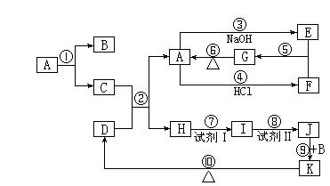
22.(18分)下列物质均为中学化学常见物质,转化关系如右图所示,已知D为红棕色粉末(反应条件及部分反应物、产物未全部标出)。

(1)写出下列物质的化学式:

A:_______;B:________; E:________; K:_________。

(2)C与D的混合物通常叫做________________ (填名称)。

(3)写出下列反应的化学方程式(注明反应条件,若是离子反应的写离子方程式):

②:__________________________________________________________________:

③:__________________________________________________________________:

⑤:__________________________________________________________________:

⑧:__________________________________________________________________:

试题详情

21.(12分)实验是化学的最高法庭。以镁条、铝片为电极,以稀NaOH溶液为电解质溶液构成的原电池,人们普遍认为铝是负极。某研究性学习小组为探究该原电池究竟谁是负极,发生怎样的电极反应,进行了如下实验:

剪取约8cm的镁条及大小相近的铝片,用砂纸去膜,使镁条与铝片分别与量程为500μA的教学演示电表的“-”、“+”端相连接,迅速将两电极插入盛有1mol/LNaOH溶液的烧杯中。开始,电表指针向右偏移约500μA,铝片表面有许多气泡,很快电流逐渐减小至0;随后,指针向左偏移,且电流逐渐增大至约400μA,此时,铝片表面气泡有所减少,但镁条表面只有极少量的气泡产生。根据以上实验现象,回答下列问题:

  (1)开始阶段,原电池的正极是_______(填“Mg”或“Al”)片;铝片表面产生的气泡是__________;负极发生的反应是                  

(2)随后阶段,铝片发生的电极反应式是______________________________;镁条表面只有极少量的气泡产生,其原因之一是:2H++2e=H2↑+2OH(极少),试判断此电极发生的主要反应是:____________________  _____;铝片表面气泡有所减少,但未消失,产生这一现象的可能原因是                          

试题详情

20.取0.2mol·L1HX溶液与0.2mol·L1NaOH溶液等体积混合(忽略混合后溶液体积的变化),测得混合溶液的pH = 8,则下列说法(或关系式)正确的是:(   )    

A.混合溶液中由水电离出的c(OH¯)<0.2mol·L1HX溶液中由水电离出的c(H+)

B.c(Na+) = c(X¯) + c(HX) = 0.2mol·L1

C.c(Na+)-c(X¯) = 9.9×107mol·L1

D.c(OH¯)+c(HX) = c(H+) = 1×108mol·L1

第Ⅱ卷(非选择题)

试题详情

19.某链状有机物分子中含有m个 -CH3 ,n个 -CH2- ,a个 ,其余为 -Cl,则-Cl的数目可能是:                 (   )

A.2n+3a-m      B.a+2-m     C.n+m+a     D.a+2n+2-m

试题详情

18.下列各组溶液中,仅用物质间相互反应不能一一区别的一组是:(   )

A. Fe2(SO4)3、K2CO3、KHSO4、NH4Cl

B. NaOH、Na2CO3、Al2(SO4)3、MgCl2

C. AgNO3、NaCl、KCl、CuCl2

D. BaCl2、Na2SO4、(NH4)2SO4、KOH

试题详情

17.将1molCH4和适量的氧气在密闭容器中点燃,充分反应后,甲烷和氧气均无剩余,且产物均为气体(101kPa,120℃),其总质量为72g,下列有关叙述不正确的是:(   )

A.产物通过碱石灰,不能全被吸收,若通过浓硫酸,也不能被完全吸收。

B.产物的平均摩尔质量为24g/mol

C.若将产物通过浓硫酸充分吸收后恢复至(101kPa,120℃),则压强变为燃烧前的1/3

D.反应中消耗的氧气为56g

试题详情

16.硫酸镁、硫酸铝两种物质组成的溶液100mL中,SO42物质的量浓度为0.20 mol/L,加入0.50 mol/L NaOH溶液100mL,生成的白色沉淀恰好不再溶解。过滤,在滤液中AlO2物质的量浓度为

A.0.025 mol/L     B.0.10 mol/L      C.0.050 mol/L      D.0.25 mol/L

试题详情

15.当燃烧8.96L由CH4、CO、C2H6组成的混合气体时,除生成水外,还生成13.44LCO2气体(气体体积均在标准状况下测定)。则原混和气体中含C2H6的物质的量是:(   )

A.0.2mol     B.0.4 mol     C.0.6 mol     D.0.8 mol

试题详情


同步练习册答案