0  124895  124903  124909  124913  124919  124921  124925  124931  124933  124939  124945  124949  124951  124955  124961  124963  124969  124973  124975  124979  124981  124985  124987  124989  124990  124991  124993  124994  124995  124997  124999  125003  125005  125009  125011  125015  125021  125023  125029  125033  125035  125039  125045  125051  125053  125059  125063  125065  125071  125075  125081  125089  447090 

4、用蒸笼蒸馒头,是上层还是下层蒸格中的馒头先熟呢?小明仔细观察后发现:高温的水蒸气经过多层蒸格向上升,遇到冷的蒸笼盖时,大量水蒸气发生    现象,    很多热量,从而会使上层蒸格中的馒头先熟。

试题详情

3、如图丙所示,用硬纸片把一个喇叭糊起来,做成一个“舞台”。台上小人在音乐声中翩翩起舞,这个现象说明______________________.

图甲     图乙      图丙

试题详情

2、如图乙所示的是摩托车引擎后安装的消声器的结构图。摩托车安装消声器是采用____的方法来减弱噪声的。

试题详情

1、如图甲所示为色光的三原色的示意图,图中的区域1应标____色。  

试题详情

10、关于热机,下列说法错误的是

A.热机性能好坏的重要标志之一是热机效率

B.在四冲程内燃机中减少废气带走的大量热量可以大大提高热机效率

C.柴油机的效率比汽油机的高,这是因为柴油的热值比汽油的大

D.在压缩冲程中内燃机将机械能转化为内能

第Ⅱ卷(非选择题  共50分)

试题详情

9、园艺师傅使用如图所示的剪刀修剪树枝时,常把树枝尽量往剪刀轴O处靠近,这样做的目的是为了

A.增大阻力臂,减小动力移动的距离

B.减小动力臂,减小动力移动的距离

C.增大动力臂,省力

D.减小阻力臂,省力

试题详情

8、下列说法中,正确的是

   A.推出后的铅球在空中飞行过程中,运动员对铅球做了功

   B.短跑运动员到达终点后不会马上停下来,是由于运动员具有惯性

   C.踢出去的足球在地面上越滚越慢,说明物体的运动需要力来维持

   D.站在领奖台上的运动员,受到的支持力和运动员对领奖台的压力是一对平衡力

试题详情

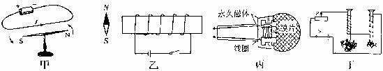
7、对下图中甲、乙、丙、丁四幅图解释合理的是

                    A.甲:磁场能产生电流

   B.乙:闭合开关,小磁针N极向左偏转

   C.丙:麦克风应用了磁场对电流的作用

   D.丁:电流相同时,线圈的匝数越多电磁铁磁性越强

试题详情

6、如图所示的电路中,电源电压恒定不变,当电键K闭合时

A.电压表示数变小,电流表示数变小,灯变暗

B.电压表示数变大,电流表示数变大,灯变亮

C.电压表示数不变,电流表示数不变,灯的亮度不变

D.电压表示数不变,电流表示数变小,灯变暗

试题详情

5、小轿车的仪表盘上,有一个显示汽车车门关闭状况的指示灯。只要四个车门中有一个没关闭(此时装在车门上的电路开关处于断开),指示灯就发光提醒。下面四个电路中,能体现该装置工作原理的是

  

  

试题详情


同步练习册答案