0  124902  124910  124916  124920  124926  124928  124932  124938  124940  124946  124952  124956  124958  124962  124968  124970  124976  124980  124982  124986  124988  124992  124994  124996  124997  124998  125000  125001  125002  125004  125006  125010  125012  125016  125018  125022  125028  125030  125036  125040  125042  125046  125052  125058  125060  125066  125070  125072  125078  125082  125088  125096  447090 

27.(2分)研究的物理量不易直接测量时,都需要想办法把它们的大小间接表示出来。例如:如图所示.甲实验是让木块在木板上做     运动,通过弹簧测力计的示数间接显示滑动摩擦力的大小;乙实验中球的动能大小是通过         间接反映出来的.

 

试题详情

26.(3分)请你读出图中所示的各测量工具的示数,并把它们填写在下面的横线上:

木块的长度是     cm;

物体的重力为__________N;

温度计的示数是_________0C。

试题详情

25.自行车是一种人们常用的、简便无污染的交通工具。仔细观察自行车的构造(图),想想你的使用过程,结合所学有关知识,请提出两个与物理知识有关的问题,并针对提出的问题作出简要的回答。 

问题1:                    ?

回答1:                   

问题2:                    ?

回答2:                   

试题详情

24.

(1)图中,小球悬挂在天花板上,请画出它所受的重力的示意图;

(2)图所示O是杠杆的支点,请在图中画出F1的力臂。

(3)图所示,磁体N极与通电螺线管A端相吸引,标出通电螺线管的电流方向。

 

试题详情

23.三峡大坝集防洪、发电、航运、供水、保护生态环境于一身,部分技术数据如下表所示

最高蓄水位(米)
总库容量(米3)
平均流量(米3/分)
发电机组装机总容量(千瓦)
175
3.93×1010
8.5×105
1.82×107

(1)如果水库达到了最高蓄水位,那么大坝底部受到的压强是     Pa(不计大气压强)。

(2)如果发电机组满容量发电,一年可发电      kW·h(一年按365天计算)。

(3)有关专家测量,三峡水电站蓄水后,对大坝上游流域的气候产生一定的影响,夏天的平均气温将比原来下降2℃左右,这是因为水的       大。

试题详情

22.图是北京奥运主场馆“鸟巢”,采用绿色能源--太阳能光伏发电系统为整个场馆提供电力,是当今世界上最大的环保型体育场。白天,太阳能转化为电能,除供正常使用外,将多余的能量储存在蓄电池内供夜晚使用。请完成下面的方框图,使其正确反映这个过程中能量发生转化的情况。

试题详情

21.狂风把小树吹弯了腰,把落叶吹得漫天飞舞。从力的作用效果分析,风力不仅使小树发生了       ,还使落叶的       发生了改变。

试题详情

20.如图所示,当弹簧测力计吊着圆柱体,从底部接触水面开始缓慢到完全没入水中到底部A的过程中,以下能表示圆柱体所受浮力F与浸入水中深度h关系的图象是

试题详情

19.标有“4V 1 W”的小灯泡和 “20Ω 1A”的滑动变阻器连接在图所示的电路中,电源电压为6V,电流表量程为“0-0.6A”,电压表量程为“0-3V”. 为确保电路安全,闭合开关时,滑动变阻器接入电路的阻值变化范围应控制在(不考虑温度对电阻的影响)

A.0-8Ω          B.8-16Ω

C.16-20Ω         D.以上答案都不对

试题详情

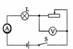
18.如图是小文同学研究串联电路中电流、电压特点的实物连接图,当开关闭合时,灯L1亮,灯L2不亮,这时电流表和电压表均有读数。则故障原因可能是 

A.L1断路       B.L1短路      C.L2短路     D.L2断路

试题详情


同步练习册答案