0  125464  125472  125478  125482  125488  125490  125494  125500  125502  125508  125514  125518  125520  125524  125530  125532  125538  125542  125544  125548  125550  125554  125556  125558  125559  125560  125562  125563  125564  125566  125568  125572  125574  125578  125580  125584  125590  125592  125598  125602  125604  125608  125614  125620  125622  125628  125632  125634  125640  125644  125650  125658  447090 

8.如图所示为某汽车上一种自动测定油箱内油面高度的装置。R是滑动变阻器,它的金属滑片是杠杆的一端,从油量表(由电流表改装而成)指针所指的刻度,就可以知道油箱内油面的高度,当滑动变阻器的金属滑片上移时

     A.电路中的电流减小,油箱油面降低       B.电路中的电流减小,油箱油面升高

     C.电路中的电流增大,油箱油面降低       D.电路中的电流增大,油箱油面升高

试题详情

7.关于安全用电,下列说法正确的是;

   A.使用测电笔时,手按住笔尾金属体,用笔尖接触被测导线

   B.发现有人触电后,立即用手把触电人拉离电源

   C.保险丝被烧断,一定是电路中出现了短路故障

   D.保险丝被烧断后,可用铜丝代替接上。

试题详情

6.如图所示,长度相同,横截面积不同的铁棒AB和CD连接在一起接入电路中,则下列说法中正确的是

A.AB段电阻大,电流小

B.CD段电阻大,电流小

C.AB段电阻大,电流与CD段相等

D.CD段电阻大,电流与AB段相等

试题详情

5.如图所示是电能表的一部分,对其中的重要参数,下列说法错误的是

A.“220V”是说这个电能表应该在220伏的电路中使用

B.“10(20)A”是说这个电能表使用时允许通过的电流为20安

C.“50Hz”是说这个电能表应在50赫兹的交流电路中使用

D.“600revs/kW·h”是说,接在这个电能表上的用电器,每消耗l千瓦时的电能,电能表上的转盘转过600转

试题详情

4.下列说法不正确的是:

     A.对人体的安全电压不高于36V

     B.家庭电路的电压正常为220V

     C.家用电风扇的电功率约为100W

     D.家庭照明灯泡正常发光时的电阻约为10

试题详情

3.随着科技的发展,现代社会中光敏电阻已经被广泛应用。光敏电阻的阻值随着光照射的强弱而改变,实验测得光敏电阻的阻值R与光照射强弱关系如图所示,将此光敏电阻接入如图所示的电路中,闭合开关,逐渐增加光照强度则由图可知

     A.电流表示数增加,光敏电阻两端电压增加

     B.电流表示数增加,光敏电阻两端电压减小

     C.电流表示数减小,光敏电阻两端电压增加

     D.电流表示数减小,光敏电阻两端电压减小

试题详情

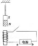
2.如图所示,弹簧下端吊一条形磁铁,当开关闭合时弹簧伸长,电源的正极是

A.a端            B.b端             C.哪端都可能      D.无法确定

试题详情

1.小明打开教室里的日光灯时,发现每闭合一个开关,同时亮两只日光灯,关于这个现象下列说法正确的是

     A.这两只日光灯一定是串联的           B.这两只日光灯一定是并联的

     C.可能是串联,也可能是并联           D.无法判断

试题详情

2.如下图甲和图乙是利用热敏电阻来测量温度的原理图。电源电压均为20 V且保持不变,定值电阻的阻值为30,则:

 

(1)图甲中电流表的示数为0.3 A时,热敏电阻两端的电压和消耗的功率分别是多少?

(2)图乙中如果电压表的量程为0-15 V,热敏电阻R的阻值随温度的变化关系如图丙所示,试求此电路能测量的最高温度。

试题详情

1.如下图所示电路,,电路总电阻为12,电流表示数为0.3 A,请计算:

(1)电阻的阻值。

(2)电源电压。

(3)通过的电流。

试题详情


同步练习册答案