0  259951  259959  259965  259969  259975  259977  259981  259987  259989  259995  260001  260005  260007  260011  260017  260019  260025  260029  260031  260035  260037  260041  260043  260045  260046  260047  260049  260050  260051  260053  260055  260059  260061  260065  260067  260071  260077  260079  260085  260089  260091  260095  260101  260107  260109  260115  260119  260121  260127  260131  260137  260145  447090 

19、在下图的两个交流电路中,它们的电源电压相同,理想变压器的原、副线圈的匝数为n1n2.如果两电源输出的电流相等,则负载电阻R1R2的比值为________.

试题详情

18、在远距离输电时,采用升压变压器使输电电压升高n倍,对于输送一定的电功率来说,输电线路上的电流将减小为原来的_____,输电线路上的电能损失将减少为原来的______.

试题详情

17.理想变压器正常工作时,若增加接在副线圈两端的负载,则 [     ]

A.副线圈中电流增大          B.副线圈输出的电功率减小

C.原线圈中电流不变          D.原线圈输入的电功率增大

1
2
3
4
5
6
7
8
9
10
11
12
13
14
15
16
17
 
 
 
 
 
 
 
 
 
 
 
 
 
 
 
 
 

二填空题(每空4分)

试题详情

16.理想变压器正常工作时,原线圈一侧与副线圈一侧保持不变的物理量是 [    ] 

A.频率    B.电压    C.电流    D.电功率

试题详情

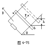
15.两根光滑的金属导轨,平行放置在倾角θ的斜面上,导轨的左端接有电阻R,导轨自身的电阻可忽略不计.斜面处在一匀强磁场中,磁场方向垂直于斜面向上.质量为m、电阻可不计的金属棒ab,在沿着斜面与棒垂直的恒力F作用下沿导轨匀速上滑,并上升h高度,如图4-75所示.在这过程中 [   ]

A.作用于金属棒上的各力的合力所做的功等于零

B.作用于金属棒上的各力的合力所做的功等于mgh与电阻R上发出的焦耳热之和

C.恒力F与安培力的合力所做的功等于零

D.恒力F与重力的合力所做的功等于电阻R上发出的焦耳热

试题详情

14.如图4-70所示,在水平面上有一固定的U形金属框架,框架上置一金属杆ab.在垂直纸面方向有一匀强磁场,下面情况可能的是      [   ]

A.若磁场方向垂直纸面向外,并且磁感应强度增大时,杆ab将向右移动

B.若磁场方向垂直纸面向外,并且磁感应强度减小时,杆ab将向右移动

C.若磁场方向垂直纸面向里,并且磁感应强度增大时,杆ab将向右移动

D.若磁场方向垂直纸面向里,并且磁感应强度减小时,杆ab将向右移动

试题详情

13.在水平桌面上,一个面积为S的圆形金属框置于匀强磁场中,线框平面与磁场垂直,磁感应强度B1随时间t的变化关系如图⑴所示.0~1s内磁场方向垂直线框平面向下.圆形金属框与一个水平的平行金属导轨相连接,导轨上放置一根导体棒,导体棒的长为L、电阻为R,且与导轨接触良好,导体棒处于另一匀强磁场中,其磁感应强度恒为B2,方向垂直导轨平面向下,如图⑵所示.若导体棒始终保持静止,则其所受的静摩擦力f随时间变化的图象是下图中的(设向右为静摩擦力的正方向)

试题详情

12、一个匝数N=100匝的平面线圈所包围的面积S=0.02m2,在匀强磁场B=0.5T中绕垂直于磁感线的轴以角速度ω=100πred/s匀速转动时,在线圈中产生交流电,若自线圈通过中性面时开始计时,那么在图中能够反映线圈中感应电动势随时间变化的图像是  [    ]

试题详情

11.如图所示,虚线框内是磁感应强度为B的匀强磁场,导线框的三条竖直边的电阻均为r,长均为L,两横边电阻不计,线框平面与磁场方向垂直。当导线框以恒定速度v水平向右运动,ab边进入磁场时,ab两端的电势差为U1,当cd边进入磁场时,ab两端的电势差为U2,则

A.U1=BLv   B.U1=BLv   C.U2=BLv  D.U2=BLv

试题详情

10.3 A直流电通过电阻R时,ts内产生的热量为Q.现让一交流电通过电阻R,若2ts内产生的热量为Q,则该交流电流的有效值和最大值分别为  [     ]

A. A,Im=3 A            B.I=3 A, A      C.I A, A           D. A,Im=6 A

试题详情


同步练习册答案