0  261600  261608  261614  261618  261624  261626  261630  261636  261638  261644  261650  261654  261656  261660  261666  261668  261674  261678  261680  261684  261686  261690  261692  261694  261695  261696  261698  261699  261700  261702  261704  261708  261710  261714  261716  261720  261726  261728  261734  261738  261740  261744  261750  261756  261758  261764  261768  261770  261776  261780  261786  261794  447090 

5.例题分析

[投影]

[例1]表示交变电流随时间变化图象如图所示,则交变电流有效值为

A.5A                             B.5 A

C.3.5    A                            D.3.5 A

解析:设交变电流的有效值为I,据有效值的定义,得

I2RT=(4)2R+(3)2R

解得I=5 A

综上所述应选择B.

[投影]

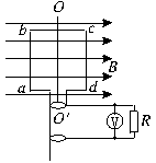
[例2] 交流发电机矩形线圈边长ab=cd=0.4 m,bc=ad=0.2 m,共50匝,线圈电阻r=1 Ω,线圈在B=0.2 T的匀强磁场中,绕垂直磁场方向的轴OO′以r/s转速匀速转动,外接电阻9 Ω,如图所示.求:

(1)电压表读数;

(2)电阻R上电功率.

解析:(1)线圈在磁场中产生:

Em=NBSω=50×0.2×0.4×0.2××2π V=160 V

I= A=8 A

U=IR=72 V101.5 V

(2)P=UI=72×8 W=1152 W

试题详情

3.正弦交流电的有效值与最大值的关系

[师]计算表明,正弦交流电的最大值与有效值有以下关系:

I==0.707Im                  U==0.707Um

[强调]

(1)各种使用交变电流的电器设备上所示值为有效值.

(2)交流电表(电压表或电流表)所测值为有效值.

(3)计算交变电流的功、功率、热量等用有效值.

试题详情

2.有效值(EIU)

[演示]如下图所示,将两只“6 V、0.3 A”的小电珠A、B,一个接在6 V的直流电源上,一个接在有效值为6 V的交流电源上,观察灯的亮度.

[生]两灯的亮度相同.

[师]让交流电和直流电通过同样的电阻,如果它们在相同时间内产生热量相等,把直流电的值叫做交流电的有效值.通常用大写字母UIE表示有效值.

试题详情

1.交变电流的最大值(Em,Im,Um)

[师]交变电流的最大值是交变电流在一个周期内所能达到的最大数值,可以用来表示交变电流的电流或电压变化幅度.

[演示]电容器的耐压值.

将电容器(8 V,500 μF)接在学生电源上充电,接8 V电压时电容器正常工作,接16 V电压时,几分钟后闻到烧臭味,后听到爆炸声.

[师]从这个实验中可以发现:电容器的耐压值是指能够加在它两端的最大电压,若电源电压的最大值超过耐压值,电容器可能被击穿.但是交流电的最大值不适于表示交流电产生的效果,在实际中通常用有效值表示交流电流的大小.

试题详情

[师]上节课讲了矩形线圈在匀强磁场中绕垂直于磁场方向的轴匀速转动时,在线圈中产生了正弦交流电.如何描述交流电的变化规律呢?

[生1]可以用公式法描述.从中性面开始计时,得出

瞬时电动势:e=Emsinω t

瞬时电流:i=Imsinω t.

瞬时电压:u=Umsinω t.

其中Em=NBSω

[生2]可以用图象法描述.如图所示:

[师]交流电的大小和方向都随时间做周期性变化,只用电压、电流描述不全面.这节课我们学习表征正弦交流电的物理量.

试题详情

让学生了解多种电器铭牌,介绍现代科技的突飞猛进,激发学生的学习热情.

●教学重点

交变电流有效值概念. 

●教学难点

交流电有效值概念及计算. 

●教学方法

在教师指导下的启发式教学. 

●教学用具

电源、电容器、灯泡“6 V 0.3 A”、幻灯片、手摇发电机. 

●课时安排

1课时

●教学过程

试题详情

能应用数学工具描述和分析处理物理问题.

试题详情

2.理解交变电流的周期、频率以及它们之间的关系.知道我国生产和生活用电的周期(频率)的大小.

试题详情

1.理解什么是交变电流的最大值和有效值,知道它们之间的关系.

试题详情


同步练习册答案