0  268158  268166  268172  268176  268182  268184  268188  268194  268196  268202  268208  268212  268214  268218  268224  268226  268232  268236  268238  268242  268244  268248  268250  268252  268253  268254  268256  268257  268258  268260  268262  268266  268268  268272  268274  268278  268284  268286  268292  268296  268298  268302  268308  268314  268316  268322  268326  268328  268334  268338  268344  268352  447090 

28.(14分)图示装置可用来制取和观察Fe(OH)2在空气中被氧化时的颜色变化。实验时必须使用铁屑和6 mol·L1的硫酸,其他试剂任选。请填写下列空白:

(1)B中盛有一定量的NaOH溶液,A中应预先加入的试剂是        ,A中反

应的离子方程式是_________________________________           

(2)实验开始时应先将活塞E___________(填“打开”“关闭”或“无关系”),C中收

集到气体的主要成分是______________________________________。

(3)当C中收集到足量气体后,简述生成Fe(OH)2的操作过程_________                

_________                                  

(4)拔去装置B中的橡皮塞,使空气进入,写出有关反应的化学方程式:__________

                                         

试题详情

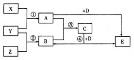
27.(15分)X、Y、Z为三个不同短周期的非金属元素单质,常温下均为气体,A、B、C、D、E是中学常见化合物,在一定条件下有如下图所示反应关系,反应条件和H2O在图示中已略云,已知A的相对分子质量大于B,且A和B化合生成固体C时有白烟产生。请回答下列问题:

(1)X的化学式是____________________,B的分子构型是_________________,C的水溶液显酸性的原因是(用离子方程式表示)___________________           

(2)反应④在实验室中用来制取B,写出该反应的化学方程式:

                                

(3)若Y的燃烧热为M kJ·mol-1,写出Y在空气中燃烧的热化学反应方程式:

                                  

试题详情

26. (15分)几种短周期元素的原子半径及某些化合价见下表:

元素代号
A
B
D
E
G
H
I
J
化合价
–1
–2
+4、–4
+4、–2
+5、–3
+3
+2
+1
原子半径/nm
0.071
0.074
0.077
0.102
0.110
0.143
0.160
0.186

分析上表中有关数据,并结合已学过的知识,回答以下问题。涉及上述元素的答案,请用元素符号表示。

(1)E元素在周期表中位于    周期,    族;

(2)A、H、J对应的离子半径由大到小的顺序是(填写离子符号)          

(3)A与J所形成化合物的晶体类型是         ,用电子式表示其形成过

                                     

(4)B与H所形成的化合物与J的最高价氧化物的水化物X的溶液发生反应的离子方程式

                               ;D与B形成的某种化合物Y不仅能与X反应,还能与I的单质反应,则Y与I的单质反应的化学方程式为

                                      

试题详情

25.(20分) 如图所示,光滑水平面上有如图所示的滑板,滑板的质量为2Kg,右端与轻质弹簧相连,弹簧处于原长状态,左端有弹性档板,O点左侧是粗糙的,长1m,动摩擦因数为0.1;O点右侧是光滑的.在滑板的左端有质量为2Kg的小物块A(可视为质点),现给A向右的瞬间冲量20N·S;试求:

 (1)A与弹簧接触过程中的最大弹性势能;

 (2)物块A最终相对滑板静止时,距O点多远。

试题详情

24.(19分)   如图所示,竖直线M的左侧存在水平向左的匀强电场,场强为E.在MN之间存在水平向里的匀强磁场,磁感应强度为B,设磁场区域向上足够大.有一质量为m且带正电q的质点A0点开始以一定的初速度向右运动,质点的重力不计,已知OM间距离MN间的距离,为保证带电质点A能进入磁场而不从磁场区域右边界N穿过,则的取值范围应为多少?

 

试题详情

23.( 16 分)水平地面上有一质量为m=4.0 kg的物体,在水平拉力F的作用下由静止开始运动.当后拉力大小减为.该物体的v-t图象如图所示,g.求:

 (1)物体受到的水平拉力F的大小;

 (2)物体与地面间的动摩擦因数m

试题详情

22.(17分)

(1)(5分)一小球在桌面上做匀加速直线运动,现用高速摄影机在同一底片上多次曝光,记录下小球运动过程中在每次曝光时的位置,并将小球的位置编号,得到的照片如下图所示。由于底片保管不当,其中4位置处被污损。若已知摄影机连续两次曝光的时间间隔均为1s,则利用该照片可求出:小球运动的加速度约为________ m/s2

   

(2)(12分)现有器材:电压表(量程3 V,内阻约几千欧),电压表(量程15 V,内阻约十几千欧),定值电阻(10.0 kW),滑动变阻器R(0-1750 W),直流电源(约6 V,内阻不计),开关、导线若干.要求利用这些器材测量电压表的内阻值.

 ①在方框中画出实验电路图.

②用已知量和直接测得量表示的电压表

内阻的表达式为r=________.

式中各直接测得量的意义是:_________________.

试题详情

2. 答卷前将答题纸密封线内的项目填写清楚。

试题详情

1.  用钢笔或圆珠笔直接答在试题卷中。

试题详情

20. 如图所示, MNPQ为两光滑的电阻不计的水平金属导轨,N、Q接理想变压器,理想变压器的输出端接纯电阻元件R。今在水平金属杆部分加一竖直向上的匀强磁场,则下列说法正确的是(    )

  A.若ab棒匀速运动,则R中有恒定电流 

B.若ab棒匀速运动,则R中没电流

C.若ab棒匀加速运动,则R有增加的电流

   D.若ab棒匀加速运动,则R中有恒定电流

  21.如图所示,空气中有一块横截面呈扇形的玻璃砖,折射率为。现有一细光束,垂直射到AO面上,经玻璃砖反射、折射后,经OB面平行返回,∠AOB为135°,圆的半径为r,则入射点P点距圆心O的距离为(   )

    A.                B.

    C.           D.

第Ⅱ卷(非选择题,共10小题,共174分)

注意:

试题详情


同步练习册答案