0  269537  269545  269551  269555  269561  269563  269567  269573  269575  269581  269587  269591  269593  269597  269603  269605  269611  269615  269617  269621  269623  269627  269629  269631  269632  269633  269635  269636  269637  269639  269641  269645  269647  269651  269653  269657  269663  269665  269671  269675  269677  269681  269687  269693  269695  269701  269705  269707  269713  269717  269723  269731  447090 

5.有关基因工程的叙述正确的是

 A.限制性内切酶只在获得目的基因时才用

 B.重组质粒的形成在细胞内完成

C.质粒都可作运载体         

 D.蛋白质的结构可为合成目的基因提供资料

试题详情

4.青霉素是人类最普遍使用的抗生素之一,但部分人群对青霉素过敏,因此医生在给病人注射青霉素之前,需做皮肤试验,下列有关青霉素的说法不正确的是

A.青霉素是青霉菌的次级代谢产物

B.向基本培养基中加入适量青霉素,可从细菌、放线菌和酵母菌中选择培养酵母菌

C.青霉素分布在消化道和呼吸道黏膜、血液中某些细胞的表面时,会使人产生过敏反应

D.为获得高产青霉素菌株,可采取人工诱变的方法

试题详情

4.下图是IAA浓度对玉米胚芽鞘的生长的影响,下列处理中,何者会明显向左弯曲?

试题详情

2.下图为探究不同光照强度和温度对植物光合作用的影响的实验数据图,下列有关本实验的操作和叙述不正确的是

A.本实验应选用同一种植物进行实验

B.实验过程中应保证水和二氧化碳的供应充足  

C.40℃时光照强度越大,光合作用速率越高

D.温度越高,光合作用速率越高

试题详情

1.下列为某真核细胞分裂过程中DNA变化图解,下列关于该图解的叙述,正确的是

A.若该细胞是动物细胞,则在CE段该细胞中有中心体在起作用

B.该细胞中的细胞膜、核膜及内质网膜、高尔基体膜、线粒体膜、叶绿体膜、中心体膜构成生物膜系统

C.若该细胞是植物细胞,则在CD段该细胞赤道板处已形成细胞板

D.在AC段合成蛋白质时,DNA分子不需要进行解旋

试题详情

33.(18分,每空2分)某雌雄异株的植物(2N=16),红花与白花这对相对性状由常染色体上一对等位基因控制(相关基因用A与a表示),宽叶与窄叶这对相对性状由X染色体上基因控制(相关基因用B与b表示)。研究表明:含XB或Xb的雌雄配子中有一种配子无受精能力。现将表现型相同的一对亲本杂交得F1(亲本是通过人工诱变得到的宽叶植株),F1表现型及比例如下表:

 
红花宽叶
白花宽叶
红花窄叶
白花窄叶
雌株
3/4
1/4
0
0
雄株
0
0
3/4
1/4

  (1)F1的母本和父本的基因型分别是______________、_____________,表现型均为_____________,无受精能力的配子是______________。

  (2)取F1中全部的红花窄叶植株的花药离体培养可得到__________植株,基因型共有_____种,比例是_________________。

  (3)将F1白花窄叶雄株的花粉随机授于F1红花宽叶雌株得到F2,F2随机传粉得到F3,则F3中表现型是____________________________,相应的比例是______________。

  34.(6分,每空1分)Ⅰ.图甲表示从青蛙体内分离出一部分新鲜的腓肠肌及相连的部分神经组织,图中a为神经纤维与腓肠肌细胞的连接处。图乙是图甲中a部位的扩大图,其中Ach(乙酰胆碱)是一种兴奋型递质,当兴奋传到传出神经末梢时,Ach与Ach受体结合,引起肌肉收缩。(假设在实验过程中,适宜条件下肌肉和神经组织均能保持正常的结构和功能。)利用上述材料做了如下一些实验:

实验一:将2个微电极置于上图b、c两处神经细胞膜外,并与灵敏电流计正负两极相连;微电流间隙刺激e处,结果肌肉收缩,且电流计指针偏转。

实验二:将一定浓度的阿托品溶液滴加在脊柱与c点之间的某处(d),重复实验一,结果与实验一相同;再将一定浓度的阿托品溶液滴加在神经肌肉连接处(a处),重复实验一,结果肌肉不收缩,但电流计指针偏转情况同实验一;

实验三:将一定浓度的阿托品溶液滴加在脊柱内部处,重复实验一,结果肌肉不收缩,电流计指针不偏转。

  (1)预测实验一中每一次刺激后指针偏转情况是___________________

  (2)实验二说明阿托品溶液阻断兴奋在            ,而不影响兴奋在           

  (3)实验三结果说明脊柱内部                  

  (4)当完成一次兴奋传递后,Ach立即被分解,若某种药物可以阻断的分解,则会导致                

  (5)研究表示,不少重症肌无力者是由于受病毒感染后,机体产生抗体,它除了与病毒结合之外,还能与Ach受体结合,阻碍兴奋的传递,导致重症肌无力。这说明患者所感染的病毒表面有一种           与Ach受体相似。

试题详情

32.(10分,每空2分)为探究环境因素对光合作用强度的影响,设计进行下列实验。 

   组别 ]
次数
1
  2
  3
  4
50W
100W
200W
400W
第一次
5.0ml
12.0ml
21.0ml
19.2ml
第二次
5.3ml
11.5ml
20.0ml
18.5ml
第三次
5.0ml
12.0ml
20.0ml
19.0ml

实验材料和用具:100mL量筒、50W、100W、200W和400W的台灯、冷开水、NaHC03、黑藻等。

实验步骤:

①准备4套如图所示装置,编号为1-4。在瓶中各加入约500mL0.01g/mLNaHC03溶液

后用冷开水充满。

②取4等份长势相同的黑藻分别放入1-4号装置。

   ③将4套装置放入暗室中24小时,然后分别用50W、100W、200W和400W的台灯等

距离地照射1-4号装置,观察气泡的产生情况。

④30min后停止光照,测量光合作用释放的O2体积(mL)。

以上实验重复三次,实验结果见上表。分析并回答有关问题:

  (1)列出实验中的两个无关变量:               

  (2)根据装置图,上表中的实验数据如何读出          

  (3)上表中测得的氧气量并非光合作用实际产生的氧气量,其原因是     

  (4)通过对表中数据的分析得出结论:                   

  (5)若想确定黑藻生长的最适合光照强度,请在本实验的基础上写出进一步探究的实验思路:                                

试题详情

31.(8分,每空1分)下图是生态系统中碳循环和硫循环及其相互关系的简图,请分析回答下列问题:

  (1)如果图示是一个草原生态系统,则图中标号  所代表的内容能体现出这个生态系统自动调节能力的大小。

  (2)如果生态系统中次级消费者增重5 kg,至少需要生产者提供  kg。

  (3)若要提高生态系统的抵抗力稳定性,一般可采用的措施为   

  (4)碳在生物群落与无机环境之间的循环,主要以    形式进行;碳在生物群落中各营养级之间以    形式流动。若大气中二氧化碳迅速增加,会造成的全球性环境问题是    

  (5)大气中二氧化硫的来源除图中所示过程外,还应有    。短时间内大气中二氧化硫迅速增加所造成的全球性环境问题是   

试题详情

29.(16分)已知:①ROH+HBr(氢溴酸)RBr+H2O

   奶油中有一种化合物A(C4H8O2),A可用作香料。A中含有碳氧双键,与A相关的反应如下:  

  (1)写出与A分子式相同的所有酯的结构简式:                                    

  (2)写出反应类型:反应A→E                                        ,反应E→F        

  (3)写出A、C、F的结构简式:A                                      、C            、F                     

  (4)写出B→D反应的化学方程式:                                                                         

  (5)若在空气中长时间搅拌奶油,A可转化G,G蒸气对H2的相对密度为43,且G的一氯代物只有一种,写出G的结构简式                                      

试题详情

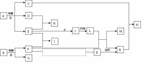
27.(14分)反应①②是重要的化工反应,D、E、F、G、M为单质,D、E、G、H为气体,且只有E为有色气体,G是空气中主要成分之一,F、M是生活中常见的金属,K是白色沉淀,C的焰色反应为黄色,P是M和紫黑色固体单质化合的产物,P、J、L、M含有同种元素,其物质间转化关系如下,虚框内是需设计的内容,反应物只能用A-N中的物质。请回答下列问题:

  (1)用电子式表示H物质的形成过程                          

  (2)电解池①中的阴极产物的名称                           

  (3)足量的E与P溶液反应生成J,离子方程式为                      

  (4)N溶液呈碱性,用离子方程式解释原因                       

  (5)请模仿上述物质转化关系图设计F→K的最佳途径:(用A-N中的物质的化学式表示)

 

F →                 →K

按设计得到1molK,至少需要另加的试剂及其物质的量是

n(   )=    moln(   )=    mol


 
28.(15分)用下图装置可以进行测定SO2转化成SO3的转化率的实验。已知SO3的熔点是16.8℃,沸点是44.8℃。已知发生装置中所涉及反应的化学方程式为:

    Na2SO3(s) + H2SO4(85%)==Na2SO4 + H2O + SO2

 

  (1)根据实验需要,应该在Ⅰ、Ⅱ、Ⅲ处连接合适的装置。请从下图A-E装置中选择最适合装置并将其序号填入下面的空格中。

Ⅰ、Ⅱ、Ⅲ处连接的装置分别是   _____      _____       _______ 

  (2)从乙处均匀通入O2,为使SO2有较高的转化率,实验中在加热催化剂与滴加浓硫酸的顺序中,应采取的操作是                       。若用大火加热烧瓶时,SO2的转化率会      (填“升高”、“不变”或“降低”)

  (3)有一小组在实验中发现,SO2气体产生缓慢,以致后续实验现象不明显,但又不存在气密性问题,请你推测可能的原因并说明相应的验证方法(可以不填满)。

①原因                  ,验证方法                

②原因                  ,验证方法                

③原因                  ,验证方法                

  (4)将SO2通入含1.5mol氯酸的溶液中,可生成一种强酸和一种氧化物,若有1.5×6.02×1023个电子转移时,该反应的化学方程式                             

  (5)用amolNa2SO3粉末与足量浓硫酸进行此实验,当反应结束时,继续通入O2一段时间后,测得装置Ⅲ增重了bg,则实验中SO2的转化率为    %(用含a、b的代数式填写)

试题详情


同步练习册答案