0  313105  313113  313119  313123  313129  313131  313135  313141  313143  313149  313155  313159  313161  313165  313171  313173  313179  313183  313185  313189  313191  313195  313197  313199  313200  313201  313203  313204  313205  313207  313209  313213  313215  313219  313221  313225  313231  313233  313239  313243  313245  313249  313255  313261  313263  313269  313273  313275  313281  313285  313291  313299  447090 

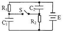
10.在右图所示的电路中,已知C1=C2,电阻R1>R2,电源电动势为E,内阻不计,当开关S由断开到接通时,下列说法正确的是(  )

     A.C1所带的电量变多,C2所带的电量变少

     B.电路稳定后C1所带的电量大于C2所带的电量

     C.C1和C2的电量都变多

     D.C1和C2的电量都变少

试题详情

9.如右图所示,曲线C1、C2分别是纯电阻直流电路中,内、外电路消耗的电功率随电流变化的图线.由该图可知下列说法中错误的是(    )

   A.电源的电动势为4V

B.电源的内电阻为1Ω

   C.电源输出功率最大值为8W

   D.电源被短路时,电源消耗的最大功率可达16W

试题详情

8、两个质量相同的小球用不可伸长的细线连结,置于场强为E的匀强电场中,小球1和小球2均带正电,电量分别为q1q2(q1q2)。将细线拉直并使之与电场方向平行,如图所示。若将两小球同时从静止状态释放,则释放后细线中的张力T为(不计重力及两小球间的库仑力)

A.   B.

C.   D.

试题详情

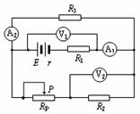
7.如图所示,图中的四个电表均为理想电表,当滑线变阻器滑动触点P向右端移动时,下面说法中正确是:

A.伏特表V1的读数减小,安培表A1的读数增大

B.伏特表V1的读数增大,安培表A1的读数减小

   C.伏特表V2的读数减小,安培表A2的读数增大

D.伏特表V2的读数增小,安培表A2的读数减小

试题详情

6.2008年9月25日至28日我国成功实施了“神舟”七号载入航天飞行并实现了航天员首次出舱。飞船先沿椭圆轨道飞行,后在远地点343千米处点火加速,由椭圆轨道变成高度为343千米的圆轨道,在此圆轨道上飞船运行周期约为90分钟。下列判断正确的是(  )

A.飞船变轨前后的机械能相等

   B.飞船在圆轨道上时航天员出舱前后都处于失重状态

   C.飞船在此圆轨道上运动的角度速度小于同步卫星运动的角速度

   D.飞船变轨前通过椭圆轨道远地点时的加速度大于变轨后沿圆轨道运动的加速度

试题详情

5. 如图是某中学科技小组制作的利用太阳能驱动小车的装置,当太阳光照射到小车上方的光电板,光电板中产生的电流经电动机带动小车前进。若小车在平直的水泥路上从静止开始加速行驶,经过时间t 前进距离s,速度达到最大值 vm,设这一过程中电动机的功率恒为P,小车所受阻力恒为F,那么 (   )

A.这段时间内小车先加速运动,然后匀速运动 

B.这段时间内电动机所做的功为 Pt

C.这段时间内电动机所做的功为    

D.这段时间内小车先做加速度减小的加速再做加速度增大的加速

试题详情

4、如图所示,长为l的轻杆,一端固定一个小球,另一端固定在光滑的水平轴上,使小球在竖直平面内作圆周运动,关于小球在过最高点时的速度v,下列叙述正确的是:

A.v的最小值为 

B.v由零逐渐增大,向心力也逐渐增大且改变方向

C.v由值逐渐增大,杆对小球的弹力也逐渐增大

D.v由值逐渐减小,杆对小球的弹力也逐渐减小

试题详情

3.在汽车中悬线上挂一小球。实验表明,当做匀变速直线运动时,悬线将与竖直方向成某一固定角度。如图3所示,若在汽车底板上还有一个跟其相对静止的物体m1,则关于汽车的运动情况和物体m1的受力情况正确的是:  (  )

A.汽车一定向右做加速运动;

 B.汽车一定向左做加速运动;

C.m1除受到重力、底板的支持力作用外,还一定受到向右的摩擦力作用;

D.m1除受到重力、底板的支持力作用外,还可能受到向左的摩擦力作用。

试题详情

2、两辆游戏赛车ab在两条平行的直车道上行驶。t=0时两车都在同一计时处,此时比赛开始。它们在四次比赛中的vt图如图所示。哪些图对应的比赛中,有一辆赛车追上了另一辆? 

 

A.ab   B.ac   C.bc   D.cd

试题详情

1、图示为某探究活动小组设计的节能运动系统。斜面轨道倾角为30°,质量为M的木箱与轨道的动摩擦因数为。木箱在轨道上端时,自动装货装置将质量为m的货物装入木箱,然后木箱载着货物沿轨道无初速滑下,与轻弹簧被压缩至最短时,自动卸货装置立刻将货物卸下,然后木箱恰好被弹回到轨道顶端,再重复上述过程。下列选项正确的是:

  A.m=M        B.m=3M

  C.木箱不与弹簧接触时,上滑的加速度大于下滑的加速度

  D.在木箱与货物从顶端滑到最低点的过程中,减少的重力势能全部转化为弹性势能

试题详情


同步练习册答案