0  317407  317415  317421  317425  317431  317433  317437  317443  317445  317451  317457  317461  317463  317467  317473  317475  317481  317485  317487  317491  317493  317497  317499  317501  317502  317503  317505  317506  317507  317509  317511  317515  317517  317521  317523  317527  317533  317535  317541  317545  317547  317551  317557  317563  317565  317571  317575  317577  317583  317587  317593  317601  447090 

 后答案的不能得分,有数字计算题,答案中必须明确写出数值和单位)

13.(8分)人类受小鸟在空中飞翔的启发而发明了飞机,小鸟在空中滑翔时获得向上

 的举力可表示为F=kSv2,式中S为翅膀的面积,v为小鸟飞行的速度,k为比例系数。

 一小鸟质量为100g、翅膀面积为40cm2,其水平匀速滑翔的最小速度为10m/s。假定

 飞机飞行时获得向上的举力与小鸟飞行时获得的举力有同样的规律。现有一架质量

 为3200kg的飞机,机翼面积为3.2m2,若飞机起飞的跑道长为400m,则飞机在跑道

 上获得的加速度至少为多少才能起飞?

 14.(12分)如图所示,两根足够长的直金属导

 轨MNPQ平行放置在倾角为θ的绝缘斜面

 上,两导轨间距为LMP两点间接有阻值

 为R的电阻。一根质量为m的均匀直金属杆

 ab放在两导轨上,并与导轨垂直。整套装置

 处于磁感应强度为B的匀强磁场中,磁场方

 向垂直斜面向上,导轨和金属杆的电阻可忽

 略。让ab杆沿导轨由静止开始下滑,经过足

 够长的时间后,金属杆达到最大速度vm,在

 这个过程中,电阻R上产生的热为Q,导轨

 和金属杆接触良好,它们之间的动摩擦因数为μ,且μ<tanθ,已知重力加速度为g。

(1)求磁感应强度的大小

(2)金属杆在加速下滑过程中,当速度达到时,求此时金属杆的加速度的大小;

(3)求金属杆从静止开始至达到最大速度的过程中下降的高度。

 15.(14分)如图所示,质量为M的平板车静止在光滑水平面上,车的上表面是一段长

 L的粗糙水平轨道,水

 平轨道的左侧连一半

 径为R的光滑圆弧轨

 道,圆弧轨道与水平轨

 道在B点相切。车右端

 固定一个尺寸可以忽

 略、处于锁定状态的压

 缩弹簧,一质量为m的

 小物块从圆弧的最高

 点A处由静止释放,沿着轨道运动恰好能与小车右端的弹簧接触,此时弹簧锁定瞬

 间解除,当物块再回到圆弧的最高点时,与小车相对静止。求:

 (1)解除锁定前弹簧的弹性势能?

 (2)小物块第二次经过B点的速度大小?

 16.(14分)如图所示,在y>0的空间中存在匀强电场,场强沿y轴负方向;在y<0

 的空间中,存在匀强磁场,磁场方向垂直xoy平面(纸面)向外。一电量为q、质

 量为m的带正电的运动粒子,经过y轴上yh处的点P1时速率为v0,方向沿x

 正方向;然后,经过x轴上x处的P2

  点进入磁场,并经过y轴上y处的P3点。

 不计重力。求

(l)电场强度的大小。

(2)粒子到达P2时速度的大小和方向。

(3)磁感应强度的大小。

2009-2010学年度高三年级期末考试

试题详情

 11.在一些实验中需要较准确地测量物体转过的角度,为

 此人们在这样的仪器上设计了一个可转动的圆盘,在

 圆盘的边缘标有刻度(称为主尺),圆盘外侧有一个

 固定不动的圆弧状的游标尺,如图所示(图中画出了

 圆盘的一部分和游标尺)。圆盘上刻出对应的圆心角,

 游标尺上把与主尺上19°对应的圆心角等分为10个格。试根据图中所示的情况读

 出此时游标上的0刻度线与圆盘的0刻度线之间所夹的角度为      

12.在测定一节干电池的电动势和内电阻的实验中,备有下列器材:

A.待测干电池(电动势约为1.5V,内阻小于1.0Ω)

B.电流表G(满偏电流3mA,内阻Rg=10Ω)

C.电流表A(0-0.6A,内阻0.1Ω)

D.滑动变阻器R1(0-20Ω,,10A)

E.滑动变阻器R2(0-200Ω,1A)

F.定值电阻R0(990Ω)

G.开关和导线若干

(1)某同学发现上述器材中虽然没有电压表,但给出了两个电流表,于是他设计了图1中的(a)、(b)两个参考实验电路.其中合理的是图________所示的电路;在该电路中,为了操作方便且能较准确的进行测量,滑动变阻器应选__________(填写器材的字母代号).

     

(2)图2为该同学根据①中选出的合理实验电路利用测出的数据绘出的I1- I2图线,(I1为电流表G的示数,I2为电流表A的示数),则由图线可得被测电池的电动势E=______V,内阻r=______Ω.

试题详情

10.图甲是在温度为10℃左右的环境中工作的某自动恒温箱原理简图,箱内的电阻

 R1=20kΩ,R2=10kΩ,R3=40kΩ,Rt为热敏电阻,它的电阻随温度变化的图线如

   图乙所示.当 a、b端电压 Uab<0时,电压鉴别器会令开关S接通,恒温箱内的电

 热丝发热,使箱内温度提高;当Uab>0时,电压鉴别器使 S断开,停止加热,恒

 温箱内的温度恒定在

 A.10℃      B. 20℃     C. 35℃     D.45℃

  

第II卷(非选择题 共60分)

试题详情

9.如图所示,质量为m的物体在水平传送带上由静止释放,传送带由电动机带动,始

 终保持以速度v匀速运动,物体与传送带间的动摩擦因数为μ,物体过一会儿能保

 持与传送带相对静止,对于物体从静止释放到相对静止这一过程,下列说法正确的是

 A.电动机多做的功为

 B.摩擦力对物体做的功为

 C.传送带克服摩擦力做的功为

 D.电动机增加的功率为μmgv

试题详情

1.5倍,现假设有一艘宇宙飞船飞临该星球表面附近轨道做匀速圆周运动,则下列说

 法正确的是

 A.“格利斯581c”的平均密度比地球平均密度小

 B.“格利斯581c”表面处的重力加速度小于9.8m/s2

 C.飞船在“格利斯581c” 表面附近运行时的速度大于7.9km/s

 D.飞船在“格利斯581c” 表面附近运行时的周期要比绕地表面运行的周期小

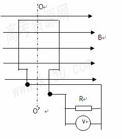
 8.如图所示,在磁感应强度为B的匀强磁场中,有一

 匝数为N的矩形线圈,其面积为S,电阻为r,线圈两

 端外接一电阻为R的用电器和一个交流电压表,若

 线圈绕对称轴OO’以角速度ω做匀速转动,则线圈

 从图示位置转过900的过程中,下列说法正确的是

 A.通过电阻R的电量为

 B.交流电压表的示数为

 C. 交流电压表的示数为

 D.电阻R产生的热量为

试题详情

7.不久前,欧洲天文学家宣布在太阳系之外发现了一颗可能适合人类居住的类地行星,

 命名为“格利斯581c”,该行星的质量约为地球质量的5倍,直径约为地球直径的

试题详情

5.电子在匀强磁场中,以某固定的正电荷为中心做顺时针方向的匀速圆周运动,如图

 所示,磁场方向与电子运动平面垂直,磁感应强度为B,电子速率为v,正电荷与电

 子的带电量均为e,电子质量为m,圆周半径为r,则下列判断正确的是

 A.如果,则磁感线一定指向纸内

 B. 如果,则电子角速度为

 C. 如果,则电子不能做匀速圆周运动

 D. 如果,则电子角速度可能有两个值

 6.一列横波在x轴上沿x轴正方向

 传播,在ts与t+0.4s两时刻在x

 轴上-3-3m的区间内的波形图如

 图中同一条图线所示,则下列说

 法正确的是

 A.质点振动周期一定为0.4s

 B.该波的最小波速为10m/s

 C.从ts时开始计时,x=2m处的质 

  点比x=2.5m处的质点先回到平衡位置

 D.从ts时开始计时,经0.4s,x=2m处的质点沿x轴正方向传播运动的路程至少为4m

试题详情

4.如图所示,一束复色可见光入射到置于空气中的平行玻璃砖MNPQ上,穿过玻璃后从下表面射出a、b两束单色光,则下列说法正确的是

 A.玻璃对a的折射率较大

 B.b光子的能量较大

 C.a、b两束单色光互相平行

 D.若增大MN面上入射角,a光可能在PQ面上

  发生全反射

试题详情

3.如图所示,A、B两物体之间用轻质弹簧连接,用水平恒力F拉A,使A、B两物体一

 起沿光滑水平面做匀加速运动,这时弹簧长度为L1,

 若将A、B置于粗糙水平面上用相同的水平恒力F

 拉A,使A、B一起做匀加速运动,此时弹簧为L2,

 若A、B与粗糙水平面之间的动摩擦因数相同,则下列关系式正确的是

 A. L2=L1   B. L2>L1    C. L2<L1 

 D.由于A、B质量关系未知,故无法确定L1、 L2的大小关系

试题详情

2.用打气筒给自行车打气时会感到越来越费力,气筒壁还会发热,对上述现象的解释

正确的是

A.分子间作用力为斥力,且越来越大

B.气体密度加大,在相同时间内,撞击活塞的气体数目增多

C.气筒壁发热的原因主要是活塞压缩气体做功使气体的内能增大,器壁吸热

D. 气筒壁发热的原因主要是活塞克服器壁的摩擦力做功,机械能转化为内能

试题详情


同步练习册答案