0  324566  324574  324580  324584  324590  324592  324596  324602  324604  324610  324616  324620  324622  324626  324632  324634  324640  324644  324646  324650  324652  324656  324658  324660  324661  324662  324664  324665  324666  324668  324670  324674  324676  324680  324682  324686  324692  324694  324700  324704  324706  324710  324716  324722  324724  324730  324734  324736  324742  324746  324752  324760  447090 

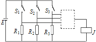
1.一个机要仓库有一扇很大的电动仓库门,门上装有三把锁,三个机要员各有一把锁的钥匙,只有三人同时转动自己的钥匙(闭合自己的开关),才能通过一个继电器把门打开。图中的S1、S2、S3是三个锁内的开关,J为继电器(图中未画电动机的电路)。则方框内符合要求的门电路是

A.与门   

B.或门   

C.非门  

D.与非门

试题详情

16.(15分)如图所示,电场极板AB间有电场强度的匀强电场,一带电量的小球开始时静止在电场中的点,靠近电场极板B处有一挡板S,小球与挡板S的距离,与板距离,小球的重力不计.在电场力作用下小球向左运动,与挡板S相碰后电量减少到碰前的K倍,已知,碰撞过程中小球的机械能没有损失.

(1)求小球第一次到达挡板S时的动能;

(2)求小球第一次与挡板S相碰后向右运动的距离;

(3)小球与挡板S经过多少次碰撞后,才能运动到板?

试题详情

15.(15分)如图所示,半径R=0.80m的光滑圆弧轨道竖直固定,过最低点的半径OC处于竖直位置.其右方有底面半径r=0.2m的转筒,转筒顶端与C等高,下部有一小孔,距顶端h=0.8m.转筒的轴线与圆弧轨道在同一竖直平面内,开始时小孔也在这一平面内的图示位置.今让一质量m=0.1kg的小物块自A点由静止开始下落后打在圆弧轨道上的B点,但未反弹,在瞬问碰撞过程中,小物块沿半径方向的分速度立刻减为0,而沿切线方向的分速度不变.此后,小物块沿圆弧轨道滑下,到达C点时触动光电装置,使转筒立刻以某一角速度匀速转动起来,且小物块最终正好进入小孔.已知AB到圆心O的距离均为R,与水平方向的夹角均为θ=30°,不计空气阻力,g取l0m/s2.求:

  (1)小物块到达C点时对轨道的压力大小 FC

  (2)转筒轴线距C点的距离L

  (3)转筒转动的角速度ω.

试题详情

14.(14分)如图所示的电路中,电源电动势E=6V,其内阻可忽略不计。电阻的阻值分别为R1=2.4kΩ、R2=4.8kΩ,电容器的电容C=4.7μF。闭合开关S,待电流稳定后,用电压表测R1的两端的电压,其稳定值为1.5V。(1)该电压表的内阻为多大?(2)由于电压表的接入,电容器的带电荷量变化了多少?

试题详情

13.(12分)一物体放在光滑的斜面上,在沿斜面向上的拉力作用下,在0-6秒内,其速度与时间的图像及拉力的功率与时间的图像如图所示,试求: (1)物体的质量;

(2)斜面的倾角。

试题详情

12.(12分)某同学设计了一个探究加速度与物体所受合力F及质量m间关系的实验.图(a)为实验装置简图,A为小车,B为打点计时器,C为装有砂的砂桶,D为一端带有定滑轮的长方形木板,实验中认为细绳对小车拉力F等于砂和砂桶总重力,小车运动加速度a可由纸带上点求得.

(1)图(b)为某次实验得到的纸带(交流电的频率为50Hz),由图中数据求出小车加速度值为

      m/s2

(2)保持砂和砂桶质量不变,改变小车质量m,分别得到小车加速度a与质量m及对应的数据如表中所示,根据表中数据,为直观反映F不变时am的关系,请在方格坐标纸中选择恰当物理量建立坐标系,并作出图线;

从图线中得到F不变时小车加速度a与质量m间定量关系是_____________;

次  数
1
2
3
4
5
6
7
8
小车加速度a/ms-2
1.90
1.72
1.49
1.25
1.00
0.75
0.50
0.30
小车质量m/kg
0.25
0.29
0.33
0.40
0.50
0.71
1.00
1.67

4.00
3.50
3.00
2.5
2.00
1.40
1.00
0.60

(3)保持小车质量不变,改变砂和砂桶质  量,该同学根据实验数据作出了加速度a与合力F图线如图(d),该图线不通过原点,明显超出偶然误差范围,其主要原因是

                     .

试题详情

11.(8分)某学习小组做探究“合力的功和物体速度变化关系” 的实验如图,图中小车是在一条橡皮筋作用下弹出,沿木板滑行,这时,橡皮筋对小车做的功记为W. 当用2条、3条……,完全相同的橡皮筋并在一起进行第2次、第3次……实验时,使每次实验中橡皮筋伸长的长度都保持一致。每次实验中小车获得的速度由打点计时器所打的纸带测出。

(1)除了图中已有的实验器材外,还需要导线、开关、刻度尺和     电源(填“交流”或“直流”);

(2)实验中,小车会受到摩擦阻力的作用,可以使木板适当倾斜来平衡掉摩擦阻力,则下面操作正确的是     

A.放开小车,能够自由下滑即可

B.放开小车,能够匀速下滑即可

C.放开拖着纸带的小车,能够自由下滑即可

D.放开拖着纸带的小车,能够匀速下滑即可

(3)若木板水平放置,小车在两条橡皮筋作用下运动,当小车速度最大时,关于橡皮筋所处的状态与小车所在的位置,下列说法正确的是       

A.橡皮筋处于原长状态           B.橡皮筋仍处于伸长状态

C.小车在两个铁钉的连线处         D.小车已过两个铁钉的连线

(4)在正确操作情况下,打在纸带上的点,并不都是均匀的,为了测量小车获得的速度,应选用纸带的     部分进行测量(根据下面所示的纸带回答);

试题详情

10.如图所示,一质量为m、带电量为q的物体处于场强按E=E0kt(E0k均为大于零的常数,取水平向左为正方向)变化的电场中,物体与竖直墙壁间动摩擦因数为μ,当t=0时刻物体刚好处于静止状态.若物体所受的最大静摩擦力等于滑动摩擦力,且电场空间和墙面均足够大,下列说法正确的是

A.物体开始运动后加速度先增加、后保持不变

B.物体开始运动后加速度不断增加

C.经过时间t=E0/k,物体在竖直墙壁上的位移达最大值

D.经过时间t=(μE0q-mg)/μkq,物体运动速度达最大值

第Ⅱ卷(简答与计算 共76分)

试题详情

9.如图甲所示,是电场中的一条直线.电子以某一初速度从点出发,仅在电场力作用下沿A运动到点,其v-t图象如图乙所示,关于两点的电场强度EAEB和电势φAφB的关系,下列判断正确的是

A.>   B.<  

C.   D.

试题详情

8.如图,重物P放在粗糙的水平板OM上,当水平板绕O端缓慢抬高,在重物P没有滑动之前,下列说法中正确的是

A.P受到的支持力不做功.   B.P受到的支持力做正功.

C.P受到的摩擦力负功.    D.P受到的摩擦力不做功.

试题详情


同步练习册答案