0  324737  324745  324751  324755  324761  324763  324767  324773  324775  324781  324787  324791  324793  324797  324803  324805  324811  324815  324817  324821  324823  324827  324829  324831  324832  324833  324835  324836  324837  324839  324841  324845  324847  324851  324853  324857  324863  324865  324871  324875  324877  324881  324887  324893  324895  324901  324905  324907  324913  324917  324923  324931  447090 

10.某种位移传感器的原理如图所示,物体m在导轨上平移时,带动滑动变阻器的金属杆P移动,通过理想电压表显示的数据来反映物体位移的大小x,则下列说法正确的是

A. 物体m向右移动时,电压表的示数变大

B. 物体m运动时,电压表的示数会发生变化

C. 物体m运动时,电路中的电流会发生变化

D.电压表示数的改变量ΔU与物体位移x成正比

试题详情

9.在如图所示电路中,L为自感系数较大的线圈,ab灯完全相同,闭合电键S,调节R,使ab都正常发光。那么在断开和再次闭合电键S后,将看到的现象是  

A. 电键闭合瞬间,b灯、a灯一起亮

B.电键闭合瞬间,b灯比a灯先亮

C.电键断开瞬间,b灯闪亮一下

D.电键断开瞬间,a灯闪亮一下

试题详情

8.设质量相等的甲、乙两颗卫星,分别贴近某星球表面和地球表面,环绕其球心做匀速圆周运动,已知该星球和地球的密度相同,其半径分别为Rr,则

A.甲、乙两颗卫星的加速度之比等于R: r

B.甲、乙两颗卫星所受的向心力之比等于1: 1

C.甲、乙两颗卫星的线速度之比等于1: 1

D.甲、乙两颗卫星的周期之比等于R: r

试题详情

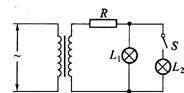
7.如图所示,理想变压器副线圈通过导线接两个相同的灯泡L1L2。导线的等效电阻为R。现将原来断开的开关S闭合,若变压器原线圈两端的电压保持不变,则下列说法中正确的是

A.副线圈两端的电压不变    

  B.通过灯泡L1的电流增大

C.原线圈中的电流减小         

D.变压器的输入功率减小

试题详情

6.  如图所示,光滑绝缘水平面上有一个静止的小导体环,现在将一个条形磁铁从导体环的右上方较高处突然向下移动,则在此过程中,关于导体环的运动方向以及导体环中的电流方向,下列说法中正确的事

A. 导体环向左运动;从上向下看,电流方向是顺时针方向


 

 

 
B. 导体环向右运动;从上向下看,电流方向是顺时针方向

  C. 导体环向右运动;从上向下看,电流方向是逆时针方向

D. 导体环向左运动;从上向下看,电流方向是逆时针方向

试题详情

5.一个质点以o为中心做简谐运动,位移随时间变化的图象如图所示,abcd表示的是质点在不同时刻的相应位置。下面说法正确的是

A.质点在位置b比在位置d时相位超前

B.质点通过位置b时,相对平衡位置的位移为A/2  

C.质点从位置ac和从位置bd所用的时间相等 

D.质点从位置ab和从bc的过程中平均速度相等 

 

试题详情

4. 图示为沿x轴正向传播的简谐横波在某时刻波形图,波速2.0m/s,下列说法正确的是

A.该波的振动周期为4 s

B.质点P此时刻的振动方向沿y轴正方向

C.经过Δt=4 s,质点P将向右移动8.0 m

D.经过Δt=4 s,质点Q通过的路程是0.40 m

试题详情

3. 如图所示,三个完全相同的金属小球abc位于等边三角形的三个顶点上。a带负电,bc带正电, a所带电量大小比b的要大。已知c受到ab的静电力的合力可用图中四条有向线段中的一条来表示,那么它应是

A.  F1        B.F2       C.F3        D.F4

试题详情

2.如图所示,内壁光滑绝缘的半球形容器固定在水平面上,O为球心,一质量为m、带电量为q的小滑块,静止于P点,整个装置处于沿水平方向的匀强电场中。设滑块所受支持力为FN,  OP与水平方向的夹角为θ。下列关系正确的是

A.         B.qE=mgtanθ

C.         D.FN=mgtanθ

试题详情

1.  关于电磁波,下列说法中不正确的是

A?在传播过程中传递能量     B 其频率与传播波的介质有关

C 它能产生干涉、衍射现象    D 它能在真空中传播

试题详情


同步练习册答案