0  331479  331487  331493  331497  331503  331505  331509  331515  331517  331523  331529  331533  331535  331539  331545  331547  331553  331557  331559  331563  331565  331569  331571  331573  331574  331575  331577  331578  331579  331581  331583  331587  331589  331593  331595  331599  331605  331607  331613  331617  331619  331623  331629  331635  331637  331643  331647  331649  331655  331659  331665  331673  447090 

12.成语往往蕴含着丰富的历史。秦、晋两国国君几代都互相通婚,后称两姓联姻为“秦晋之好”。这一成语最早可能出现在 

A.夏朝    B.商朝    C.春秋     D.战国

试题详情

16.(12分)“头脑风暴法”是上个世纪风靡美国的一种培养学生创新思维能力的方法,某学校的一个“头脑风暴实验研究小组”,以“保护鸡蛋”为题,要求制作-个装置:让鸡蛋从高处落到地面而不被摔坏;鸡蛋要不被摔坏,直接撞击地面的速度最大不能超过1.5m/s。现有一位同学设计了如图13所示的-个装置来保护鸡蛋,用A、B两块较粗糙的夹板夹住鸡蛋,鸡蛋夹放的位置离装置下端的距离s=0.45m,A、B夹板与鸡蛋之间的摩擦力都为鸡蛋重力的5倍,现将该装置从距地面某一高处自由落下,装置着地时间短且保持竖直不被弹起,g=10m/s2

求:

  (1)如果没有保护,鸡蛋自由下落而不被摔坏的最大高度h;

(2)如果使用该装置保护,刚开始下落时装置的末端离地 

面的最大高度H.(计算结果小数点后保留两位数字)

试题详情

15.(10分)如图12所示,空间存在着电场强度E=2.5×102N/C、方向竖直向上的匀强电场,在电场内一长为L=0.5m的绝缘细线一端固定于O点,另一端拴着质量m=0.5kg、电荷量q=4×10-2C的小球。现将细线拉至水平位置,将小球由静止释放,当小球运动到最高点时细线受到的拉力恰好达到它能承受的最大值而断开,取g=10m/s2。求:

  (1)小球的电性;

  (2)细线能承受的最大拉力值;

(3)当小继续运动到与O点水平方向的距离为L时,小球 

速度多大?

试题详情

14.(8分)某地的平均风速为5m/s,已知空气密度是1.2kg/m3,有一风车,它的车叶转动时可形成半径为12m的圆面,如果这个风车能将此圆内10%的气流的动能转变为电能,则该风车带动的发电机功率是多大?

试题详情

13.(8分)如图11所示:|EA-EB|=100V/m,其中较小的场强为30V/m,||=20V,将一电量q=-5×10-10C的电荷由A移动到B:

求:电场力做功和在A处受到电场力。

试题详情

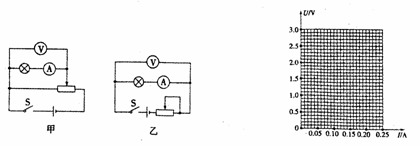
12.表格中所列数据是测量小灯泡U-I关系的实验数据: 

U(V)
0.0
0.2
0.5
1.0
1.5
2.0
2.5
3.0
I(A)
0.000
0.050
0.100
0.150
0.180
0.195
0.205
0.215

(1)(2分)分析上表内实验数据可知,应选用的实验电路图是图9中的________(选填“甲”或“乙”)。 

  (2)请在图10所示的方格纸内画出小灯泡的U-I曲线(2分),分析曲线可知小灯泡的电阻随I变大而_______(选填“变大”、“变小”或“不变)(2分)。

试题详情

11.如图8甲所示为测量电动机转动角速度的实验装置,半径不大的圆形卡纸固定在电动机转轴上,在电动机的带动下匀速转动,在圆形卡纸的旁边安装一个改装了的电火花计时器。

   下面是该实验的实验步骤:

   I.使电火花计时器与圆形卡纸保持良好接触;

   Ⅱ.启动电动机,使圆形卡纸转动起来;

   Ⅲ.接通电火花计时器的电源,使它工作起来;               

Ⅳ.关闭电动机,拆除电火花计时器;研究卡纸上   

留下的一段痕迹(如图8乙所示),写出角速度ω

的表达式,代入数据,得出ω的测量值。

  (1)(2分)要得到角速度ω的测量值,还缺少一种必要的测量工具,它是

   A.秒表     B.游标卡尺    C.圆规       D.量角器

  (2)(4分)写出ω的表达式,并指出表达式中各个物理量的含义:_________________

_______________________________________________________.

试题详情

10.在航天员完成任务准备返回地球时,轨道舱与返回舱分离,此时,与神七相距100公里至200公里的伴飞小卫星,将开始其观测、“追赶”、绕飞的三步试验:第一步是由其携带的导航定位系统把相关信息传递给地面飞控中心,通过地面接收系统,测量伴飞小卫星与轨道舱的相对距离;第二步是由地面飞控中心发送操作信号,控制伴飞小卫星向轨道舱“追”去,“追”的动力为液氨推进剂,因此能够以较快速度接近轨道舱;第三步是通过变轨调姿,绕着轨道舱飞行。下列关于伴飞小卫星的说法中正确的是

   A.小卫星保持相距轨道舱一定距离时的向心加速度与轨道舱的相同

   B.若要伴飞小卫星“追”上轨道舱,只需在较低的轨道上加速即可

   C.若要伴飞小卫星“追”上轨道舱,只需在原轨道上加速即可

D.伴飞小卫星绕飞船做圆周运动时需要地面对小卫星的遥控,启动其动力系统,并非

万有引力提供其向心力

第Ⅱ卷(非选择题,共50分)

试题详情

9.以下说法不正确的有

   A.气体的温度越高,分子的平均动能越大

   B.即使气体的温度很高,仍有一些分子的运动速率是非常小的

C.如果气体分子间的相互作用力小到可以忽略不计,则气体的

内能只与温度有关 

D.一由不导热的器壁做成的容器,被不导热的隔板分成甲、乙

两室,甲室中装有一定质量的温度为T的气体,乙室为真空。

如图7所示,提起隔板,让甲室中的气体进入乙室,若甲室

中的气体的内能只与温度有关,则提起隔板后当气体重新达到平衡时,其温度仍为T

(设容器固定)

试题详情

8.图6中a、b是两个点电荷,它们的电量分别为Q1、Q2,MN是

ab连线的中垂线,P是中垂线上的一点。下列哪种情况能使P

点场强方向指向MN的右侧

   A.Q1、Q2都是正电荷,且Q1<Q2

   B.Q1是正电荷,Q2是负电荷,且Q1>|Q2|                   

   C.Q1是负电荷,Q2是正电荷,且|Q1|<Q2

   D.Q1、Q2都是负电荷,且|Q1|>|Q2

试题详情


同步练习册答案