0  336628  336636  336642  336646  336652  336654  336658  336664  336666  336672  336678  336682  336684  336688  336694  336696  336702  336706  336708  336712  336714  336718  336720  336722  336723  336724  336726  336727  336728  336730  336732  336736  336738  336742  336744  336748  336754  336756  336762  336766  336768  336772  336778  336784  336786  336792  336796  336798  336804  336808  336814  336822  447090 

14.(15分)如图所示,将一质量m=0.1kg的小球自水平平台顶端O点水平抛出,小球恰好与斜面无碰撞的落到平台右侧一倾角为=53°的光滑斜面顶端A并沿斜面下滑,然后以不变的速率过B点后进入光滑水平轨道BC部分,再进入光滑的竖直圆轨道内侧运动.已知斜面顶端与平台的高度差h=3.2m,斜面顶端高H=15m,竖直圆轨道半径R=5m.重力加速度g取10m/s2. 求:

(1)小球水平抛出的初速度υo及斜面顶端与平台边缘的水平距离x

(2)小球离开平台后到达斜面底端的速度大小;

(3)小球运动到圆轨道最高点D时对轨道的压力.

试题详情

写出最后答案的不能得分。有数值计算的题,答案中必须明确写出数值和单位.

13.(13分)如图所示,质量m=4kg的小物块在与水平方向成θ=370角的恒力F作用下,从静止开始向右做匀加速运动,已知小物块与水平地面间的动摩擦因数为μ=0.5.经过tl=2s后撤去恒力F,小物块继续向前运动t2=4s后停下.重力加速度g取10m/s2.(sin53°=0.8,cos53°=0.6)求:

(1)恒力F的大小;

(2)小物块的总位移x

试题详情

12.(16分)在“测电池的电动势和内阻”的实验中,可用以下给定的器材和一些导线来完成实验.器材:待测干电池E一节,电压表V,电流表A,滑动变阻器R1(0 ~ 10Ω),滑动变阻器R2(0 ~ 200Ω),开关S.(结果均保留2位小数).

(1)为方便实验调节且能较准确地进行测量,滑动变阻器应选用    (填R1 R2).

(2)实验所用电路如图甲所示,请用笔画线代替导线在图乙中完成实物连接图,要求保证电键在闭合前滑动变阻器的滑片处于正确的位置.

(3)该同学根据实验数据得到图丙中的图象b,则他根据图象b求得电源电动势E=    V,内电阻r=    Ω.

(4)丙图中a图线是某电阻R的伏安特性曲线,则两条图线ab的交点的横、纵坐标分别表示   ▲   ,该同学将该电阻R与本实验中的所用的电池连成一闭合电路,此时电阻R消耗的电功率是  ▲  W.

(5)假如本实验中所使用的电压表的内阻很大(可视为理想电压表),而电流表是具有一定的内阻(不可忽略),则根据本实验原理图所测得的电源电动势值将  ▲  ,内电阻值将  ▲  .(选填“偏大”、“偏小”、“不变”)

试题详情

11.(8分)在“探究速度随时间变化的规律”实验中,小车做匀变速直线运动,记录小车运动的纸带如图所示.某同学在纸带上共选择7个计数点ABCDEFG,相邻两个计数点之间还有5个点没有画出,他量得各点到A点的距离如图所示,他根据纸带算出小车的加速度为1 .0m/s2(结果均保留2位有效数字).则:

(1)本实验中所使用的交流电源的频率为    Hz;

(2)打B点时小车的速度vB    m/s,BE间的平均速度    m/s;

试题详情

10.(6分)下图中游标卡尺读数为  ▲  mm,螺旋测微器读数为  ▲  mm.

试题详情

9.如图所示,一轻质弹簧左端固定在长木块M的左端,右端与小物块m连接,且mMM与地面间接触面均光滑,开始时,mM均处于静止状态,现同时对mM施加等大反向的水平恒力F1F2.两物体开始运动后的整个过程中,对mM和弹簧组成的系统(整个过程中弹簧形变量不超过其弹性限度,M足够长),下列说法正确的是

(A)由于F1F2等大反向,故两力对系统所做功的代数和为零

(B)由于F1F2都对mM做正功,故系统动能不断增大

(C)当弹簧弹力大小与F1F2大小相等时,系统动能最大

(D)从开始运动到弹簧伸长至最长的过程中,由于F1F2都对

mM做正功,故系统机械能不断增大

试题详情

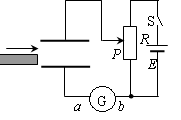
8.如图所示,平行板电容器通过一滑动变阻器R与直流电源连接,G为一零刻度在表盘中央的灵敏电流计,闭合开关S后,下列说法正确的是

(A)若只在两板间插入电介质,电容器的两板间电压将保持不变

(B)若只将开关S断开,电容器带电量将保持不变

(C)若只将电容器下极板向下移动一小段距离,此过程电流计中有

    从ba方向的电流

(D)若只将滑动变阻器滑片P向上移动,电容器储存的电能将增加

试题详情

7.如图所示,理想变压器原、副线圈的匝数比为10:1,b是原线圈的中心抽头,电压表和电流表均为理想

电表,除R以外其余电阻不计.从某时刻开始在原线圈cd两端加上(V)的

交变电压,并将开关接在a处.则

(A)t=s时,cd间电压瞬时值为110V

(B)t=s时,电压表的示数为22V

(C)若将滑动变阻器触片P向上移动,电压表和电流表A2的示数均变大

(D)若将单刀双掷开关由a拨向b,两电流表的示数均变大

试题详情

6.如图所示,地球赤道上的山丘e,近地资源卫星p和同步通信卫星q均在赤道平面上绕地心做匀速圆

周运动.设epq运动速率分别为,向心加速度大小分别为,则下列说法

正确的是

(A)      (B)

(C)      (D)

试题详情

5.如图甲所示,劲度系数为k的轻弹簧竖直放置,下端固定在水平地面上,一质量为m的小球,从离弹

簧上端高h处自由下落,接触弹簧后继续向下运动.若以小球开始下落的位置为原点,沿竖直向下建

立一坐标轴ox,小球的速度v随时间t变化的图象如图乙所示.其中OA段为直线,AB段是与OA

切于A点的曲线,BC是平滑的曲线,则关于ABC三点对应的x坐标及加速度大小,下列说法

正确的是

(A)

(B)

(C)

(D)小球从OB的过程重力做的功大于小球动能的增量

试题详情


同步练习册答案