0  337992  338000  338006  338010  338016  338018  338022  338028  338030  338036  338042  338046  338048  338052  338058  338060  338066  338070  338072  338076  338078  338082  338084  338086  338087  338088  338090  338091  338092  338094  338096  338100  338102  338106  338108  338112  338118  338120  338126  338130  338132  338136  338142  338148  338150  338156  338160  338162  338168  338172  338178  338186  447090 

2.物体在一条直线上运动,关于物体运动的以下描述正确的是(  )

A.只要每分钟的位移大小相等,物体一定是作匀速直线运动。

B.在不相等的时间里位移不相等,物体不可能作匀速直线运动。

C.在不相等的时间里位移相等,物体一定是作变速直线运动。

D.无论是匀速还是变速直线运动,物体的位移都跟运动时间成正比。

试题详情

1.2008年北京奥运会火炬实现了成功登上珠峰的预定目标,如图所示是火炬手攀登珠峰的线路示意图,请根据此图判断下列说法中正确的是(  )

A线路总长度与火炬手所走时间的比值等于火炬手登山的平均速度

B.火炬手手举火炬从珠峰下到峰顶走过的路程与位移相等。

C.在计算登山的速度时可以把火炬手当成质点

D.峰顶的重力加速度比拉萨的重力加速度大小

试题详情

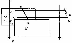
16、(15分)如图所示,M、N为竖直放置的两平行金属板,两板相距d=0.4m。EF、GH为水平放置的且与M、N平行的金属导轨,其右端(即F、H处)接有一R=0.3Ω的电阻,导轨与M、N的上边缘处在同一水平面上,两导轨相距L=0.2m。现有一长为0.4m的金属棒ab与导轨垂直放置,并与导轨及金属板接触良好,金属棒ab的总电阻为r=0.2Ω,整个装置处于竖直向下的匀强磁场中,磁场的磁感应强度B=1T。现有一个重力不计的正电荷,以v0=7m/s的速度从金属板的左端水平向右射入板间,为了使电荷能做匀速直线运动,试求:

  (1)ab棒应向哪个方向匀速运动(答左或右,不答原因)?ab运动的速度为多大?

  (2)如果金属棒的质量m=0.4kg(取g=10m/s2),金属棒与导轨和金属板间的动摩擦因数都为μ=0.5,则拉动金属棒向前运动的水平拉力多大?

2009-2010学年上学期惠民县高三综合素质检测物理试题

试题详情

15、(15分)如图所示,在y>0的空间中存在着沿y轴正方的匀强电场;在y<0的空间中存在垂直xoy平面向里的匀强磁场。一个带负电的粒子(质量为m,电荷量为q,不计重力),从y轴上的P(0,b)点以平行于x轴的初速度射入电场,经过x轴上的N(2b,0)点。求:

  (1)粒子经过N点时的速度大小和方向。

  (2)已知粒子进入磁场后恰好通过坐标原点,则粒子在磁场中运动的时间为多少?

试题详情

14、(10分)如图所示,半径R=0.9m的光滑的半圆轨道固定在竖直平面内,直径AC竖直,下端A与光滑的水平轨道相切。一小球沿水平轨道进入竖直圆轨道,通过最高点C时对轨道的压力为其重力的3倍。不计空气阻力,g取10m/s2。求:

  (1)小球在A点的速度大小;

  (2)小球的落地点到A点的距离。

试题详情

13、(6分)利用如图甲所示电路图可以测定定值电阻R0的阻值、电源电动势E及内电阻r的值,利用实验测出的数据作出U-I图线如右图乙所示。     

(1)测得a图线的电压表应该是

          (填“V1”或“V2”)

(2)要使实验中测量定值电阻R0的误差可能小,对电流表A的内电阻大小的要求是       ;(选填字母代号)

   A.尽可能选小一点     B.尽可能选大一点    C.无要求

(3)要使实验中测量电源电动势E和内阻r的误差尽可能小对电压表V1的内电阻大小的要求是       ;(选填字母代号)

   A.尽可能选小一点       B.尽可能选大一点    C.无要求

试题详情

12、(6分)如图所示为用伏安法测量一个定值电阻阻值的实验所需器材的实物图,器材规格如下

(1)待测电阻Rx(约100 Ω);

(2)直流毫安表(量程0 ~ 50 mA,内阻约50 Ω);

(3)直流电压表(量程0 ~ 3 V,内阻约5 kΩ);

(4)直流电源(输出电压6 V,内阻不计);

(5)滑动变阻器(阻值范围0 ~ 15 Ω,允许最大电流1 A);

(6)开关1个,导线若干条。

根据器材的规格和实验要求,在左框中画出实验电路图,在右边的实物图上连线。

试题详情

11、(1)(4分)读出游标卡尺和螺旋测微器的读数:游标卡尺的读数为__________mm,螺旋测微器的读数为__________mm.

(2)(4分)某同学在做“探究小车速度随时间变化的规律”实验时,得到一条如下图所示的纸带.该同学从某点O开始,在纸带上每隔4个点连续取了7个计数点(相邻两个计数点间还有4个计数点没有画出).已知,打点计时器打点的时间间隔为0.02s,根据纸带提供的数据可得:打点计时器在打下A点时的速度vA=________m/s,纸带运动的加速度大小为_______m/s2.(结果保留两位有效数字)

试题详情

10.如图所示,理想变压器原副线圈的匝数比为=1∶2,导线的电阻均可忽略,导体棒ab的电阻阻值是副线圈负载R阻值的一半,当导体棒ab在匀强磁场中匀速运动时,电表的示数分别为10mA、5mV,则副线圈的两个电表示数应分别为   (   )

   A.5mA,10mV  B.0,0       C.20mA,2.5mV          D.10mA,10mV 

第Ⅱ卷(非选择题 60分)

试题详情

9.如图所示,两条柔软的导线与两根金属棒相连,组成闭合电路,且上端金属棒固定,下端金属棒自由悬垂.如果穿过回路的磁场逐渐增强,下面金属棒可能的运动情况是(   )

   A.向左摆动    B.向右摆动     C.向上运动    D.不动

试题详情


同步练习册答案