0  340262  340270  340276  340280  340286  340288  340292  340298  340300  340306  340312  340316  340318  340322  340328  340330  340336  340340  340342  340346  340348  340352  340354  340356  340357  340358  340360  340361  340362  340364  340366  340370  340372  340376  340378  340382  340388  340390  340396  340400  340402  340406  340412  340418  340420  340426  340430  340432  340438  340442  340448  340456  447090 

33. 国务院曾发布通知,在内蒙古草原上禁止挖发菜、甘草、麻黄草。目的是(   )

A.上述植物属于珍稀植物,必须加以保护

B.研究发现食用发菜等对人体健康有害

C.甘草、麻黄草属于淘汰使用的药材

D.保护草原上的植被,防止荒漠化、沙尘暴

试题详情

32.可持续发展是这样的发展(   )

 A.既满足当代人的需求,又不损害后代人满足其需求的能力

 B.仅满足当代人的需求

 C.仅满足后代人的需求

 D.可持续发展的内涵是经济可持续发展

试题详情

31.乡村地区的环境问题主要表现为(  )

 A.大气污染 B.噪声污染   C.生态破坏  D.粮食匮乏

试题详情

30.机动灵活,周转速度快,装卸方便的运输方式是(   )

 A.铁路运输 B.水路运输   C.公路运输  D.航空运输

试题详情

29.解决城市交通线路拥堵的根本措施是(   )

A.控制私人汽车数量   B.绿化美化交通道路   

C.控制汽车尾气排放   D.合理规划城市道路

试题详情

28.人们出行,接触最多的交通运输点是(   )

 A.航空港    B.河港   C.海港  D.汽车站

试题详情

27.下列工业部门中,属于技术导向型工业的是(  )

  A.纺织工业  B.钢铁工业 C.电子工业   D.采掘工业

试题详情

26.工业集聚可以(   )

  A.扩大总体生产能力 B.提高生产成本  C.降低利润  D.获得分散效益

试题详情

欧洲某企业在我国投资建立某个新厂,某产品主要出口欧洲,这一决策使得为它生产零部件的一些生产厂陆续迁至该厂附近。该企业设想:早晨接到订单,立即组织生产,下午发货,次日产品运到欧洲。据此回答22-25题

22. 该厂产品可能是(   )

A、化工产品   B、电子产品  C、建筑陶瓷   D、生物药品

23. 该工厂布局首先需考虑靠近(    )

A、海港   B、航空港    C、公路枢纽   D、铁路枢纽

24. 该产品的零部件生产厂与成品生产厂在地理上集聚,主要有利于企业(   )

①快速交货,及时应变市场变化   ②降低生产成本,加快产品升级换代 

③集体快速转移生产地点   ④降低产品销售费用

A、①②    B、②③     C、③④    D、①④

25.某地要吸引该产品的生产企业以集群方式布局工厂,应该(   )

①提供丰富的自然资源  ②提供丰富的劳动力资源

 ③提供广阔的市场     ④营造优良的创新环境

A、①②   B、③④   C、①③    D、②④

试题详情

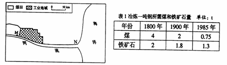
某钢铁厂于19世纪初建在M地;20世纪80年代将炼铁厂从M地迁至N地,炼钢厂仍留在M地,如左图所示。该钢铁厂所用的铁矿石一直依赖进口。图中河流可通航。结合表1,回答20-21题

20.该钢铁厂最初选择建在M地的有利条件有(   )

   ①接近燃料地  ②接近铁矿  ③接近消费市场  ④廉价劳动力充足

   A. ①③     B. ③④     C. ②④     D. ①④

21.该钢铁厂将炼铁厂迁至N地,可以降低(   )

   A. 燃料运输费用       B. 铁矿石运输费用

   C. 产品运输费用       D. 废弃物的排放量

试题详情


同步练习册答案