0  357212  357220  357226  357230  357236  357238  357242  357248  357250  357256  357262  357266  357268  357272  357278  357280  357286  357290  357292  357296  357298  357302  357304  357306  357307  357308  357310  357311  357312  357314  357316  357320  357322  357326  357328  357332  357338  357340  357346  357350  357352  357356  357362  357368  357370  357376  357380  357382  357388  357392  357398  357406  447090 

16、x轴夹角为30°的匀强磁场磁感强度为B(图12),一根长l的金属棒在此磁场中运动时始终与z轴平行(即与xoy平面垂直),以下哪些情况可在棒中得到方向相同、大小为Blv的电动势 (    )

A.以速率v向+y轴方向运动  B.以速率v垂直磁场方向运动

C.以2v速率向+x轴方向运动    D.以速率v向-y轴方向运动

试题详情

15、如图11所示是一种延时开关,当S1闭合时,电磁铁F将衔铁D吸下,C线路接通。当S1断开时,由于电磁感应作用,D将延迟一段时间才被释放。则(    )

A.由于A线圈的电磁感应作用,才产生延时释放D的作用

B.由于B线圈的电磁感应作用,才产生延时释放D的作用

C.如果断开B线圈的电键S2,无延时作用

D.如果断开B线圈的电键S2,延时将变长

试题详情

14、一闭合线圈固定在垂直于纸面的匀强磁场中,设向里为磁感强度B的正方向,线圈中的箭头为电流i的正方向(如图10所示).已知线圈中感生电流i随时间而变化的图像如图所示,则磁感强度B随时间而变化的图像可能是(    )

试题详情

13、如图9所示,A、B两灯相同,L是带铁芯的电阻可不计的线圈,下列说法中正确的是(    )

A.开关K合上瞬间,A、B两灯同时亮起来

B.K合上稳定后,A、B同时亮着  

C.K断开瞬间,A、B同时熄灭

D.K断开瞬间,B立即熄灭,A过一会儿再熄灭

试题详情

12、一水平的弹簧振子,以平衡位置O点为中心,在A、B两点间作简谐振动,则(   )

A.振子在O点的速度和加速度都达到最大           

B.振子的速度减小时,位移就增大

C.振子的加速度减小时,速度值一定变小

D.振子的速度方向与加速度方向可能相同,可能相反

试题详情

11、对于秒摆下述说法正确的是(   )

A.摆长缩短为原来的四分之一时,频率是1Hz

B.摆球质量减小到原来的四分之一时,周期是4s

C.振幅减为原来的四分之一时,周期是2s

D.如果重力加速度减为原来的四分之一时,频率为0.25Hz

试题详情

10、一列简谐横波沿x轴负方向传播,波速v=4 m/s,已知坐标原点 ( x=0 ) 处质点的振动图象如图8所示,在下列4幅图中能够正确表示t=0.35s时波形的图是    (    )

 

试题详情

9、如图7所示,正弦波和方波交变电流的最大值相等,周期也相等,现把它们流入完全相同的电阻,则在相同的时间(远大于周期)内,两电阻发热之比等于(   )

A.1/   B.1/2   C.1/4   D.1/1

试题详情

8、用U1U2两种电压分别通过相同长度和材料的导线输电,若输送的电功率相等,在输电线上损失的电功率也相同,则在两种情况下输电线截面积之比S1S2为  (   )

A.    B.    C.     D.

试题详情

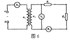
7、如图6所示有一理想变压器,原线圈接在电压一定的正弦交流电源上,副线圈电路中接入电阻R1和光敏电阻R2,各交流电表的内阻对电路的影响不计,当有光照射电阻R2时,各电表的示数变化情况是   (    )

A.电流表A1示数变大    B.电流表A2示数变小

C.电压表V1示数变小   D.电压表V1示数变大

试题详情


同步练习册答案