0  380430  380438  380444  380448  380454  380456  380460  380466  380468  380474  380480  380484  380486  380490  380496  380498  380504  380508  380510  380514  380516  380520  380522  380524  380525  380526  380528  380529  380530  380532  380534  380538  380540  380544  380546  380550  380556  380558  380564  380568  380570  380574  380580  380586  380588  380594  380598  380600  380606  380610  380616  380624  447090 

11、(1)(4分)判断以下说法的正误,在相应的括号内打“√”或“×”

A.光速不变原理是狭义相对论的两个基本假设之一             (    )

B.拍摄玻璃橱窗内的物品时,往往在镜头前加一个偏振片以增加透射光的强度(    )

C.光在介质中的速度大于光在真空中的速度                (    )

D.变化的电场一定产生变化的磁场;变化的磁场一定产生变化的电场     (    )

(2)(4分)如图所示,某同学用插针法测定一半圆形玻璃砖的折射率.在平铺的白纸上垂直纸面插大头针P1P2确定入射光线,并让入射光线过圆心O,在玻璃砖(图中实线部分)另一侧垂直纸面插大头针P3,使P3挡住P1P2的像,连接O P3.图中MN为分界面,虚线半圆与玻璃砖对称,BC分别是入射光线、折射光线与圆的交点,ABCD均垂直于法线并分别交法线于AD点. 设AB的长度为l1AO的长度为l2CD的长度为l3DO的长度为l4,为较方便地表示出玻璃砖的折射率,需用刻度尺测量      (用上述给出量的字母表示),则玻璃砖的折射率可表示为      

         (2)                    (3)

(3)(4分)如图所示是一列沿x轴正方向传播的简谐横波在t = 0时刻的波形图,已知波的传播速度v = 2m/s.试回答下列问题:

①写出x = 1.0 m处质点的振动函数表达式;

②求出x = 2.5m处质点在0 - 4.5s内通过的路程及t = 4.5s时的位移.

试题详情

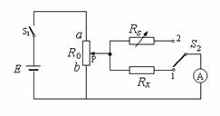
10、(12分)用替代法测一个未知电阻Rx的阻值可以用如图所示电路,图中RS为电阻箱(RS的最大阻值大于待测电阻Rx的阻值),S2为单刀双掷开关,R0为滑动变阻器,最大阻值为20Ω。为了电路安全,测量前应将滑动变阻器的滑片P调至   (选填“a”或“b”),电阻箱RS阻值应调至   (选填“最大”或“最小”)。闭合S1开始实验,接下来有如下一些操作:

  A、慢慢移动滑片P

  B、将S2闭合在2端

  C、将S2闭合在1端

  D、将S1断开,整理实验器材

  E、调节电阻箱RS的值,使电流表指针指在        (请补充完整)

  F、使电流表指针变化至某一适当位置

  G、记下电阻箱上电阻读数

  实验操作的合理次序是:              (填字母)

试题详情

9、如图所示,在一直立的光滑管内放置一轻质弹簧,上端O点与管口A的距离为2X0,一质量为m的小球从管口由静止下落,将弹簧压缩至最低点B,压缩量为x0,不计空气阻力,则

   A.小球运动的最大速度大于

   B.小球运动中最大加速度为g

   C.弹簧的劲度系数为mg/x0

  D.弹簧的最大弹性势能为3mgx0

第Ⅱ卷(非选择题,共69分)

试题详情

8、如图所示,两种不同的正离子(不计重力)垂直射入偏转电场,从偏转电场射出时具有相同的偏转距离y和偏转角θ(偏转电压U保持不变),则两种离子进入偏转电场前只要满足

  A.速度相同

  B.动能相同

  C.比荷和速度都相同

  D.由静止经同一加速电场加速

试题详情

7、历史上有些科学家曾把在相等位移内速度变化相等的单向直线运动称为“匀变速直线运动”(现称“另类匀变速直线运动”),“另类加速度”定义为,其中v0vt分别表示某段位移s内的初速和末速。A>0表示物体做加速运动,A<0表示物体做减速运动。而现在物理学中加速度的定义式为,下列说法正确的是

A.若A不变,则a也不变 

 B.若A>0且保持不变,则a逐渐变大

C.若A不变,则物体在中间位置处的速度为

D.若A不变,则物体在中间位置处的速度为

试题详情

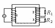
6、如图所示是理想变压器的示意图。铁芯上绕有3个线圈,1为原线圈,2和3为副线圈,它们的匝数之比为n1:n2:n3=10:2:1,设3个线圈的绕线电阻均可忽略。副线圈2和3上分别接有阻值为110Ω和11Ω的负载电阻R1R2。现在原线圈上加上220V的交变电压,则

  A.原线圈1和副线圈2 两端的电压之比为1∶5

  B.副线圈2和3两端的电压之比为2∶1

  C.通过原线圈1和副线圈2 的电流之比为1∶5

  D.通过线圈2和3的电流之比为1∶5  

试题详情

5、在生产实际中,有些高压直流电路中含有自感系数很大的线圈,当电路中的开关S由闭合到断开时,线圈会产生很高的自感电动势,使开关S处产生电弧,危及操作人员的人身安全.为了避免电弧的产生,在以下设计的电路中可行的是

 

试题详情

4、如图所示,一根质量为m、长为L的匀质链条,一端位于光滑的水平桌面上,另一端少许下垂于桌子边缘,并绕过光滑的定滑轮从静止开始下滑.设桌面足够高,则链条在下滑的过程中,对滑轮产生的最大压力是

    A.       B.

    C.      D.

试题详情

3、如图所示,A为静止于地球赤道上的物体,B为绕地球做椭圆轨道运行的卫星,C为绕地球做圆周运动的卫星,P为B、C两卫星轨道的交点.已知A、B、C绕地心运动的周期相同,相对于地心,下列说法中正确的是(  )

    A.物体A和卫星C具有相同大小的加速度

    B.卫星C的运行速度小于物体A的速度

    C.可能出现:在每天的某一时刻卫星B在A的正上方

    D.卫星B在P点运行的加速度大于卫星C的加速度

试题详情

2、一个直角支架AOB,AO水平放置,表面粗糙,OB竖直向下,表面光滑.AO上套有小环P,OB上套有小环Q,两球质量均为m,两环间由一根质量可忽略、不可伸长的细绳相连,并在某一位置平衡(如图).现将P环向左移一小段距离,两环再次达到平衡,那么将移动后的平衡状态和原来的平衡状态比较,AO杆对P环的支持力N和细绳上的拉力T的变化情况是

    A.N不变,T变大       B.N不变,T变小

    C.N变大,T变大       D.N变大,T变小

试题详情


同步练习册答案