0  398838  398846  398852  398856  398862  398864  398868  398874  398876  398882  398888  398892  398894  398898  398904  398906  398912  398916  398918  398922  398924  398928  398930  398932  398933  398934  398936  398937  398938  398940  398942  398946  398948  398952  398954  398958  398964  398966  398972  398976  398978  398982  398988  398994  398996  399002  399006  399008  399014  399018  399024  399032  447090 

4.(★★★★)如图14-8所示的电路,已知电池电动势E=90 V,内阻r=5 Ω,R1=10 Ω,R2=20 Ω,板面水平放置的平行板电容器的两极板MN相距d=3 cm,在两板间的正中央有一带电液滴,其电量q=-2×10-7 C,其质量m=4.5×10-5 kg,取g=10 m/s2,问

(1)若液滴恰好能静止平衡时,滑动变阻器R的滑动头C正好在正中点,那么滑动变阻器的最大阻值Rm是多大?

(2)将滑动片C迅速滑到A端后,液滴将向哪个极板做什么运动?到达极板时的速度是多大?

试题详情

3.(★★★★)如图14-7所示,E=10 V,R1=4 Ω,R2=6 Ω,C=30 μF,电池内阻可忽略.

(1)闭合开关K,求稳定后通过R1的电流;

(2)然后将开关K断开,求这以后通过R1的总电量.

图14-7           图14-8

试题详情

2.(★★★)一平行板电容器C,极板是水平放置的,它和三个可变电阻及电源联接成如图14-6所示的电路.今有一质量为m的带电油滴悬浮在两极板之间静止不动.要使油滴上升,可采用的办法是

A.增大R1

B.增大R2

C.增大R3

D.减小R2

试题详情

1.(★★★)如图14-5所示的电路中,电源的电动势恒定,要想使灯泡变暗,可以

A.增大R1                 

B.减小R1 

C.增大R2                 

D.减小R2

试题详情

3.对于较复杂电路,需要将电容器两端的电势与基准点的电势比较后才能确定电容器两端的电压.

●歼灭难点训练

试题详情

2.当电容器和某一电阻串联后接在某一电路两端时,此电路两端电压即为电容器两端电压.

试题详情

1.确定电容器和哪个电阻并联,该电阻两端电压即为电容器两端电压.

试题详情

2.(★★★)图14-2所示,是一个由电池、电阻R与平行板电容器组成的串联电路.在增大电容器两极板间距离的过程中

A.电阻R中没有电流   

B.电容器的电容变小

C.电阻R中有从a流向b的电流

D.电阻R中有从b流向a的电流

●案例探究

[例1](★★★★★)如图14-3所示的电路中,4个电阻的阻值均为RE为直流电源,其内阻可以不计,没有标明哪一极是正极.平行板电容器两极板间的距离为d.在平行极板电容器的两个平行极板之间有一个质量为m,电量为q的带电小球.当电键K闭合时,带电小球静止在两极板间的中点O上.现把电键打开,带电小球便往平行极板电容器的某个极板运动,并与此极板碰撞,设在碰撞时没有机械能损失,但带电小球的电量发生变化.碰后小球带有与该极板相同性质的电荷,而且所带的电量恰好刚能使它运动到平行极板电容器的另一极板.求小球与电容器某个极板碰撞后所带的电荷.

命题意图:考查推理判断能力及分析综合能力,B级要求.

错解分析:不能深刻把握该物理过程的本质,无法找到破题的切入点(K断开→U3变化→q所受力F变化→q运动状态变化),得出正确的解题思路.

解题方法与技巧:

由电路图可以看出,因R4支路上无电流,电容器两极板间电压,无论K是否闭合始终等于电阻R3上的电压U3,当K闭合时,设此两极板间电压为U,电源的电动势为E,由分压关系可得UU3E                                               

小球处于静止,由平衡条件得

mg                                                       

K断开,由R1R3串联可得电容两极板间电压U′为

U′=

由①③得U′=U                                                 ④

U′<U表明K断开后小球将向下极板运动,重力对小球做正功,电场力对小球做负功,表明小球所带电荷与下极板的极性相同,由功能关系

mgqmv2-0 ⑤

因小球与下极板碰撞时无机械能损失,设小球碰后电量变为q′,由功能关系得

qU′-mgd=0-mv2

联立上述各式解得

q′=q

即小球与下极板碰后电荷符号未变,电量变为原来的.

[例2](★★★★)如图14-4所示,电容器C1=6 μF,C2=    3 μF,电阻R1=6 Ω,R2=3 Ω,当电键K断开时,A、B两点间的电压UAB=?当K闭合时,电容器C1的电量改变了多少(设电压U=    18 V)?

命题意图:考查理解、推理、分析综合能力及解决实际问题的创新能力,B级要求.

错解分析:没有依据电路结构的变化分析求出电容器充放电前后的电压变化,使问题难于求解.

解题方法与技巧:在电路中电容C1C2的作用是断路,当电键K断开时,电路中无电流,B、C等电势,A、D等电势,因此UABUDB=18 V,UABUACUDB=18 V,K断开时,电容器C1带电量为

Q1C1UACC1UDC=6×10-6×18 C=1.08×10-4 C.

K闭合时,电路R1R2导通,电容器C1两端的电压即电阻R1两端的电压,由串联的电压分配关系得:

UAC=12 V

此时电容器C1带电量为:Q1′=C1UAC=7.2×10-5 C

电容器C1带电量的变化量为:ΔQQ1Q1′=3.6×10-5  C

所以C1带电量减少了3.6×10-5

●锦囊妙计

电容器是一个储存电能的元件,在直流电路中,当电容器充、放电时,电路有充电、放电电流,一旦电流达到稳定状态,电容器在电路中就相当于一个阻值无限大(只考虑电容器是理想不漏电的情况)的元件,电容电路可看作是断路,简化电路时可去掉它,简化后若要求电容器所带电量时,可在相应的位置补上.分析和计算含有电容器的直流电路时,关键是准确地判断并求出电容器的两端的电压,其具体方法是:

试题详情

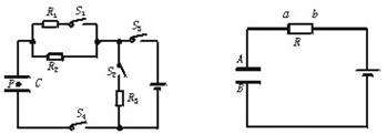
1.(★★★★)在如图14-1电路中,电键S1S2S3S4均闭合.C是极板水平放置的平行板电容器,板间悬浮着一油滴P,断开哪一个电键后P会向下运动

A.S1        B.S2       C.S3              D.S4

图14-1           图14-2

试题详情

6.(★★★★★)如图11-11所示,一导体球A带有正电荷,当只有它存在时,它在空间P点产生的电场强度的大小为EA,在A球球心与P点连线上有一带负电的点电荷B,当只有它存在时,它在空间P点产生的电场强度的大小为EB,当A、B同时存在时,根据场强叠加原理,P点的场强大小应为

A.EB       B.EA+EB                        C.|EA-EB|            D.以上说法都不对

试题详情


同步练习册答案